频率选择表面的响应通常通过三维全波 FEM 和 FDTD 法来评估。但结果的计算成本很高。为了立即了解频率选择表面屏蔽的电磁特性,可以采用基于频率选择表面作为集总网络的近似的等效电路分析。
[1] F. Costa, A. Monorchio, and G. Manara, “Efficient Analysis of Frequency-Selective Surfaces by a Simple Equivalent-Circuit Model,” IEEE Antennas and Propagation Magazine, vol. 54, no. 4, pp. 35–48, Aug. 2012, doi: 10.1109/MAP.2012.6309153.
As shown below👇
frequency-selective surfaces等效电路模型集总参数技术
在八十年代,Langley等人试图推导出更复杂元素(例如,环、双环、十字架、耶路撒冷十字架)的分析关系。
然而,推导出的公式往往相当复杂,失去了电路模型所基于的直观理解。
任意形状的频率选择表面在法向入射时的阻抗可以根据 MoM 公式的阻抗矩阵计算出来。

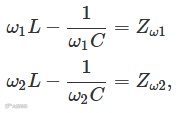
在单一谐振形状的假设下,简单的LC电路可以适应电容式频率选择表面的频率响应。对于电感频率选择表面,并联LC电路应取代LC串联。根据经典传输线规则,可以如下获得独立频率选择表面的阻抗

一旦在两个频率点计算了频率选择性表面阻抗,就可以通过求解一个双方程系统来计算近似真实阻抗的电容和电感值,

这样就可以得出C和L的值

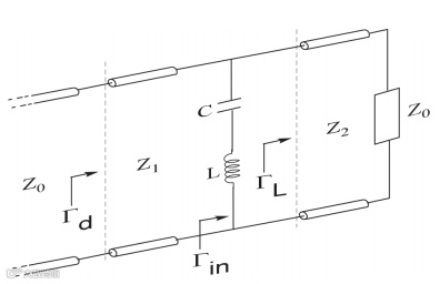
一旦推导出等效电路参数,就可以根据以下传输线关系计算频率选择表面的近似反射和透射系数(T,τ)


FSSs等效电路模型的发展
自20世纪初以来,许多研究人员试图推导出能够充分再现频率选择性表面特性的精确公式。
简而言之,Korontovich提出的平均公式在准静态范围内很好地近似了简单的频率选择性表面元素,如网格或贴片阵列。在重复周期远小于波长的条件下,上述元件分别具有纯电感和电容行为。当频率上升到第一共振时,该模型显然失败了,因为它没有考虑任何共振现象。
后来,其他作者通过包括半经验关系来改进这些模型,这些关系允许对金属网格和网格进行分析,直至第一次共振。一些文章分析了这些技术的准确性。即使在最佳公式中是准确的(考虑到它们是在没有任何计算机辅助软件的情况下获得的),这些公式也只能应用于特定的频率选择性表面形状。

频率选择表面是由大量无源谐振单元组成的单屏或多屏周期性阵列结构,通常由周期性排列的金属贴片单元或在金属屏上周期性排列的孔径单元构成。这种表面可以在单元谐振频率附近呈现全反射(贴片型)或全传输特性(孔径型),因此也被称为“空间滤波器”。


