微波笔记以设计实例的方式介绍各类常用微波射频电路设计方法,每周一篇原创。后续陆续推出电桥、开关、移相等内容。如有想看到的内容或技术问题,可以在文尾写下留言。微波射频网将从每一期留言中选取一位留言获点赞最多的网友,赠送行业图书。本期奖品为《微带电路》图书。
3dB电桥在微波电路中非常流行,90°的3dB电桥可以产生IQ信号,同时电桥在移相器,时延均衡器等器件中属于核心电路。但常规的微带双线耦合电路很难实现超宽带,强耦合电桥,同时由于微带耦合线的奇偶模有效介电常数不一样,即便可以实现强耦合,但由于信号在奇偶模电路中的相速度不一致,耦合越强相速差越大,对电桥的性能恶化越大。
Lange电桥在微带电路中非常流行,该桥结构紧凑,可以在微带结构中实现宽带强耦合。在特征参数获取方面,lange桥的交指多线耦合比常规的双线耦合要复杂的多,这样也给lange桥设计带来一定的难度,本文介绍一种lange桥的简单设计方法。
文中所有的仿真文件见链接:https://pan.baidu.com/s/114nQvl0hALMcY7cjkMbC9Q 密码:mg5f
1、宽带耦合电桥的基本原理
宽带耦合传输线耦合器理论讲解比较好的书个人推荐《现代微波滤波器结构与设计》下册第15章的内容。耦合传输线耦合器及等效电路见图1所示。书中对于多节耦合器级联有下列观点:
多节耦合传输线定向耦合器的电路同1/4波长多节阻抗变换滤波器电路等效;对于对称型,耦合线节数必须是奇数,对于非对称型,耦合线节数可以是任意节;耦合器的传输等于阻抗变换滤波器的传输,耦合器的耦合等于阻抗变换滤波器的回波。
耦合传输线定向耦合器的耦合路和传输路相位相差90°。

图1、多节耦合传输线定向耦合器示意图及等效电路
2、耦合传输线耦合器的叠加原理
若把几个匹配的定向耦合器级联起来,则他们级联后的作用就如同一个定向耦合器一样,级联后的响应符合角度叠加原理。耦合器的叠加原理详见《贝兹孔波导定向耦合器的实现》。耦合线定向耦合器叠加时需对端口进行折叠,如图2所示。

图2、耦合传输线耦合器耦合度叠加示意图
3、Lange桥原理
Lange桥的核心是用多线(常见的4线)耦合替代常见的双线耦合,从而在微带平面电路中实现较强的耦合。lange桥常见的形式见图3,理解lange桥比较好的论文推荐:
《Interdigitated Stripline Quadrature Hybrid》lange
《Simplified Design of Lange Coupler》DARKO KAJFEZ,
《Design Equations for an Interdigitated Directional Coupler》WEN PIN OU

图3、lange桥模型
其中后面两篇是lange桥设计时的理论指导,理论的核心是将多线耦合等效成双线耦合,个人尝试了《Simplified Design of Lange Coupler》中的等效方法,但是等效结果比较差。这里采用了一种比较简便准确的多线耦合同双线耦合的等效方法,方法步骤如下:
1) 电磁仿真软件仿真得到多线的SNP
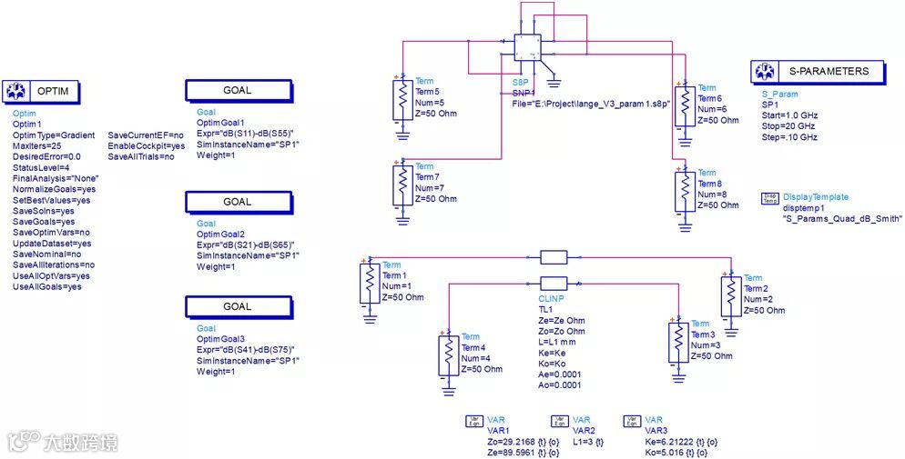
2) ADS中建立图4的模型,让双线耦合的响应同多线耦合的响应相同,通过ADS的优化功能便可得出多线和双线的等效参数。


图4、多线耦合等效为双线耦合的参数提取
4、Lange桥的设计
耦合传输线耦合器设计时遵循如下步骤:
1) 根据指标查表或者在ADS等电路仿真软件中确定耦合传输线节数及奇偶模阻抗
2) 根据奇偶模阻抗计算每节耦合传输线的物理尺寸
3) 电磁场仿真优化
这里用一个6~18GHz的-8.343dB(两个级联可以成-3dB电桥)的lange桥设计作为实例,介绍超宽带lange桥的设计方法。
· 耦合传输线节数及奇偶模阻抗确定
在ADS中建立图5所示的对称耦合传输线耦合器模型,若使耦合度在6~18GHz带宽内保持-8.343dB,则至少需要三节,各节参数见表格1。
表格1、传输线节数及奇偶模阻抗
第一节 |
第二节 |
第三节 |
|
奇模阻抗 |
47 |
29.2 |
47 |
偶模阻抗 |
55 |
89.6 |
55 |


图5、耦合线节数和奇偶模阻抗计算模型及结果
· 根据理想奇偶模阻抗确定实际物理尺寸
根据表格1的奇偶模阻抗可以看出第一节和第三节属于弱耦合,可以直接采用双线耦合。第二节耦合很强建议采用4线耦合。
对于双线耦合可以通过polar Si9000软件或者其他阻抗计算软件计算出实际的物理尺寸。
对于第二节的4线耦合通过上面讲的参数提取法来获取4线的物理尺寸。通过计算可以得到各节耦合传输线的物理尺寸见
表格2、根据理想奇偶模阻抗确定的实际物理尺寸
理想阻抗 |
第一节 |
第二节 |
第三节 |
L约等于2.5mm |
|
奇模阻抗 |
47 |
29.2 |
47 |
||
偶模阻抗 |
55 |
89.6 |
55 |
||
实际尺寸 |
类型 |
双线耦合 |
4线耦合 |
双线耦合 |
|
W(mm) |
0.35 |
0.05 |
0.35 |
||
S(mm) |
0.7 |
0.1 |
0.1 |
· 电磁场仿真优化
根据上面获取的耦合传输线耦合器物理尺寸在sonnet中建立模型见图6所示,为了使该耦合器便于级联采用了折叠式。模型未经过特殊优化,上述参数首次仿真的结构见图6所示,通过结果可以看出上面的设计方法获得的仿真初值是很准确的。相信通过几次迭代调整,该耦合器可以达到比较好的响应。


图6、宽带-8.343dB lange桥的模型及结果
得到一个理想的-8.343dB耦合器后,通过两个耦合器级联便可得到一个-3dB的耦合器。实例中的lange桥设计有意识的同常见的lange桥结构形式做了一些差异,希望通过对此差异的思考可以更深刻的理解lange桥的设计。
作者:赵强 微信:q_zhao_ls 手机:18180564516
赵强微波笔记专栏:
贝兹孔波导定向耦合器的实现
如何设计一个功分器
如何设计一个平面低通滤波器
如何设计一个带通滤波器
本期留言奖品
如有想看到的内容或技术问题,请在文尾写下留言。

每周五从留言中选取获点赞最多的网友,赠送《微带电路》图书。
微波射频行业人士 | 相聚在这里
【10大细分领域的微信技术交流群】
微波射频网已建立射频、天线、雷达、毫米波、手机射频、RFIC、功放、SDR等细分领域的技术交流群,提供一个互相交流的平台,促进技术进步。

长按识别上方二维码加群主为好友,说明:单位+技术方向,邀请您加入相应技术群

