微波笔记以设计实例的方式介绍各类常用微波射频电路设计方法,每周一篇原创。后续陆续推出电桥、开关、移相等内容。如有想看到的内容或技术问题,可以在文尾写下留言。微波射频网将从每一期留言中选取一位留言获点赞最多的网友,赠送行业图书。本期奖品为《微带电路》图书。
写东西和想东西还是有很大差别的,写出来的东西是不允许有马虎眼,差不多的。这样的过程也让自己想问题更加专心,写作也让自己内心平静下来,想着能把自己学习所悟分享出去,也能感觉到自己除了世俗以外存在的价值。
功分器在微波电路中用途非常广泛,特别是在相控阵/固态功率合成如火如荼的今天,几乎每个微波产品里都有它的身影。很多专业书里都有功分器的介绍,个人十分推崇由清华大学主编的《微带电路》一书,读此书可以感觉到老一辈微波电路的拓荒前辈们严谨的作风,该书理论联系实际,讲解详实但又浅显易懂,对提升微波电路设计的感觉十分有用。
1、功分器的核心观点
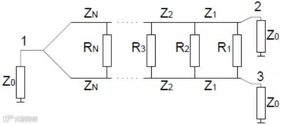
详细的理论推导见《微带电路》第6章,这里仅引用该书中的核心结论,也强烈建议认真阅读此章,里面的方法论是解决很多微波电路问题的法宝。功分器可以根据对称性拆分成奇模和偶模两个两端口网络进行单独分析,原理图见图1。

(a)N节宽频段功分器

(b)偶模馈电等效电路

(c)奇模馈电等效电路
图1、功分器理论分析图示
核心结论为:
· 对于公共的1端口,奇模馈电对它不起作用,只要分析偶模电路即可,1口的回波和偶模电路的1口回波是相等的。由此功分器的传输线设计就变成了设计一个2*Zo到Zo欧的阻抗变换器。
· 偶模馈电电路也是功率合成器的工作原理,2口和3口输入同相等幅电压,可以无耗的传输到1口。有人经常会混淆说S21=-3dB,根据无源电路的互易性S12=-3dB,这样就没有办法实现功率翻番了。这种情况是发生在只有2口输入信号,3口没有信号输入的情况下。
· 从奇模电路看,纯粹的奇模馈电公共1口是没有功率到达的。隔离电阻纯粹起了一个衰减器/负载的作用,把奇模馈入的功率完全吸收掉,以此实现了2口和3口的低驻波,高隔离。
2、功分器的仿真设计
根据前面的理论分析结论,一个功分器设计实际上就变成了一个阻抗变换器的设计,阻抗变换器有非常多的实现方式:阶梯阻抗变换器/变压器/阻抗变换滤波器均可以实现。平常接触最多的是阶梯阻抗变换器,但实际上变压器和阻抗变换滤波器结构的功分器在很多特殊场景中有非常好的效果。
下面用一个2~18GHz的功分器介绍详细设计过程。板材选用rogers5880 t=0.254mm。原理及电磁仿真实例文件下载:链接:https://pan.baidu.com/s/1htkfhzu 密码:vwj4
1) 设计步骤
· 阻抗变换器阶数和各节阻抗确认
· 隔离电阻阻值确认
· 单独阻抗变换器电磁仿真
· T型节电磁仿真
· 整个功分器联合电磁仿真
2) 阻抗变换器阶数和参数获取
获取阻抗变换器阶数和参数的小软件非常多,这里通过在ADS中建模仿真获取相应参数,模型见图2,其中有效介电常数可以通过传输线计算工具大概获取,长度初值为中心频率的1/4波长,其他阻抗值从高到低排列就好,经过简单优化即可以获取各级阻抗。

图2、ADS中阻抗变换器模型及结果
通过传输线计算工具(ADS自带或polar si9000)可以计算出各个阻抗的实际宽度见表1.(板材rogers 5880 Er=2.2 t=0.254mm)
表1、各节阻抗和线宽对应表
Z1 |
Z2 |
Z3 |
Z4 |
Z5 |
Z6 |
Z7 |
Z8 |
Zo |
|
阻抗 |
91.7 |
86.1 |
80 |
73.8 |
67.9 |
62.6 |
58.2 |
54.6 |
50 |
线宽 |
0.23 |
0.27 |
0.32 |
0.37 |
0.44 |
0.51 |
0.58 |
0.64 |
0.74 |
3) 隔离电阻仿真
根据第二步的结果,在ADS中建立完整的功分器理论模型,固定传输线参数,加入隔离电阻,任意给定一个初值,通过一次2端口驻波优化就可以很方便的获取隔离电阻的数值。该电路优化结果见图3。

图3、完整的功分器理论模型
4) 阻抗变换器和T型节的电磁仿真
根据上面计算出的参数就可以进行电磁仿真了,个人习惯再sonnet中仿真。一个典型的功分器电路如图4所示,直接仿真这个电路由于模型较大仿真时间较长,这里我们将其分解成两个部分单独仿真优化降低资源消耗,之后进行一次联合仿真验证。

图4、典型功分器电路
分解的两个电路为100到50欧的阻抗变换器和50到两个100欧的T型结。

图5、功分器的两个分解电路
根据第2)步计算的阻抗变换器尺寸,建立图5的阻抗变换器模型(为缩小长度进行了折弯处理,折弯切角可自行计算)。未进行任何优化得到的仿真结果见图6,说明ADS模型中计算的参数是非常准确的。
T型节的仿真结果见图6,由于我建模型时根据经验在T型节处切了角,T型节一次仿真结果也比较好。实际自己设计时可能需要调节T型节切角大小,请自行感受。

图6、阻抗变换器及T型节的仿真结果
5) 功分器模型整体仿真
功分器整体仿真就是将阻抗变换器和T型节组合成图4的功分器整体进行仿真,在这里顺便介绍一下sonnet的netlist电路仿真。在sonnet中新建一个netlist电路如图7所示,这种实际上是把第4)步的子电路联合起来进行的仿真。其他的大型电路均可通过此方式划成小电路然后用netlist把各个子电路联合起来,这样可以加快仿真和优化速度。Netlist电路仿真结果和全电路仿真结果对比见图7,可以看出电路分割的正确性以及整个功分器电路仿真过程的准确性。最后把电阻带入后,整个功分器就基本仿真完成了。


图7、netlist电路仿真及全电路仿真结果对比
作者:赵强 微信号:q_zhao_ls
简介:
2004~2011 华中科技大学 微电子学与固体电子学 硕士
2011~2015 中电29所西科微波通讯有限公司
2015~ 2018 华为技术有限公司
2018~至今 航天微电科技有限公司成都分公司
赵强微波笔记专栏:
本期留言奖品
如有想看到的内容或技术问题,请在文尾写下留言。

微波射频网将从每一期留言中选取一位留言获点赞最多的网友(统计时间为每周三天晚上8点),赠送《微带电路》图书一本。这是一本微带设计的传奇,业界流传数十载,百余位微带专家极力推荐,数十万电路工程师的案头工具。
作者:清华大学《微带电路》编写组 定价¥79
微波射频行业人士 | 相聚在这里
【10大细分领域的微信技术交流群】
微波射频网已建立射频、天线、雷达、毫米波、手机射频、RFIC、功放、SDR等细分领域的技术交流群,提供一个互相交流的平台,促进技术进步。

长按识别上方二维码加群主为好友,说明:单位+技术方向,邀请您加入相应技术群

