相信许多业界同仁都读过《实用射频测试与测量》这本书,作者朱辉从工程应用角度,深入探讨各种射频器件和射频系统的测试和测量问题,并列举一些典型的测试案例,是一本射频测量的经典辅导书。本文是朱辉老师探讨无源互调的最新文章,同时朱辉老师的新书也即将发布,出版后小编也会第一时间推送给大家。
一、概述
时至今日,至少在蜂窝移动通信行业,对于无源互调对系统危害的认知已经十分普遍,从工程角度看,无源互调测量技术以及低互调无源器件的生产制造工艺也已经成熟。但是我们也注意到,近年来在无源互调方面的研究具有一定的局限性,大部分有关无源互调的讨论都是基于器件角度,而类似以下的这些问题,往往被业界所忽略:
1) 行业普遍认为低无源互调指标应该是-153dBc~-170dBc@2×43dBm,这个指标的来源是什么?
2)在一个通信系统中,究竟哪些无源器件需要低互调设计?一个无源器件的互调对系统有什么影响?如何量化这个影响?无源器件的非线性特性与整机的杂散辐射指标有什么关联性?
3)反射互调、传输互调、反向互调和感应互调分别对应哪些应用场景?对本系统、共站共址系统和其他通信系统的影响如何评估?
4) 传统的无源互调测试采用传导测试模式,开场条件下会不会产生无源互调?
5) 无源器件的非线性特性对于宽带调制射频信号的邻道功率有贡献吗?
在任何通信系统中,无源器件的非线性特性不应被孤立看待,无源互调的理论和工程应用研究应该是一个系统性的问题,这就是本文中想要探讨的。
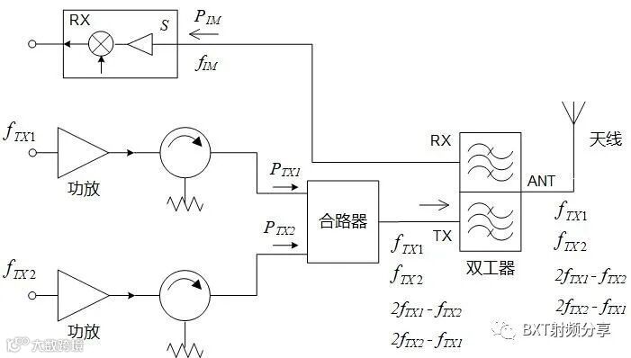
首先我们结合图1来讨论无源互调指标的定义。图1a是收发系统的典型电路,两个发射信号fTX1和fTX2分别经过功率放大器、环流器,由合路器合成后进入双工器的TX端,经过双工器滤波后从天线辐射到空中。从双工器ANT端口以后一直到天线,整个路径上的无源器件在两个合成信号的作用下会产生无源互调产物,如果互调频率(如三阶互调fIM3)落在接收频段,就会对接收机产生干扰。
以GSM900为例,下行频段是925-960MHz,上行频段是880-915MHz。如果fTX1和fTX2分别为935MHz和959MHz,产生的三阶互调频率为913MHz,刚好落入接收频段。
那么我们该如何定义互调频率fIM的幅度大小?显然,进入接收机的互调产物幅度应该不足以对接收机产生干扰,干扰信号的幅度应该比接收机灵敏度小,我们就可以将互调产物的幅度限值定义如下。
绝对值:PIM(dBm) < S -∆ @ (PTX1,PTX2) (1)
相对值:PIM(dBc) < S -∆ - PTX @ (PTX1,PTX2) (2)
其中,PIM是互调产物的幅度,与阶数无关,只要落入接收频段,无论几阶互调都需要关注;S是接收机的灵敏度;∆是干扰保护比,也就是互调产物应该比灵敏度小多少,通常为6~10dB;PTX1,PTX2为两个载频的幅度。
式1为互调限值的绝对值表达法,解释为在一定幅度的两个以上载频的作用下,互调产物应比接收机灵敏度小一定的值;式2为互调限值的相对值表达法,解释为互调绝对值与载频的差值,为了计算方便起见,通常假设为PTX1 = PTX2 = PTX。
以蜂窝通信系统为例,PTX1 = PTX2 = PTX =43dBm,S=-107dBm,∆取6dB,则要求无源互调产物的幅度应小于-113dBm绝对值或-156dBc相对值,分别表达为-113dBm@2×43dBm或-156dBc@2×43dBm。这是我们常见的无源互调指标,或许是由于当初IEC在制定无源互调测试标准时参照了GSM900蜂窝基站的情况[1],同时很多相关技术文章和产品所描述的指标都是这个数量级,因此造成了对无源互调理解的以下几点局限性:
1) 无源互调的指标在-110 ~ -120dBm,或者-153~ -163dBc;
3) 只需要关注三阶互调,高阶互调很小,可以忽略。
我们曾经遇到一个案例,要测量一个双工器的无源互调,其设计指标要求为-200dBc@2×21dBm,有些人认为这个指标不可实现,是不合理的。而这可能就是前面所描述的对无源互调认识的局限性,因为在大家的认知中,无源互调最好也就-170dBc。但如果从以下两点来考虑,就可以发现-200dBc这项指标是合理的:
1) 这个系统的接收灵敏度非常高,目前地面接收机的灵敏度已经可以做到接近-160dBm;
2) 按照载频功率与互调相对值1:2的关系,如果将功率提高到43dBm,那么这个互调指标可以等效为-156dBc@2×43dBm,这个值就符合大家通常的认知了,而且实现并不困难。
从上述案例以及式1(式2)可以发现,一个通信系统中无源互调与接收机灵敏度和载频功率有关,无源互调限值及测试遵循真实使用环境模拟原则:
1) 无源互调限值取决于系统接收机的灵敏度以及发射机的功率;
2) 只要落入接收频段的无源互调都应被关注,与互调阶数无关。
在IEC62037-1标准中,也提到了除非有特别要求,对于移动通信系统一般推荐加载到DUT的测试端功率为2×20W(43dBm),而其他系统可能需要不同的测试功率电平[2]。我们曾经遇到过一些非移动通信的无源互调测试案例,作为上述论点的佐证简述如下。
案例:不同载频功率比对无源互调的变化规律的影响研究。
在IEC63027标准中,建议采用2×43dBm的功率进行无源互调测试,通常要求两载频电平的偏差不超过0.5dB,这种情况适用于蜂窝移动通信。在很多通信系统中,载频信号的峰均功率比不是恒定值,载频的幅度可能是随机变化的,因此研究不同载频功率比条件下无源互调的变化规律具有一定的实用意义。
PIM dBm = C0 + C1P1dBm + C2P2 dBm (3)
上式中,C0、C1、C2为拟合系数。我们分别对带状线定向耦合器、同轴连接器和微带线等三种器件进行了实验及计算,获得了较为一致的理论和实测结果(图2),最终结果表明,当总功率不变时,最大互调出现在两载频功率为1:2的位置[3]。
图2. 载频功率之比对三阶互调的影响规律
我们知道,产生无源互调的必要条件是两个或者以上的载频同时作用在器件射频路径的某个点上。图3显示了一个典型的通信系统的前端,我们结合这个电路来讨论各个无源器件的指标对系统接收机是如何产生影响的,同时也讨论每个器件的指标应该如何确定以保证性能和成本的平衡。
图3. 通信系统中各无源器件的指标对接收机干扰的影响
图3中一个明显的合成点是合路器的C端,这个端口除了两个载频以外,还包含了互调信号,比如三阶互调2fTX1-fTX2和2fTX2-fTX1,这两个互调信号的幅度是多大?我们把视线转向功放的方向看,假设两个载频fTX1和fTX2被放大后输出功率P1和P2均为45dBm,合路器的隔离度I不会是无穷大,通常是20dB,这样P2反向进入另外一路放大电路的环流器输出端,其幅度为P2’=P2-I=45-20=25dBm,这个环流器在P1和P2’这两个功率的作用下,会产生反向互调[4],由于环流器采用铁氧体材料制成,这种材料具有较差的非线性特性。
图4显示了铁氧体环流器的典型反向三阶互调特性,当P1=45dBm,P2’=25dBm时,三阶互调约为-80dBc,即-35dBm,这个互调信号经过合路器后进入双工器的TX通路。而合路器的互调,无论是采用带状线还是微带线结构,都会远小于铁氧体材料的互调,因此进入双工器的互调也就可以看成是-35dBm。这样就可以确定如果双工器的带外抑制做到90dB以上,就可以将这个互调抑制到-125dBm以下。这个互调信号出现在双工器的ANT端并进入接收机,不会对接收机造成干扰。两个载频信号会经过天馈系统辐射到空中,在其经过的路径上,无论是电缆组件、避雷器和天线,都需要低互调设计,这些器件上产生的反射无源互调都会直接进入到接收机,中间再也没有滤波器“保驾”了。
从上述分析我们可以下这样的结论,图3中,合路器并不需要专门考虑低互调设计,但合路器的隔离度指标会影响环流器的反向互调指标,间接影响到系统的无源互调;双工器需要低互调设计;ANT端口的连接器尤为重要,通常我们可以发现蜂窝基站中双工器的ANT端口会采用比如DIN7-16或者43-10这类具有低互调特性的连接器,TX端口则会选用成本更低的N型或者SMA连接器;RX端口的连接器不需要考虑低互调设计,采用SMA即可;天馈系统中所有的器件都要采取低互调设计。
上述案例说明,在一个通信系统中,综合分析各器件的S参数和无源互调特性,并分解各器件的指标,将会十分有利于系统的设计,这是从系统角度看待无源互调的一个典型案例。
四、反射、正向、反向和感应互调分别对应哪些应用场景?
不同的无源器件位于系统中的不同位置,其产生的无源互调对接收机产生干扰的路径也不尽相同,相应的测试方法也会不同,其基本测试原则应该是测试面向接收机方向的无源互调。以下我们将对这些问题进行讨论。
反射互调的定义是当二个载频同时输入到一个双端口(或多端口)器件的某个端口时,从该端口反射回输入方向的互调产物(图5a)。反射互调的测试方法(图5b)完全遵循其定义,与图3所示的真实使用场景十分相似。反射互调是最常见的测试项目,主要应用于FDD收发系统中那些可能对自身接收机所产生干扰的无源器件,典型的如图3中双工器ANT端口以后的所有无源器件,包括射频电缆、避雷器、在线监测设备、射频跳线和天线等。目前在移动通信行业所提到的无源互调测试及指标,除非有特别说明,绝大部分均默认为反射互调。
正向互调也被称为传输互调,其定义是当二个载频同时输入到一个双端口(或多端口)器件时,在输出端所产生的互调(图6a)。同样,测试方法也遵循其定义。
需要测试传输互调的是那些输出互调会流向接收机的无源器件,比如图3中的合路器,以及连接合路器和双工器的电缆组件。当然双工器的主要作用之一就是抑制合成后所产生的互调,如果进入双工器的互调小,那么对双工器的带外抑制要求就会低一些,当系统设计者充分了解各级器件的特性后,可以更加合理地分配各级的指标,使得整机在体积、性能、可靠性和成本这些因素之间找到平衡点。
另一种很重要的情况是无源互调对其他通信系统产生的影响,图3中,天线的反射互调会进入接收机,同时其传输互调则会辐射到空中对其他系统产生影响。由于天线是各向同性器件,因此可以认为辐射到空中的传输互调产物幅度与反射互调幅度相近。辐射出去的互调产物在空中急剧衰减,比如900MHz的信号在自由空间传播50米后就会损耗65.5dB,天线产生的传输互调幅度完全不会对其他同类的系统产生干扰。因此只要天线的反射互调合格,传输互调也就不需要关注了,正所谓“保护了自己也同时保护了他人”。
还有一些需要关注的传输互调对其他通信系统产生干扰的情况,比如多载频调频广播发射系统的互调对民航VHF通信的影响。调频广播发射系统具有大功率、多载频合成、低增益全向天线发射的特点,同时发射台位于制高点,遍布全国各地。这些条件下,发射系统产生的互调很容易对飞临其覆盖范围民航VHF通信设备产生干扰。简要分析如下:
a) 载频及互调频率范围:调频广播的频率范围是87.5-108MHz,其产生的互调刚好落入民航VHF的工作频率范围108-137MHz;
b) 发射功率及互调电平:调频广播发射机的功率非常大,市级台可以到3kW,省级台最高达到10kW;国标中对单台发射机的杂散规定为同时满足不大于载频的-60dBc或者0dBm[5],但是对合成系统的互调和杂散并无要求,因此用于调频广播发射系统的合路器、馈线和天线都不会考虑低互调设计;即使参照单台发射机的国标要求,也需要专门的测试手段来完成天馈系统的互调测试。
c) 调频广播的发射天线垂直半功率角通常为10°至30°之间,可以计算出当半功率角为15°时,飞行高度在6千米到1万2千米、水平22公里到44公里的范围内,都在调频广播的覆盖范围内。
d) 根据上述参数,假设天线的传输互调为0dBm,经过44公里的自由空间传播后,衰减了107dB,到达飞机的互调电平为-107dBm,这个值正好是机载VHF电台的接收灵敏度,也就是说,飞机在经过在距离广播发射台44公里半径、6千米到1万2千米的高度范围内,都可能受到来自调频广播发射系统的互调干扰。
随着社会经济的不断发展,无线电频谱的使用率会越来越高,随之要考虑的各种通信系统间的电磁兼容性问题,无源互调测试作为其中一个细分且十分重要的领域,也会被业界所越来越重视。
相较于反射和传输互调,反向互调较少被提及,这种互调仅仅出现在各向异性器件中,常见的也就是铁氧体隔离器和环流器,这种器件通常位于功率放大器的输出端,除了能保护放大器不被烧毁,还能抑制放大器的谐波,但同时也会产生反向互调。反向互调的定义是当二个载频分别从不同的方向同时输入到一个各向异性器件的输入端(1)和输出端(2)时,从输出端(2)产生的互调产物。图7b所示的测量方法遵循其定义,由于输入到端口1的信号是本系统的发射信号,而端口2的信号则来自于外部发射机的串扰,因此f1的电平会大于f2,在实际测试过程中,可以将f1的电平设置为43至45dBm,而将f2的电平设置为20至30dBm之间,也可以根据实际情况设置测试电平。
由于铁氧体器件产生的反向互调要远大于其他无源器件,评估这种器件的无源互调有助于定义双工器的带外抑制。这些已经在图3中进行了描述,不再赘述。
首先需要特别说明的是,“感应互调”的概念在以往的相关文章中并未出现过,是我们通过一些实测案例而临时命名的。感应互调现象可以描述为:当两个载频从空中照射到被测物时,由于被测物存在非线性特性所产生并辐射到空中的互调产物。注意上述描述只是为了讨论这种现象的需要,并不能代表某种“定义”。
问题最初是从天线的互调测试开始的,我们知道互调产生的必要条件是两个载频同时作用到无源器件上,在图8a所示的天线反射互调测试系统中,两个载频作用到天线输入端测试其反射互调。我们继续往前看,这两个测试载频从天线辐射到空中照射到微波暗室的吸波材料上,吸波材料在受到两个载频的作用也会产生互调,图8b对这种现象进行了解释。这个感应互调产物(fIM-B)会反射回天线并与天线的反射互调(fIM-A)叠加,最终接收机测得的互调fIM实际上是fIM-B和fIM-A的叠加,如果感应互调的幅度与天线的反射互调可以相比拟,那么最终测得的天线反射互调就会产生误差。
另外一个应用场景是当天线的周边有其他物体存在时,这些物体产生的感应互调会进入天线,干扰自身接收机。
在FDD通信系统中,双工器用于分离收发信号;在无源互调测试中,双工器又是测试系统中的核心器件。双工器的互调测试方法与图5b类似,把被测件去掉接入低互调负载即可,对于获得的互调值可以有以下三种不同的理解:
a) 作为无源互调测试系统的校准结果。如果双工器和低互调负载的无源互调都足够好,那么校准值就会很好,比如-168dBc@2×43dBm,此时回到图5b,就可以测量DUT的反射互调;
b) 可以作为低互调负载的反射互调测试结果。如果双工器的互调足够好,那么测得的结果就是低互调负载的无源互调值;
c) 作为双工器的测试值。如果低互调负载的无源互调足够好,那么这个测试结果就是双工器的无源互调,这也就是双工器无源互调的测试方法。
由此可见,双工器在无源互调测试中扮演着重要角色,其自身无源互调测试方法也较为特殊。
经过上述讨论,我们大致了解了无源互调的不同形式对各种系统的影响。这些经验将会有助于系统和器件设计者如何正确理解无源器件互调以及对在系统中所起的作用,更好地完成一个通信系统的设计。
在以上有关“感应互调”的讨论中,已经提出了在开场条件下产生无源互调的可能性,为了进一步证实这种可能性的存在,我们进行了一次实验(图9)。实验方法与天线的互调测试相似,将天线换成双段天线,其中一副用于发射两个载频信号f1+f2,而另一副则用于接收来自微波暗室吸波材料的感应互调fIM并送至接收机,采用同一副天线是为了保证互调沿着载频的路径原路返回。
用于发射和接收的两副天线在物理通路上是互相独立的,其空间隔离度大于30dB,因此即使发射天线存在正向互调,通过空间进入接收机也衰减了30dB,不会对测试结果产生影响。为了进一步证明图9测得的互调是由吸波材料产生的而不是天线的反射互调,理想情况是移去吸波材料形成自由空间,但这种假设不可实现。因此我们可以从这个思路得到启发,变换天线与吸波材料的距离D,如果互调发生变化,就可以证明是由吸波材料所产生的。
在保持其他条件不变的情况下,我们分别在D=4.26米和6.25米两种情况下进行了测试,结果表明互调相差了11.2dB。这就可以证明感应互调是存在的。
现代通信系统的接收灵敏度越来越高,针对这类系统,感应互调的研究具有以下两个实用意义:
a) 了解微波暗室自身的剩余互调特性,保证天线反射互调测试的精度与可信度。有些吸波材料采用了铁氧体材料,这种材料的互调特性并不理想,这类暗室不适合用于天线的无源互调测量。
b) 研究不同材料的感应互调特性,可以在整机设计时如何选用和安置天线周边材料提供依据。
随着5G的普及,会不会带来新的无源互调问题?在Sub-6GHz频段的5G基站中,采用了MIMO技术,在这种系统中,相邻两个天线单元之间可能会由于互相串扰造成反向互调(图10)。
图10a显示了MIMO系统的基本单元结构,每个天线单元的输出信号除了正常辐射到空中以外,还会有一部分串扰到邻近的天线单元中。在TDD制式的蜂窝通信系统中,收发通路依靠环流器进行分离,当其中一个单元的信号反向串入另一单元时,就会产生反向互调[4],图10b解释了反向互调的产生过程,其测试方法实际上就是针对铁氧体环流器的反向互调测试(图7b)。
在TDD制式的蜂窝通信系统中,依靠帧同步方式可以从技术上避免系统内部的干扰,但是不能避免对其他通信系统的干扰,比如说3.4-3.6GHz的5G基站所产生的互调可能对3.7-4.2GHz频段的C波段卫星接收机产生干扰。实际上目前上述干扰现象已经出现,但是从我们所遇到的案例看,都是由于接收机的选择性所导致的接收互调,而不是由发射机产生的互调,但是这种可能性毕竟是存在的。
以上我们讨论了本文开始所提出的一些关于无源互调的问题,我们希望表达的意思是,从系统角度来看待无源互调会更加有助于对这个细分测试项目的理论及对产业应用的研究。还有很多问题期待业界同行和专家们的重视和讨论,比如说一个宽带信号是否可以视为无数个单载频的集合?从这个角度看,发射信号的邻道功率是否与互调有关?相信随着时间的推移和研究的深入,会出现更多的无源互调问题,本文希望能起到抛砖引玉的作用。
文中有不妥之处,欢迎同行批评指正。
参考文献:
[1] [2]IEC 62037-1: PassiveRF and microwave devices, intermodulation level measurement – Part 1: Generalrequirements and measuring methods, Edition 1.0, 2012-05
[3]Ming Ye, Yong-ning He, Hui Zhu: Empirical Equationfor Carrier Power Dependence of Passive Intermodulation Product, 2015 IEEEInternational Wireless Symposium (IWS)
[4] 朱辉:《实用射频测试和测量》,电子工业出版社
[5] GY/T169-2001:中华人民共和国广播电影电视行业标准《米波调频广播发射机技术要求和测量方法》
BXT可提供客户化定制的无源互调测量系统,详细产品信息和测试方法可致电0591-83789500或发邮件至guolb@bxt-technologies.cn咨询。
投稿&专栏合作 请加小编微信 | 微信号:18675536035
