
1621年,荷兰数学家威里布里德·斯涅尔首次发明了折射定律(也叫斯涅尔定律),这个我们大多数人初中学到的这条物理定律,也是我们如今用到的传统光学镜头的基础。
几百年后,人们研发出了超材料(Metamaterial),meta指超出另类之意,这种亚波长结构单元(尺寸小于作用波长)的人造材料,由“人工原子”组成物理结构而非化学成分组成,具有任何天然材料不具备的超出物理性质的电磁特性,如负折射率、零折射率这种奇特性质。
典型的超材料有:介电常数和磁导率双负的左手材料;类似于半导体晶体影响电子,控制光子的这种光子晶体;在超宽频带内工作隐身衣。这些均属于超材料,曾入选了美国《科学》杂志年度10项重大进展之一。2010年,科学杂志将超材料列入本世纪前10年的10项重要科学进展之一,后来也被美国国防部列为六大颠覆性基础研究领域之一。
超材料为多层堆叠的三维结构,加大了电磁波传输损耗,许多超材料有复杂的金属线,给制造组装也也带来了挑战。2011年,美国哈佛大学Federico Capasso教授团队首次提出了广义斯涅尔定律,“修订”了原来的定律,以此开始设想一种二维超材料——超表面(Metasurface),与传统的三维材料(天然、超材料)相比,超表面不仅也突破了传统材料电磁参数的局限性,也大幅度缩小了厚度。体积极小,重量轻,易于集成,大幅度降低了电磁波传输损耗,也可实现对入射光振幅、相位、偏振等参量的灵活调控。
2016年,基于超表面概念,Federico Capasso教授团队发明了首个超透镜(Metalenses),展示了首个在可见光范围内有效工作的超透镜。他们设计的超透镜可以将光聚焦到一个直径约400 nm的点上。与传统透镜相比,Federico Capasso教授团队使用了一种薄而扁平的结构,具有多个波导(引导电磁波的结构)——类似微小的柱子——由二氧化钛(TiO2)制成的约600 nm长的特定图案排列而成,将这种波导称为“纳米鳍”。
一方面,超透镜具有超薄的平面结构不会产生色差,也无色(任何波长光线可以同时穿过),可以灵活精确调控光的相位、偏振、振幅。而另一方面,超透镜可以使用现有的半导体工厂大规模生产。
超透镜可以灵活调控光波的电磁特性。图源:哈佛大学
超透镜这项技术在被评为2016年美国科学杂志的最佳发现之一,2019年被世界经济论坛、科学美国人评为十大新兴技术之一。
2018年,韩国基础科学研究所(IBS)集成纳米结构物理中心的科学家们与英国伯明翰大学、韩国科学技术院(KAIST)的科学家们一起开发出具有可调功能的、信用卡般厚度的平面镜头。

2019年,美国西北大学的科研团队开发出一种由金属纳米颗粒和聚合物组成的超透镜,无需改变纳米颗粒的结构,这种可伸缩的方法使得不同的透镜结构可以通过一步擦写制成,在多次擦写循环之后,不会带来明显的纳米特征退化。
从哈佛大学Federico Capasso教授的实验室2016年分拆出来成立的Metalenz公司,2021年与意法半导体正式签署合作协议,意法半导体的新款ToF传感器产品采用了Metalenz的超透镜技术,2022年意法半导体表示实现了批量量产出货,据其介绍,该系列ToF传感器广泛应用于智能手机、无人机、机器人和车辆等,迄今已经售出超过17亿个。
据不完全统计,在超透镜商业领域,国内方面,今年3月和6月迈塔兰斯和山河光电分别获数千万元Pre A轮融资,今年10月Metalenz也宣布获得完成了3000万美元B轮融资。
镜头常通过折射来收集和引导入射光,使用透明材料(通常是塑料)的曲线使光线弯曲。
要制造一台小型相机,需要一个短焦镜头;但焦距越短,曲率越大,因而中心也越厚。高度弯曲的镜头也会形成各种像差,因此相机模块制造商使用多个镜片来进行补偿,从而增加了相机的体积。
使镜头更小更好的唯一方法是使用不同的技术取代折光镜片。
Metalenz公司运用传统的半导体加工技术,在平面上构建纳米结构来制造超透镜设备。这些纳米结构利用一种叫做超表面光学的现象来引导和聚焦光线。超透镜可以非常薄,仅有几百微米厚,大约是人头发直径的2倍。
操纵光的任何设备都是通过改变光的三大基本特性来实现的,即相位、偏振和强度。1678年,克里斯蒂安•惠更斯提出了任何波或波动场都由这些属性构成的想法,成为光学领域统领一切的指导原则。
18世纪初,世界上最强大的经济体为了保护自身的航运利益,格外重视用更大、更强的投射透镜建造灯塔。然而,随着这些投射透镜越来越大,它们的重量也越来越重。因此,可放置于灯塔顶部并在结构上起支撑作用的透镜物理尺寸限制了灯塔光束的功率。
法国物理学家奥古斯丁•让•菲涅耳意识到,如果把一个透镜切成小平面,便可削减透镜中心的大部分厚度,同时保持光学功率不变。菲涅耳透镜代表了光学技术的重大进步,现在有许多应用,包括汽车前灯和刹车灯、头顶投影仪,还有灯塔投射透镜。然而,菲涅耳透镜有其局限性。首先,小平面的边缘会形成杂散光。其次,带小平面的表面比连续曲面更难制造和精确抛光。这对相机镜头是不可行的,产生优质图像需要较高的表面精度。
另一种方法如今广泛应用于3D传感和机器视觉,其根源可追溯至现代物理学最著名的实验之一:1802年托马斯•杨进行的光衍射实验。该实验表明,光具有波的特性,相遇时可以根据波传播的距离相互放大或抵消。衍射光学元件(DOE)基于此现象,利用光的波动性产生干涉图案,即以点阵列、网格或任意数量的形状形成的明与暗交替的区域。今天,许多移动设备使用衍射光学元件将激光束转换为“结构光”。此种光图案被投射,由图像传感器捕获,然后通过算法创建场景的3D地图。这些微小的衍射光学元件非常适合小型设备,但它们不能创建精细的图像,所以应用再次受限。
而超透镜由哈佛大学费德里科•卡帕索(Federico Capasso)团队开发,团队中包括当时正在读研究生的罗布•德夫林(Rob Devlin)、研究助理雷扎•霍拉萨尼内贾德(Reza Khorasaninejad)和陈韦亭(Wei Ting Chen,音)等人,它的工作方式与其他任何一种方法均有本质上的不同。
超透镜是扁平的玻璃表面,上面有一层半导体。在半导体上蚀刻出一排排几百纳米高的柱体。这些纳米柱可以操纵光波,其控制水平是传统折射透镜无法做到的。
超透镜可以通过多种方式改变和利用光:可以散射和投射光作为红外点场,许多智能设备利用这些肉眼看不见的点测量距离、绘制房间图或人的面部图;还可以根据偏振来进行光的分类。
镜头在捕捉图像时,首先是用单色光源(即激光)照亮一个场景。(虽然使用超透镜捕捉全彩色图像在概念上是可能的,但它还处于实验室内,距离商业化还有很长的路要走。)场景中的物体将光线向四面反射。有些光线被反射向超透镜,超透镜的纳米柱朝外冲着场景。被反射回的光子撞在纳米柱的顶部,将其能量转化为振动。这种振动被称为等离激元,沿着柱身传播。当能量到达柱底时,它以光子的形式存在,然后可被图像传感器捕获。这些光子不需要和那些出现在纳米柱上的光子具有相同性质;可以通过设计和分布纳米柱来改变这些属性。
1968年,苏联物理学家维克多•维塞拉戈在《苏联物理学进展》(Soviet Physics Uspekhi)发表的一篇论文中提出了超材料的概念,他提出了假设:没有什么能排除具有负折射率的物质存在。此材料与光的相互作用与普通材料迥异。光通常以反射的形式从物质上反射回来,但光可绕过超材料,就像水在溪流中绕过巨石一样。
直到2000年,超材料理论才在实验室中得以实现。那一年,美国加州大学圣地亚哥分校的理查德•A. 谢尔比(Richard A. Shelby)和同事在微波区展示了一种负折射率的超材料。2001年,他们在美国《科学》杂志上发表了这一发现并引起了轰动,因为人们由此想象出了“隐形斗篷”。
哈佛大学的费德里科•卡帕索(Federico Capa-sso)实验室发明了第一批利用可见光生成高质量图像的超透镜。2016年,《科学》杂志上发表了一篇有关该技术的研究文章,立即引起了智能手机制造商的兴趣。哈佛大学随后将基础知识产权独家授权给Metalenz公司,现在超透镜已由Metalenz实现商业化。
最初进入移动成像系统的光学超表面,在只有几平方毫米的单一平面上有千万个硅柱,每根硅柱都要经过精确调整,接受正确的光相位,即使有先进软件的帮助,这一过程也十分艰难。下一代超透镜不一定需要更多的硅柱,但硅柱的几何形状可能更复杂,比如具有倾斜的边缘或不对称的形状。
超透镜的制造要求甚至比非常简单的微芯片还要低,因为它们只需要一个光刻掩模,这使得超透镜更不易出现缺陷,成本也更低廉。此外,光学超表面的特征尺寸以数百纳米为单位,而代工厂习惯于制造小于10 nm的芯片。
与塑料透镜不同,超透镜可在生产其他智能手机芯片的同一家代工厂生产。这意味着它们可以直接在现场与互补金属氧化物半导体(CMOS)相机芯片集成,而不必运到另一个地方,这进一步降低了成本。
2022年,意法半导体宣布将Metalenz的超表面技术集成在其FlightSense模块中。前几代FlightSense已用于150余种型号的智能手机、无人机、机器人和车辆,以探测距离。
现在超透镜技术(在近红外波长下工作)的最突出效果在于距离感知。对于此项应用,许多消费电子公司使用飞行时间系统,该系统有两组光学器件:一个发射光,一个接收光。
以往用于发射的光学器件更为复杂。该技术需要多个透镜,它们将收集的激光转换成平行光波,光学工程师称之为准直光束;还需要一个衍射光栅,将准直光束变为点阵场。单个超透镜便可取代所有的发射和接收光学器件,节省了设备空间并降低了成本。
在照明条件不良的情况下,超透镜能很好地完成点阵场的工作,因为与传统透镜相比,它可用较少的能量照亮大片的区域,将更多光引导至所希望的位置。
传统的成像系统最多只能收集物体的空间位置、颜色、亮度等信息。
然而,光还携带着一种信息:光波在空中传播时的方向,即偏振。未来的超透镜应用将利用该项技术能力的优势,检测光的偏振。
物体反射光的偏振传递了该物体的各种信息,包括表面纹理、表面材料类型,以及光线在反射回传感器前穿透该材料的深度。在开发超透镜之前,机器视觉系统需要复杂的光学机械子系统来收集偏振信息。这些系统通常会在传感器前使用一个旋转的偏振器,偏振器的结构像栅栏一样,只允许以特定角度定向的波通过。然后,监测旋转角度如何影响到达传感器的光量。
相比之下,超透镜不需要栅栏,所有入射光都能通过。然后,使用单个的光学元件,基于光的偏振,将光定向至图像传感器的指定区域。例如,若光线沿x轴偏振,超表面的纳米结构将把光引导到图像传感器的某个区域。若光线沿x轴45度偏振,光将被引导至别的区域。然后,软件可以用所有偏振状态信息重建图像。
利用这项技术,我们可以用集成在智能手机、汽车甚至增强现实眼镜中的微型偏振分析设备取代昂贵的大型实验室设备。智能手机的偏振仪可以用于鉴别戒指上的石头是钻石还是玻璃,混凝土已经硬化还是需要更多时间,一根昂贵的曲棍球棒是否值得购买,是否存在微小裂缝等。微型偏振仪可以用来检测桥的支撑梁是否有倒塌的危险,道路上的斑块是黑色的冰还是潮湿的水渍,一片绿色是灌木丛还是隐藏坦克的油漆。
此类设备还可以帮助实现防欺诈面部识别,因为光从一个人的2D照片上反射的角度不同于3D面部,从硅胶面具上反射的角度也不同于皮肤。手持偏振仪还可以改善远程医疗诊断,例如偏振可用于检查组织肿瘤病变。
超透镜(Metalenses)是使用超表面来聚焦光线的平面透镜。超表面是一系列人工天线,可操纵入射光的光学响应,包括其幅度相位和偏振。超透镜技术为镜头提供了一系列新的轻量化设计选项,而且表面的平坦特性还有助于避免传统曲面镜头中常见的图像变形失真的问题。
超透镜有两种主要的超表面结构——电介质或等离子体。
介电材料用于许多标准光学元件,还可以制备产生亚波长散射的超表面。如果需要,介电材料可用于在入射光脉冲中引入相位延迟,现在有些介电材料还可用于创建无像差、衍射限制、偏振无关的聚焦,并且其可在广泛的带宽范围内工作。
等离子体激元材料有利于电磁辐射的振幅整形,并且可以在很宽的波长范围内使用。材料中的等离激元模式定义明确,可用于制造透镜,并且各种改性(例如添加层以滤除更高阶等离激元模式)也有助于提高最终元透镜的效率。
在设计超透镜时,必须考虑表面散射点的几何形状。每个元单元都会影响电磁辐射的特性,必须仔细设计以避免传统的镜头问题。
已经有短波长光刻装置利用超透镜可实现的亚衍射聚焦来提高仪器的空间分辨率。然而,制造超透镜以照亮更大的区域并提高许多超透镜光学器件的效率仍然存在一些挑战。
超透镜(Metalenses)又称超构透镜。是一种二维平面透镜结构,是由超表面(具有亚波长厚度的平面二维 (2D) 超材料)聚焦光的光学元件制成。被誉为2019年十大新兴技术之一。
超透镜拥有体积更薄、重量更轻、成本更低、成像更好、更易集成的优点,为紧凑集成的光学系统提供了潜在的解决方案。并且可通过调整结构的形状、旋转方向、高度等参数实现对光的偏振、相位和振幅等属性进行调控。

超透镜的设计原则是基于超表面的两个特殊特征:超表面相位分布的选择和纳米尺度结构的几何设计。可以通过几何结构的设计和制造来实现对光波特性(包括相位、幅度和偏振)的控制,调整亚波长结构的轮廓、位置和角度,从而控制超透镜的聚焦和成像特性。
超透镜是利用人造亚波长单元结构在传统介质上进行波前调控的光学器件。
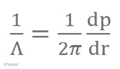
Capasso在《Light Propagation with Phase Discontinuities: Generalized Laws of Reflection and Refraction 》一文中是利用费马原理进行的推导,费马原理即指光程的稳定性,公式见下式,其中最左项积分式代表光程,可等效于中间积分式的中的相位积累。
而超表面则是在传统两介质之间上加入了一个个间隔小于波长的离散相位点
,其中
为引入点的坐标,因而上式的中的积分等效为了以下形式
对于一维折射形式,红蓝两线光程差为下式左侧,其中
可认为是突变相位与路径相位差的和值,但由于红蓝两路径相距够近时后者可忽略,因而可理解为突变相位,由于光程的稳定性,红蓝两路线光程差应该为0,即等式右侧。


通过上式进行化简就可以得出如下公式,可见折射不仅与两介质折射率相关了,还与引入的突变相位在整个介质面上的等效梯度有关。对于反射形式可采用反射折射率等效法变化下式即可。一般超透镜的设计就是利用调控该梯度进行设计。
另一种思路则是超表面上的每一单元是对理想相位面空间分布的采样,因而也需要满足奈奎斯特采样的限制,即相邻两单元所需相移不能大于
。
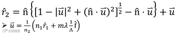
至于单元结构引入相移的原理则是对于金属而言是等离激元等(个人了解不多),对于电介质一般是将单个单元结构视为波导,光束在电介质单元中会经历额外的传播相移。一般是使用改变单元结构的一些结合参数来控制相移,例如参考[1]中的V形天线就是利用两臂夹角和两臂长度,而对于参考[2]中的结构则是通过改变柱体柱高和直径。
目前,Metalens已经可以聚焦整个光谱,支持多色彩显示(包括白色),达到普通透镜的效果。未来,会与LCD光源集成,制成完整的光学模组。
超透镜有三种基本相位调控方法:共振相位调控、传播相位调控、几何相位调控(又称PB相位调控)。
共振相位调控是通过改变共振频率来实现相位突变,共振频率由纳米级结构的几何形状控制。但因为共振相位超表面通常由金、银、铝等金属材料制成,不可避免引起欧姆损耗,难以实现高效率的光场调控。而由低损耗的介质材料制成的超表面透镜可有效解决此问题。
传播相位是由于电磁波在传播的过程中会产生光程差,利用这一特性可实现对相位的调控。相位调控(φ)由光程差调节,其中波长为λ,介质的有效折射率为n,电磁波在均匀介质中传播距离d(结构的高度) ,其中k0=2π/λ 为自由空间波矢,则电磁波积累的传播相位可以表示为:
在微纳米结构高度固定时,可通过微纳米结构的形状、尺寸和结构单元周期等进行调节基于传播相位原理设计的超透镜,通常由各向同性的微纳米结构构成,具有高度对称的特点。因此赋有超透镜偏振不敏感性,即微纳米结构的相位响应与入射光的偏振类型无关,适用于大多数应用场景。
几何相位是一种通过调整具有相同尺寸微纳结构的旋转角度,实现光波的相位突变,从而实现对相位梯度或分布的人工控制,因此极大地降低了设计和加工超表面的复杂性。几何相位调控的优点在于它并不受材料色散、结构尺寸以及结构共振的影响。
为了实现聚焦透镜功能,使所有光线达到同一个焦点,平面超透镜的相位应该满足:
,其中λ为波长,f为焦距,x和y是相对于超透镜中心的空间坐标。可以算出每个位置对应的相位,通过超表面实现这样的相位分布设计超透镜。
前面分别介绍了三种超构表面的基本相位调控原理,然而,任何单独的相位调制都无法实现消色差成像或全彩色成像。在实际应用中,制作超透镜时通常会混合两种或以上的原理实现相位调控。
超透镜的聚焦效率是成像和传感应用的关键。通过抑制1) 由具有波长尺度尺寸的结构引起的散射,2) 由阻抗失配引起的反射,以及3) 由材料损耗引起的材料吸收,可以提高超透镜的聚焦效率。共振、几何和传播相位机制可用于增强聚焦性能。
超透镜作为一种衍射光学器件,与其它衍射透镜一样,其自身也存在着严重的色差。尽管这类透镜能够在较宽的光学波段工作,然而色差的存在严重限制了在光学聚焦和成像当中的应用。特别是对于光学超分辨平面超构透镜,如何在实现超分辨点光学扩散的同时,消除平面超构透镜的色差还面临着诸多挑战。
-
多波长消色差超透镜,基于低损耗耦合矩形介电谐振器的超透镜;
-
宽带消色差超透镜:不同超透镜的构建模块和强度分布;
-
具有多个焦点的聚焦透镜是重要的光学元件。在多光谱相机中,使用多个镜头来实现多点聚焦,导致设备体积大、重量大、成本高。超表面通过专门的设计可以有效解决这个问题,可以简化光学系统的结构,具有薄型化、小型化和高集成度等特点。

光刻是一种结合了曝光和刻蚀的工艺。将带有设计图案的掩模放置在涂有光刻胶的基板上。在特定光源的照射下,光刻胶被化学改性。在显影和刻蚀之后,在基板上形成微米和纳米级的图形层。光刻工艺一般包括基板加工、基板涂布、旋转光刻胶涂布、软干、曝光、显影、硬干、蚀刻和测试。
光刻技术具有高分辨率,可以精确控制形成图案的形状和尺寸。它在半导体和微电子制造、光学 、生物学、超材料等方面有着广泛的应用。但其应用受限于设备成本高、使用环境要求高、合适的材料有限等。
利用电子束,通过改变抗蚀剂的溶解度,直接在覆盖有抗蚀剂的表面上写入设计图案。电子束光刻技术是目前已知分辨率最高的光刻技术,分辨率已经到达了10 nm以下。具有超高分辨率以及无需光刻掩膜板的优点,其缺点有:
3.曝光速度较慢。因此此技术多应用于制作光学投影光刻模板、设计验证新光刻技术、实验研究、原型验证等方面。
飞秒激光直写光刻,也称为双光子光刻或双光子聚合(TPP),是指飞秒激光束聚焦在感光材料内部,通过光引发剂,引发聚合反应,通过控制激光焦点的移动形成微/纳米结构。飞秒激光具有高精度、高灵活性和真三维加工等特性,可以制造任意形状的精密3D微结构且无需光学掩膜,目前最小的特征尺寸可以达到10 nm。
纳米压压印技术(nanoimprintlithography,NIL)是一种制作纳米级图案的微纳加工工艺。是将具有纳米级尺寸图案的模板通过某种方式将图案作用到高分子材料的衬底上进行等比例压印复制图案的微纳加工工艺。
纳米压印是加工聚合物结构最常用的方法。拥有成本低、工期短、产量高、分辨率高等优点。
成熟且常用的纳米压印技术工艺主要有:纳米热压印(T-NIL) 技术、紫外光固化压印( UV-NIL) 技术和微接触印刷( μCP)。
大多数传统的透镜设计使用凸面或凹面形状来聚焦或扩展入射光束。虽然可以在光轴上实现近乎理想的聚焦,但所得图像可能会因穿过透镜其他区域的光而失真。图像角落的桶形和枕形失真是最常见的一些。
校正镜头像差通常意味着创建定制镜头或多个光学组件,这会增加设备的重量和体积。如果设备需要改变焦点位置或平移光束,则还需要移动透镜组,这可能会进一步导致系统不稳定。
衍射透镜与传统透镜设计相比具有一些优势,因为它们是扁平的并且相对容易以低成本制造。然而,这些镜头的显着缺点之一是存在高阶衍射光线,从而限制了可以实现的图像质量,尤其是在高精度的成像领域。
相比之下,超透镜的设计更加灵活,并且不会出现透射图像中存在更高衍射级的相同问题。目前研究人员都聚焦于为超透镜研发更多的新型表面,这些表面将允许平面透镜改变其聚焦位置,而无需物理改变光学系统中任何组件的位置。许多光学系统由于需要运动光学组件而存在不稳定问题,这限制了它们在手持设备或车载自动驾驶汽车等移动领域的应用。超透镜可能是一个非常方便实际的解决方案。
1.折射率足够高(可达2.4),甚至可以控制光线的基本属性,比如限制光线、光线两极化和阶段、振幅;
4.厚度仅600 nm(普通透镜厚度的1/5000),便可将光线波长降低一半(约0.5 μm),可与普通眼镜片集成;
单片超透镜有很多机会取代其复杂的传统等效物,正如基于超透镜的各种应用(如三维成像、实时偏振成像和光学模拟计算)的最新进展所示。尽管到目前为止已经取得了巨大的进展,但是基于超透镜的成像系统在可以实际开发之前,仍然还需要克服几个障碍。
由于基本相位离散化和衍射限制,高聚焦效率对于高数值孔径超透镜来说是一个挑战。超透镜的突破性宽带消色差特性受到一些基本约束、设计限制和制造挑战。此外,应控制超透镜参数和像差校正能力的冲突。关于多功能超透镜,整体效率不仅受到功率有效分量的限制,还受到子单元间串扰的限制。平衡不同焦点之间的性能也是一项艰巨的任务。此外,传统设计方法的局限性、电介质超透镜的放大以及集成设备的方法等共同的挑战正在阻碍电介质超透镜集成系统的进一步发展。
反过来,这些挑战为超透镜提供了一些可能的未来发展方向:
2.多功能和可重新配置的超透镜,可以取代传统光学的复杂配置;
通过解决超透镜目前面临的挑战并结合非局部光学技术,可以预计基于超透镜的成像系统将越来越紧凑,并在未来的应用中得到广泛应用,从消费摄影和自动驾驶汽车的相机模块到AR/VR/MR和机器视觉的可穿戴显示器,到生物成像和内窥镜检查,再到信号处理和光学计算。
武汉宇熠展示了使用OpticStudio设计衍射光学元件(DOE)和超透镜(metalens)的过程,讨论了相位面和局部光栅的概念。主要目的是为刚接触这个课题的设计者提供一个起点,看看OpticStudio有哪些方法可使用。
对包括 DOE/metalens 在内的系统进行模拟和设计总是很棘手,没有通用的方法来处理所有情况。设计师需要根据具体情况决定其设计策略。许多情况下设计过程中需要两种不同的光学理论/算法来分别处理光束在自由空间和微观结构中的传播[1-3],而也有一些设计单纯只使用光线追迹来实现。[4]
1. 相位 -> 微结构 -> 实验验证
在这一过程中,用户首先将DOE/metalens等效为其对应的相位面来在OpticStudio中用光线追迹的方法进行设计。然后根据得到的相位分布来设计微结构。下图显示了该过程的流程图。该图不包括设计的细节,例如,微结构可以是传统闪耀光栅或现代超透镜。根据微结构的类型,所需的设计和制造方法可能非常不同。

在OpticStudio中设计 DOE/metalens 的一种工作流程
这种方法的缺点是,设计者可能无法检查整个系统的性能。例如,没有办法检查考虑所有衍射阶数的真实点扩散函数(PSF)。同样,尽管可以追踪来自 "非工作 "阶数的光线,但没有计算出衍射效率,因此无法知道杂散光的能量占比。
2.相位分布 -> 微结构 -> 用 POP+FDTD 验证
为了解决前一个过程的缺点,即在制造前不能模拟整体系统的性能,物理光学传播(POP)和FDTD可以用来精确计算PSF。这种方法主要用于平面metalens设计。Zemax OpticStudio不包括FDTD引擎,但是,参考文献[3]显示了一个将Lumerical FDTD和Zemax OpticStudio整合到这个过程的例子。下图强调了这个过程的概念。
在OpticStudio中设计DOE/metalens工作流程的加强版。在制造之前,设计者可以使用POP和FDTD来检查最终的PSF
当系统只包含一个metalens时,设计者可以首先在Lumerical FDTD中建模一个平面波入射到metalens,经过metalens的电场分布被导出为ZBF文件,并进一步导入OpticStudio POP中以评估最终的PSF。
然而,当metalens被放置在透镜之间,并且入射到metalens的光束不是平面波时,设计者可以在POP中先以平面波开始模拟。光束在POP中传播到metalens 的前表面,并以ZBF文件导出。然后,ZBF被导入FDTD作为一个光源,并被传播通过metalens。该过程的其余部分与之前讨论的相同。
这个过程的一个缺点是,由于需要强大的运算能力和资源,FDTD不能处理大尺寸的镜头。另外,这种方法只能模拟每个单独视场的PSF,像图像模拟或相对照度此类分析是不行的。
3.参数化DOE的Sag ->用 FFT/惠更斯Huygens PSF进行光线追迹
若不使用相位面来表征DOE,也可以直接在序列模式下对详细的闪耀光栅Sag 进行建模,用传统的光线追迹和FFT和Huygens PSF等分析方法来设计DOE。这种方法只有在DOE光栅常数的数量级远大于波长时才有效(因为接近波长时矢量衍射效应很强)。由于这个原因,这种方法不适合用于考虑metalens。参考文献[4]中讨论了一个很好的例子,DOE的Sag分布是由一个方程描述的,生成了类似于菲涅尔透镜的闪耀结构。
除了光栅常数的限制外,这种方法的另一个缺点是,设计者可能仍然需要定制一些工具,以增强OpticStudio提供的功能。例如,目前没有支持参考文献[4]中所述的闪耀Sag的原生面型。用户需要创建自己的序列面DLL,以模拟特殊的表面Sag分布。此外,目前OpticStudio不支持显示横截面PSF,例如,Y-Z 平面,需要一个宏来扫描不同Z位置的PSF并创建参考文献[4]中所述的图。
4.参数化DOE的Sag分布 ->POP
与上述方法类似,可以通过在OpticStudio中利用Sag进行建模来模拟菲涅尔波带片。但对于这种类型的DOE,仅使用几何光线追迹来模拟是不行的。因为表面上没有坡度,所以垂直入射到DOE上的光线不会改变其方向,然而,事实上,垂直入射的光束可以通过适当设计的菲涅尔波带片进行聚焦。这种效应应该由OpticStudio的POP来处理。
下图,在这个系统中,准直光束入射到玻璃板上。在玻璃板的背面,使用菲涅尔波带片表面类型创建了一个同心的二元结构。在布局窗口中,您可以看到光线不改变其传播方向,光束保持准直传播,从物体表面到图像表面。

带有菲涅尔波带片的系统布局
注意,对于这种结构,透镜的最大允许直径可能严格取决于入射光束的相干程度和透镜的焦距。本文将不讨论波带片的设计基准原则。
然而,如果现在用POP对同样的情况进行建模,就会发现光束会在图像表面处聚焦,下图我们从束腰为2.6 mm的高斯光束开始,将光束聚焦为束腰约为0.4 mm的光斑。这个例子表明,这种类型的结构只能用POP进行模拟。

菲涅尔波带片图像平面上的 POP 结果
注意,POP是基于标量衍射理论的,所以它不适合于光栅常数通常为亚波长量级的metalens。
等效相位面是一种被广泛采用的DOE设计方法。它的一大优势是可以自然地与光线追迹引擎一起工作,从而利用OpticStudio中的大多数工具。缺点是,在根据给定的相位面计算得出微结构后,我们目前还没有办法在OpticStudio中考虑衍射效率。相位面提供了足够的信息来计算光线衍射到哪里。然而,并没有关于衍射光线应包含的能量信息。为了获取这个能量信息,我们需要其他工具来计算衍射效率。
下图显示了一个人工晶状体上的衍射表面如何将光线衍射的例子。通过相位图,我们很容易知道每个阶次的衍射光线的方向,目前,每个衍射阶数的衍射效率无法计算。换句话说,我们有可能知道每个衍射阶数的光斑是什么样子的,但是这些阶数的能量分布仍然是未知的。
衍射表面是由Binary2表面表征的。布局中的光线是由DOE衍射的。画出了-1(红色)、0(蓝色)和+1(绿色)阶的光线路径。请注意,还有更多阶没有画出来。
在这一节中,讨论相位面的确定,用相位面进行光线追迹,以及如何推导出微结构。
1.获取相位分布
以下是在许多metalens论文中常见的表征相位面的方程式:
然而,这个公式只适用于小视场(FOV)。对于大的FOV,最佳的相位分布需要在几个视场角和波长之间进行折衷考量。参考文献[1]中有一节解释了在OpticStudio中设计相位面的概念。如果它是离轴设计,相位分布也可以是不对称的[2]。在这种情况下,序列面二元面1(Binary 1)通常是一个很好的选择,但其他相位面,如Zernike Standard相位面也有可能被使用。
2.相位分布和局部光栅的概念
需要了解的一个重要概念是对局部恒定周期光栅的近似。如下(左)图所示,当射线被追踪到一个弯曲的表面时,此处小的局部区域被视为一个平面,根据斯涅尔定律来计算光线的折射。在下(右)图中,一条光线在曲面上碰到了一个周期变化的光栅,在这种情况下,此处小的局部区域也被认为是一个平面,并且光栅的周期被认为是恒定的。这种“局部恒定周期光栅”的近似是一个有用的概念,有助于理解由相位面表示的 DOE 如何与光线追迹方法一起工作。

通过法线表面(左)和 DOE 表面(右)追踪的光线
为了追踪光线通过表面的走向(该表面以相位面描述),首先通过求解相位面的导数来确定 DOE 上任意点对应的局部光栅的周期,如下式所示:
从上述公式中计算出的周期是投影在XY平面上的分量,在下图中,您也可以看到,当周期变小时,相位斜率会变大。

局部光栅的周期和相位曲线
一旦从相位图上确定了光栅的周期,就可以用下面的衍射方程来计算出衍射光线的方向:
3.微结构
一旦设计好了相位面,就可以进一步推导出对应的微结构。有两种不同但相似的方法可以从相位分布中得出对应的微结构。
在metalens设计过程中,通常设计者清楚超原子的形状和它所代表的相位之间的关系。然后根据这种关系和给定的相位分布来布局超原子。[1-3]
对于一些传统的DOE设计,相位分布通常被认为是一个频率分布函数。这样,DOE可以被看作是一个同心圆光栅,其中周期是关于径向距离的一个函数。[5]
这两种解释大致相同,因为两者都在表面上产生周期变化的周期结构。主要的区别是每个单一周期区域的结构是不同的。下图显示了我们可以将一个相位转换为闪耀光栅或超原子。一般来说,metalens有更多的自由度,可以获得更好的效率或实现更多的功能,尽管于此同时它也对设计和制造也提出了挑战。

光栅可以被制作成传统的二元光栅、闪耀光栅或超透镜(metalens)
这里提供了一些DLLs来补充OpticStudio目前还不支持的原生特殊表面类型。这些可能对一些较新的DOE或metalens设计很有用。用户可以从本文的链接中下载它们。下面几节将简要讨论如何使用这些DLLs。
1.us_binary_mix12.dll
这个DLL的功能是实现原生二元面1(Binary1)和二元面2(Binary2)表面的混合。它只支持平面。这对离轴metalens的设计很有用。这个DLL可以通过打开附件Binary2_mix12_demo.zar来提取。
来自 Binary2_mix12_demo.zar 文件的系统布局
2.us_asp30_bin30.dll
这与原生二元面2(Binary 2)表面基本相同,只不过它支持非球面项数到30阶,而不是原生二元面2(Binary 2)表面的16阶。如果用户想在高阶非球面镜片上设计 DOE 或metalens,这很有用。这个DLL可以通过打开附件 test_asp30_bin30.zar 来提取。
3.us_binary2_metalens.dll
这个表面与原生二元面2(Binary 2)表面相似,但有一些区别。它只支持平面,并且只有10阶以下的相位项。这个曲面允许不同的波长对应不同的相位分布。参数被命名为Wxry,其中x是波长数,y是二元面2(Binary 2)相位项数。如果metalens被设计成对不同的波长有不同的响应(相位分布),那么这个面就很有用。请注意,这需要特定的设计,以使metalens对不同的波长有不同的表现。在使用这个DLL之前,请向metalens设计者咨询。
us_binary2_metalens.dll 的部分参数
文章介绍并讨论了4种不同的DOE和metalens的设计过程。详细解释了使用相位面来模拟衍射光学的概念,还提供了3个DLLs供用户下载。这些DLL是为模拟特殊的衍射光学情形而定制的,目前OpticStudio的原生表面类型不支持这些衍射光学情形。
[1] Chen, W.T., Zhu, A.Y. & Capasso, F. Flat optics with dispersion-engineered metasurfaces. Nat Rev Mater 5, 604–620 (2020). https://doi.org/10.1038/s41578-020-0203-3
[2] Faraji-Dana, M., Arbabi, E., Arbabi, A. et al. Compact folded metasurface spectrometer. Nat Commun 9, 4196 (2018). https://doi.org/10.1038/s41467-018-06495-5
[3] https://support.lumerical.com/hc/en-us/articles/360042097313-Metalens-Zemax-Interoperability
[4] Anna Nemes-Czopf, Dániel Bercsényi, and Gábor Erdei, "Simulation of relief-type diffractive lenses in ZEMAX using parametric modelling and scalar diffraction," Appl. Opt. 58, 8931-8942 (2019)
[5] RIEDL, Max J., “Diamond-turned diffractive optical elements for the infrared: suggestions for specification standardization and manufacturing remarks”, SPIE Vol 2540 / 257
来源:AIOT大数据
本公众号长期征稿
欢迎大家踊跃来稿
1.文字稿件:技术类、市场类、企业类、产品类等皆可;
投稿通道:邮件标题统一命名为“投稿+文章标题”的格式文章用word附件或者文章链接,发送至邮箱tangjingping@oeshow.net;或者电话/微信联系18043761229,备注“投稿”即可。
本文注明来源为其他媒体或网站的文/图等稿件均为转载,如涉及版权等问题,请作者在20个工作日之内联系我们,我们将协调给予处理。最终解释权归光电汇所有。