张颖1,罗庆春1,朱泳健1,2,罗奕然1,刘列1,2*
1 深圳市通用测试系统有限公司 深圳 518102
2 湖南大学电子与信息工程学院 长沙 410082
电磁干扰(EMI)是电子、电信、通讯、网络、雷达等系统在工作中常见的一种电磁污染现象。在通信领域,OTA(Over-The-Air)测量对象更多的向小型移动终端发展,同时用于OTA测量的平台——微波暗室,对纯净电磁环境的要求也越来越高。吸波材料是一类具有吸收电磁波,减弱杂波对系统干扰的材料,因而广泛的应用于各种测量暗室及其他电磁屏蔽领域。
吸波材料种类繁多,按其吸波剂电磁波吸收机理可分为:电阻损耗型、介电损耗型和磁损耗型【1】。暗室用吸波材料主要有吸波泡沫和吸波橡胶两大类,前者是硬质或软质电阻损耗型泡沫复合材料,后者多为磁损耗型橡胶复合材料。然而,泡沫吸波材料多为金字塔形,尺寸较大,且其吸波性能与材料高度成正比,这对材料使用的空间有限制。吸波橡胶常见的形态为吸波贴片【2,3】,由于是平板结构,材料一般具有较窄的频宽。为满足吸波材料“质量轻、厚度薄、频带宽、吸收强”的特点,研究者做了大量工作,包括采用蜂窝角锥结构【4,5】,调整吸波材料的厚度或是吸收剂种类和用量来扩展频宽和提高吸收强度【6-9】。此外,采用电阻片制备阻抗渐变结构体和超材料也能改善材料的吸波性能【10,11】。这些改善措施从工艺及经济角度上存在一定程度的制约。
羰基铁是一种常用的磁损耗吸波剂,广泛的应用于磁流变液【12,13】,电感铁芯【14】以及电磁波吸收材料【15-18】。羰基铁独特的洋葱头结构使其具有较高的电磁性能,且其电磁参数可通过加工工艺调整,得到较好的吸收效果【19,20】。将羰基铁分散在橡胶聚合物基体中,通过结构设计,可制备一种小型的阻抗渐变吸波体。这种结构结合了大型泡沫材料的几何锥体的优势与橡胶平板材料的柔性优点,同时通过仿真优化,得到的吸波材料具有体积小、吸收强、易加工、可定制等特点,能适用于有限空间的测量环境。
2.1、原料及仪器
双组份硅胶S(深圳红叶杰科技有限公司),羰基铁1#(成都核八五七新材料有限公司),羰基铁2#(江苏天一超细金属粉末有限公司),羰基铁3#(BASF化工有限公司);电动搅拌器,真空烘箱,波导测试仪
2.2、硅橡胶-羰基铁复合材料的制备
双组份硅胶S为加成型硅胶,其中A、B组份在常温下为透明液态,流动性好,粘度约1000mPa.S。AB组份混合后加热或室温放置可固化成型,无副产物产生,友好环保。羰基铁为无机球状粉体,具有较好的磁损耗性能。将羰基铁分散在硅胶的A组份中,机械搅拌均匀,再加入硅胶B组份,搅拌均匀得到浆料;倒入模具,抽真空后在140℃加热15min固化成型,得到硅橡胶-羰基铁复合吸波材料。
2.3、材料形貌分析、电磁参数及反射率测试
羰基铁及复合吸波材料的微观形貌采用扫描电子显微镜(SEM)观察;电磁参数测量采用精密波导夹具,仪表选用是德科技(前身为Agilent Technologies) 高性能PNA系列网络分析仪 N5230A,校准类型为TRL,使用精密NIST算法进行计算。反射率测量采用了自由空间法测量,天线将微波能量聚焦在材料,可测量大尺寸吸波材料的反射率。
3.1、形貌分析
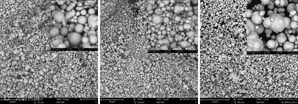
羰基铁粉是通过热解羰基铁得到的铁粉,由于其生产工艺特殊,羰基铁粉呈“洋葱头”球状结构(如图1a)。这种结构在磁场作用时可以阻止磁畴边界的不可逆移动,涡流也不能以切线方向传播到某个铁粉颗粒的通信葱头层上。因而,这种羰基法生产的铁粉的具有很高的电磁性能【19】。

图1a
图1b-1d分别为羰基铁1#,2#,3#的SEM图片。可以看出,三种羰基铁均成球形,且存在不同尺寸分布。1#羰基铁的平均粒径为4-6um,2#羰基铁平均粒径为3-4um,3#羰基铁平均粒径为3-5um,这种微米级的颗粒,有一定的团聚现象。图2可以看出,球形羰基铁在硅胶中分散良好,被硅胶均匀粘结,复合材料具有均一性,保证了稳定的电磁性能。

图1b 、 图1c 、 图1d

图2
3.2、电磁参数测量
复合材料电磁性能的测试采用了厚度为3mm的片材。图3和图4给出了不同体积分数吸波剂的硅胶-羰基铁复合材料(硅胶S+羰基铁1#)的特征电磁参数。由图3a和3b曲线可以看出,随着吸波剂体积分数从32%增加到40%,材料的复磁导率实部和虚部均呈增大的趋势,u’由2.0增加到2.5,u”由1.0增加到1.5;而随着频率的增大,磁导率实部逐渐减小,虚部在较窄的频段内无明显变化。同样,图4a和图4b给出了复合介电常数的曲线图。当体积分数增加到40%时,复介电常数实部由11增加到16.5,;由于材料是非电损耗型,介电常数虚部基本为0。这种电磁参数随吸波剂体积参数变化的趋势也被其他实验研究所证实【6,16】


图3a 、 图3b


图4a 、 图4b
当吸波剂体积分数一定时,对于不同吸波剂,材料的复磁导率如图5a和图5b。1#和2#羰基铁的磁导率实部相当,u’随频率增加由3.7逐渐减小到2.0,3# 羰基铁u’略高,由3.8减小到2.5。三种铁粉的磁导率虚部为1#>2#>3#,u”数值减小平缓,随频率增加略有降低。3#羰基铁的介电常数实部为14左右,明显低于1# 羰基铁的24和2#羰基铁的25,如图6a。这是由于不同厂家的生产工艺略有不同造成,3#羰基铁颗粒表面进行了SiO2抗氧化包覆处理,因而导电性能较低。三种羰基铁粉介电常数虚部为0,如图6b所示。


图5a 、 图5b


图6a 、 图6b
3.3、反射率测试
几何角锥形状是吸波体常见的结构,当电磁波从自由空间入射到吸波体时,这种锥形结构能够较好的实现材料对电磁波的阻抗匹配,避免了电磁波在材料前表面的反射。同时,对进入吸波材料内部的无线电波,材料通过羰基铁的磁损耗将电磁波吸收衰减。根据样品电磁参数的测试,优化原料配比,我们选取了双组份硅胶S和1#羰基铁为基材,吸波剂体积分数为42%,然后通过HFSS仿真设计,制备了角锥型复合吸波材料,并对吸波材料的尺寸进行了优化。同时,也将该尺寸的产品与同体积的单层、双层平板结构进行了对比。试验设计的角锥如图7所示,角锥底座高度L、宽度W以及锥体总高H对材料的电磁波反射性能均有影响。

图7
不同底座高度L。从图8可以看出,当锥体的W,H均不改变时,L由1.5mm增加到2.5mm时,材料的第一个谐振点由3GHz偏移到2GHz,且反射率由-26dB增大到-22dB;第二个谐振峰不是很尖锐,但也明显看出由7GHz偏移到6GHz,反射率没有明显变化。表明锥体底座高度的改变对材料相对低频的电磁波吸收较敏感。

图8
不同底座宽度W。图9给出了锥体L,H不变时,改变W材料的反射率曲线。可以发现,W由4mm增大到6mm,8mm时,第二谐振峰从非常显著的7.5GHz下-37dB反射率变为平缓的7GHz下的-17dB和6GHz下的-12dB反射率;而第一谐振点及峰值均没明显变化。这表明底座宽度的改变对材料相对高频的电磁波吸收较敏感。

图9
不同锥体总高H。几何尖锥虽然很好的达到了阻抗匹配,但其尖端不便于加工,一般都将锥体顶部设计成平台或曲面。为此,我们通过顶端曲面设计控制锥体的高度,具体设计是用不同半径R的球去内切锥体顶部从而得到带曲面的顶端。图10给出了不同半径球体改变锥体总高H的曲线。L,W一定,随着球半径R的增大,即锥高H的减小,吸波材料第二谐振点有向高频偏移的趋势,峰值反射率由-22dB单调递增为-5dB,而第一谐振点变化较小,峰值在R为3mm时突变。

图10
不同形状。试验对比了底面积不变,相同等效高度(5mm)的单层、双层平板和角锥的反射率,如图11。可以看出单层平板具有一个特征吸收峰,双层平板属于阻抗梯度变化,而角锥属于阻抗渐变体,后两者反射曲线具有多个特征峰,扩展了频宽。三种结构表明了一种趋势,在等效高度一样的情况下,角锥具有更好的吸收性能。

图11
根据以上仿真设计,我们选取了几何最佳尺寸,即L=2mm,W=6mm,H=10mm(R =1.5mm)进行了材料制备,并将仿真数据与实测数据进行了对比。由图12可以看出,实测数值与仿真数值基本一致,吸收频点略有偏移;实际测量的反射率在高频优于仿真值。表明计算机仿真能够有效地指导材料的制备,使实验探索更具方向性。材料在2-18GHz内有很好的吸收,基本全频段处于-10dB以下。在2.4 GHz和7.4GHz分别达到-22dB和-27dB的反射率。

图12
移动终端的小型化(如手机、平板电脑、音乐设备等)推动了小暗室有源测试的发展,这类测试应用具有测试速度快、建造成本低,费效比高的优点,是一种小型化快测系统应用。通过计算机仿真指导材料设计与制备,我们得到了一种小型角锥橡胶吸波材料,该材料体积小,吸收强,特别适用于小型或微型暗室,材料具有以下特征:
(1) 几何角锥的各个维度的尺寸对材料的吸波性能有影响,角锥底座高度对低频反射率影响较大,底座高度和锥体总高对高频反射率影响较大。
(2) 对于给定的电磁参数,材料在满足无线通信频段内,优化后角锥的最优尺寸为L=2mm,W=6mm,H=10mm。
(3) 橡胶角锥的吸波性能优于同等材质的单层和双层平板结构。
(4) 通过调节原料配比,可根据需求设计不同频段的吸波材料。
参考文献
【1】L.B.Kong, Z.W.Li, L.Liu ,etal. Recent progress in some composite materials and structures for specific electromagnetic application [J].International Materials Review. 2013, 58(4): 203-259
【2】段海平,李国防,段玉平等. 橡胶基复合贴片的电磁性能研究[J]. 表面技术. 2010, 39 (5): 61-64
【3】冯永宝,丘泰,李晓云等. 羰基铁/三元乙丙橡胶复合材料的吸波性能[J]. 材料科学与工艺. 2008, 16 (4): 589-592
【4】邢丽娜,刘俊能. 蜂窝夹层结构吸波材料研究[J].材料工程. 1992, (6):15-18
【5】赵宏杰,嵇培山,胡本慧,等.蜂窝夹层复合材料的吸波性能[J]. 宇航材料工艺,2010,(2):72
【6】Y.B.Feng, T. Qiu, C.Y.Shen, etal.Electromagnetic and Absorption Properties of Carbonyl Iron/Rubber Absorbing Materials [J]. IEEE Transactions on Magnetics, 2006,42(3):363-368
【7】Y. P. Wu, C. K. Ong, Z. W. Li,etal. J.WangMicrostructural andhigh-frequency magnetic characteristicsof W-type barium ferrites doped with V2O5 [J]. Appl. Phys.2005, 97, 063909.
【8】Y. P. Wu, C. K. Ong, G. Q. Lin and Z. W. Li. Improvedmicrowave magnetic and attenuation properties due to the dopantV2O5 in W-type barium ferrites[J]. Phys. D: Appl. Phys., 2006, 39:2915–2919.
【9】B. Wang, J. Wei, Y. Yang, T. Wang and F. Li. Investigation onpeak frequency of the microwave absorption for carbonyl iron/epoxy resin composite [J]. Magn.Magn.Mater.2011, 323: 1101–1103.
【10】邢丽娜,刘俊能. 电阻渐变型结构吸波材料的研究与发展[J]. 航空材料学报,2000,20(3):187-191
【11】L.K.Sun, H.F.Cheng,Y.J.Zhou,etal. Low-frequency and broad band metamaterial absorber: design, fabrication, and characterization [J]. ApplPhys A .2011, 105:49-53
【12】K. Butter, A. P. Philipse and G. J. Vroege, Synthesis and properties of iron ferrofluids[J]Magn.Magn.Mater.2002, 252:1–3
【13】S.T.Lim,M.S.Cho, I.B.Jang, etal.Magnetorheological characterization of carbonyl iron based suspension stabilized by fumed silica [J]Magn. Magn.Mater.2004, 282: 170-173
【14】A.Tailor, A.Richards, Soft Magnetic Materials for Telecommunications, Press. L,1953.
【15】S.S.Kim, S.T.Kim, Y.C.Yoon, etal. Magnetic, dielectric, and microwave absorbing properties of iron particles dispersed in rubber matrix in gigahertz frequencies [J]. J.Appl.Phys. 2005, 97, 10F905
【16】M.A.Abshinova, A.V.Lopatin, N.E.Kazantseva, etal. Correlation between the microstructure and the electromagnetic properties of carbonyl iron filled polymer composites [J]. Composites:Part A, 2007,38:2471-2485
【17】M.A.Abshinova, I.kuritka, N.E.Kazantseva, etal. Thermomagnetic stability and heat-resistance properties of carbonyl iron filled siloxanes [J]. Materials Chemistry and Physics. 2009, 114:78-89
【18】YC.Qing, WC. Zhou, F.Luo, etal. Microwave-absorbing and mechanical properties of carbonyl-iron/epoxy-silicone resin coatings [J]. Magn.Magn.Mater. 2009, 321:25-28
【19】王炳根.影响羰基铁粉电磁性能的几个因素[J]. 粉末冶金技术. 1996,14(2):145-149
【20】盛玉宝,王相元,钱鉴等. 羰基铁粉介电常数的调控和控制[J].宇航材料工艺,1989,4-5:50-52
本文刊登于微波射频网旗下《微波射频技术》杂志 2016微波技术专刊,未经允许谢绝转载。


