点击蓝字 关注我们 基础知识 原创干货
SUBSCRIBE to US
《零基础入门智能射频》专栏#使用Python+射频搭建一个射频开发架构,将不同的软件连接起来提供一站式服务,提供接口让设计师更专注于业务开发,不再疲惫于学习软件使用操作,让人工智能与射频来一次邂逅,将碰撞出怎样的火花呢,拭目以待吧。
前一段时间来自俄罗斯的网红Wi-Fi天线刷爆了天线圈,其秉承了简单粗暴的工业设计风格,因制作简单、天线性能优的特点,受到了广大爱好者的追捧。我们先来欣赏一下这个神器。

俄罗斯的网红Wi-Fi天线可接收3km外的信号,可以说真的是很给力,很好地解决了Wi-Fi远程通信问题。
神器Wi-Fi天线的工作原理
天线原型
本章节我们探究一下俄罗斯的网红Wi-Fi天线的工作原理,解开为什么能接收3km外信号的秘密,开始我们的分析。
俄罗斯网红Wi-Fi天线的本质是一种八木天线,什么是八木天线呢,如下图所示:

图 2 八木天线
八木天线是一种端射式天线,在二十世纪20年代,由日本东北大学的八木秀次和宇田太郞两人发明了这种天线,被称为“八木宇田天线”,简称“八木天线”,具有良好的方向性,较高的增益,适用于远距离通信。
其振子主要由三种振子组成,分别为导引振子、驱动振子与反射器,所有的这些阵子都固定在传输线上,即中间的金属杆上,见下图。

图 3 实物图
它属于方向性天线,这里的驱动振子与反射器各由一对振子组成,可以看作为偶极子天线,反射器振子的长度会略长于驱动振子。这类天线的典型方向图如下所示:


图 4 八木天线辐射特性
八木天线的方向性可通过增加引导振子的数量得到增强。
八木天线的各个阵子长度的计算公式如下:
(1)反射器长度:L1=150/f
(2)驱动阵子长度:L2=143/f
(3)导引阵子1长度:L3=138/f
(4)导引阵子2长度:L4=134/f
(5)导引阵子3长度:L5=130/f
(6)集合线长度:

从公式可以得出如下结论:
(1)天线的导引振子略短于二分之一波长;
(2)驱动振子等于二分之一波长;
(3)反射器略长于二分之一波长,两振子间距四分之一波长。
工作原理
对于接收Wi-Fi信号,天线的导引振子对感应信号呈“容性”,电流超前电压90°;导引振子感应的电磁波会向驱动振子辐射,辐射信号经过四分之一波长的路程使其滞后90°恰好抵消了前面引起的“超前”,两者相位相同,于是信号迭加,得到加强。反射器略长于二分之一波长,呈感性,电流滞后90°,再加上辐射到主振子过程中又滞后90°,两者加起来刚好差180°,起到了抵消作用。一个方向加强,一个方向削弱,便有了强方向性。
图 5 八木天线工作原理
Wi-Fi天线设计
天线结构
本章节我们在HFSS里面重构一下该Wi-Fi天线,通过软件仿真重现一下该天线的性能。
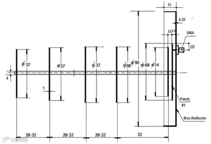
俄罗斯的网红Wi-Fi天线的尺寸如下图所示,其主要由7个圆盘与一根金属棒组成。


图 6 天线结构
七个圆盘的尺寸从小到大分别如下:
1号圆盘直径37mm,2号圆盘直径37mm,3号圆盘直径37mm,4号圆盘直径38mm,5号圆盘直径54mm,6号圆盘直径68mm,7号圆盘直径90mm。
各个圆盘的间距分别如下:
1号圆盘和2号圆盘间隔28~32mm,2号圆盘和3号圆盘间隔28~32mm,3号圆盘和4号圆盘间隔28~32mm,4号圆盘和5号圆盘间隔32mm,5号圆盘和6号圆盘间隔12mm,6号圆盘和7号圆盘间隔12mm。
按照这里给定的尺寸,我们在HFSS中建立Wi-Fi天线模型,如下图所示。

图 7 Wi-Fi天线模型
工作原理
结合第2章节的八目天线工作原理,该Wi-Fi天线的7个圆盘按照功能可划分为三区域,分别是导引振子、驱动振子和反射器。

图 8
工作过程与上述八木天线一样:天线的导引振子对感应信号呈“容性”,电流超前电压90°;导引振子感应的电磁波会向驱动振子辐射,辐射信号经过四分之一波长的路程使其滞后90°恰好抵消了前面引起的“超前”,两者相位相同,于是信号迭加,得到加强。
分析结果
建立模型,设置好参数后进行仿真,得到的结果如下,从图中可看出其具有较强的方向性。

图 9 方向图
该天线的驻波比如下图所示,可以看出与八木天线最大的区别是,该Wi-Fi天线不需要复杂的阻抗变换机构,便可以实现50Ω的馈电,为天线爱好者的动手自制带来很大的便利。

图 10 驻波比
最后给出该Wi-Fi天线的辐射图,最大辐射方向指向导引圆盘,具有大于10dBi的增益,解释了为什么能接收到3km以后信号的疑问。

图 11 Wi-Fi天线的辐射图
图 12 电压动态图
小结
本期我们分析了俄罗斯的网红Wi-Fi天线,得知其实是八木天线的一种变种,工作原理与之相类似,7个圆盘按照功能区可划分为导引振子、驱动振子和反射器三大区域。
但该天线与八木天线也有不同之处,即其可以实现50Ω直接馈电,同时保证具有良好的驻波比。
俄罗斯的网红Wi-Fi天线整体性能优越,具有较高的增益与良好的驻波比,尤其重要的一点是,其制作什么方便,下期我们就地取材,使用易拉罐复刻一款俄罗斯的网红Wi-Fi天线。
基于Python的PCB对数周期天线设计(一) |零基础入门智能射频
零基础入门智能射频——Python与HFSS联合仿真之Bilog对数周期天线设计(二)
零基础入门智能射频(三)——Python与HFSS联合仿真之阵列天线设计(一)
零基础入门智能射频(四)—— PYTHON与HFSS联合仿真之阵列天线设计(二)
零基础入门智能射频——基于泰勒综合法的PYTHON与HFSS联合仿真阵列天线设计
点击名片关注我们-学习更多干货知识



