B端产品是服务于组织,通过帮助组织提高收入、提高效率、控制风险,从而协助达成组织商业目标的系统。一个合格的B端产品或系统,必须是基于业务出发。如何梳理复杂的业务关系?
流程图的基本认知
流程图=流程+图,流程是一系列的逻辑关系(包含因果关系、时间先后、必要条件、输入输出)做需求前一定要先把这些逻辑关系理清楚,用一句话概括的话“流程就是在特定的情境或场景下满足用户特定需要的总结”。
图就是将大脑中的逻辑关系以图形化的形式呈现出来,具有图形化、可视化的特点,因为是图,可以及时的迭代,当逻辑需要修改的时候就拿出来迭代一下,同时可以更好的给项目成员进行沟通和交流。
为什么要画流程图
帮助梳理业务逻辑
每个人想一个逻辑的时候,不一定能把这个逻辑的细枝末节都想到,如果我们贸然的画原型就有可能做许多无用功,这个时候画流程图可以帮助梳理清楚的逻辑。
-
建议开始梳理逻辑的时候可以在纸上画画,可以快速的把脑中的逻辑呈现在纸上,修改起来方便
-
当画好以后然后再用专业的工具画出来保存
便于讨论和传播
团队讨论或开会时,如果有一张清晰的流程图,不仅便于讲解,也便于技术理解。
同频的沟通,能快速地就某个点进行有效讨论。同时把确认后流程图写入PRD文档中也方便传播,当技术忘记流程的时候,查看一下文档里的流程就知道流程了,不用反复确认。
敏捷迭代
对于输出的一个逻辑,不一定能考虑的那么周全,如果有一个清晰的流程图也方便做记录以及修改。
同时每个版本迭代的流程图可能会有相应的变化,通过对每个版本流程图的对比分析,可以知道流程优化在什么地方,产品优化了什么地方。
流程图元素定义
流程图是符号化的图形语言,有一定规范,菱形代表判断,距形代表具体的操作行为、开始和结束用圆角表示。

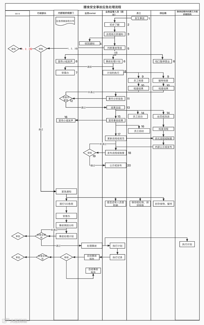
以某行政IT系统为例
分析功能的关系逻辑
1)角色:都有那些人参与功能里(系统也作为一个角色)
如:coo/ceo、行政部长、内部组织或部门、业务owner、业务监管人员(前台)、员工、供应商、除供应商外的第三方组织。
2)事项:这些人分别扮演什么角色,要做什么步骤事情
3)需求或信息的流向:要完成任务的流程顺序是如何?
如:安全事故应急处理流程,需要来源是员工突发的事件。
明确角色关系与任务
-
关系:梳理流程中各个角色的关系,如:谁执行,谁计划,谁审核,谁审批等
-
明确开始与结束的路径

Tip1:流程是可以多进,但是必须是一出,这个是最常见的一个错误,从一个流程直接出到多个下级流程的做法是完全错误的,正确的做法是出到一个判定然后再分别到多个下级流程。
Tip2:流程里的文字描述得是谓词短语,而不能是名词短语,如:提交申请,而不是申请的提交。
Tip3:在画完泳道图后,最好给每个流程、判定、子流程加上序号,方便在和团队沟通的时候用序号来快速定位(注意:一定是在整个泳道图定稿后才加上序号,不要对还在优化修改过程中就加序号,否则很容易把序号搞得很乱)。
梳理陌生的业务前期思路的不清楚,会痛苦挣扎了很久,选择好的工具和一个清晰的思路让梳理业务没那么痛苦~