大数跨境
0
0

「科普」安全阀型号什么看 ?

「科普」安全阀型号什么看 ? 北京华奥兴达技术开发有限公司
2025-12-03
0
导读:安全阀型号通常由阀门类型代号、驱动方式代号、连接形式代号、结构形式代号、密封面材料代号、公称压力代号、阀体材料



安全阀型号通常由阀门类型代号、驱动方式代号、连接形式代号、结构形式代号、密封面材料代号、公称压力代号、阀体材料代号7个单元按顺序组成,各单元用数字或字母表示特定含义,相当于阀门的“身份证”。



 

以常见的弹簧式安全阀型号“A48Y-16C”为例,各单元含义如下:

1. A(类型代号):表示安全阀(A是安全阀的专用类型代号)。

2. 4(连接形式代号):表示法兰连接(4是法兰连接的特定数字代号)。


连接形式代号




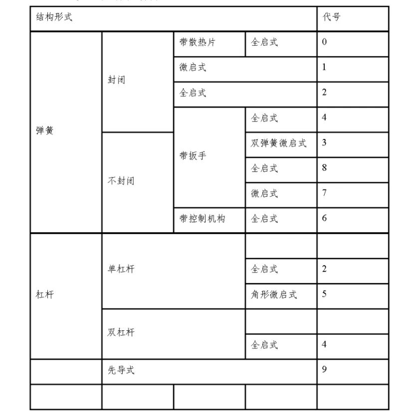
结构形式代号

3.  表示全启式结构(8代表全启式,用于排放量较大的场景)。





密封面及衬里材质代号

4. Y(密封面材质代号):硬质合金(Y)。



5. 16(公称压力代号):表示公称压力为1.6MPa(数字直接表示压力数值,单位为MPa)。


6. C(阀体材料代号):表示阀体材料为碳钢(C代表碳钢,适用于一般工况)。



不同标准(如GB/T 12224)对各单元的具体代号有明确规定,例如结构形式中“1”代表微启式,密封面材料“H”代表Cr13系不锈钢等。

仅供参考


“版权声明:我们的目的旨在行业分享交流,传递行业正能量,讲好与特种设备有关故事,引导行业与公众守法合规。如有侵权请联系我们删除!”

【声明】内容源于网络
0
0
北京华奥兴达技术开发有限公司
安全阀检测设备的资深机构,主要以安全阀在线检测仪、安全阀校验台、安全阀移动式检测站、安全阀研磨装置和工具、阀门检测维修装置和工具的研发、生产和销售,且有技术开发、技术咨询、技术服务和技术培训的业务。
内容 829
粉丝 0
北京华奥兴达技术开发有限公司 安全阀检测设备的资深机构,主要以安全阀在线检测仪、安全阀校验台、安全阀移动式检测站、安全阀研磨装置和工具、阀门检测维修装置和工具的研发、生产和销售,且有技术开发、技术咨询、技术服务和技术培训的业务。
总阅读102
粉丝0
内容829