
追求卓越 开拓创新
VK3音响系统处理器是2023年VK系列中的一款产品,专为KTV以及相关K歌场所而生,具有独创的音色调节功能,可根据音响设备的特性以及听者个人喜好,对音响设备的整体音色进行调节,帮助音响工程师快速准确地调出理想声音。

(VK3音响系统处理器前面板图示)

(VK3音响系统处理器后面板图示)
VK3音响系统处理器的强势驱动力来自M-DSP,其为专业音频处理定制的高性能DSP芯片,性能大幅提升,从容应对更高精度、更加复杂的DSP计算,也能有效避免像初代产品在使用过程中因算力不足导致的调试过程中出现卡顿以及长时间工作下容易程序跑飞,出现死机、乱码、啸叫(严重状况下可致使音箱损毁)等异常情况出现,大大保障了产品使用的稳定性以及安全性。
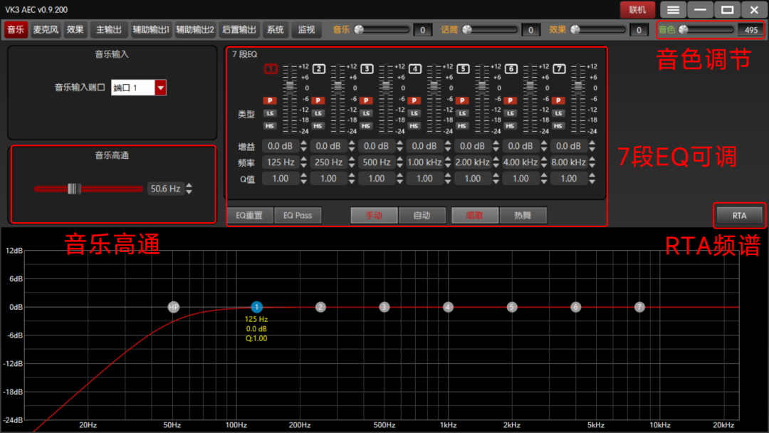
VK3音响系统处理器音乐高通可调,7段EQ可调,具有音色调节功能,应用我们独创的设计,通过控制数据传输的中心频率,从而有效调节系统音色,方便音响工程师将音响系统表现调节至最佳状态;回声和混响效果可调,能有效掩盖人声干、呼吸等相关问题。
VK3音响系统处理器麦克风通过软件移频方式破坏啸叫产生的条件,1-8Hz可调并可关闭,具备高通、低通、压缩器调节及10级噪声门。
VK3音响系统处理器在各通道均设有均衡器可调(9段可调),并设有双引擎压限(以低失真提供强大的系统保护能力,避免音响设备受损)和高通、低通滤波器调节。
VK3音响系统处理器拥有便捷的PC控制软件,支持USB(免安装驱动)、RS232、Wi-Fi或有线网络连接控制设备,引入RTA(音频实时分析)功能,用户不仅可以轻松地控制设备参数,还能实时监测音频输入输出信号电平以及压限器工作状态,调音更快速、准确!

LEIMENG TECHNOLOGY
64Bit计算精度:音频数据处理后保持高保真、高还原特性
音色调节功能:通过控制数据传输中心频率有效调节音色
高性能DSP芯片:强势驱动,从容应对高精度、复杂的DSP计算
DEL双引擎压限:各输出通道均设有,为系统提供强大保护力
人声效果处理:回声和混响效果多参数可调
超低延迟:数字音频数据处理延迟低至0.38毫秒
长时间稳定工作:长时间保持稳定工作状态,工作状态发热低
便捷PC控制软件:多种方式连接控制,引入RTA音频实时分析
音乐输入- 2对模拟立体声RCA端子(2选1)
最大电平(Maximum Level) :14dBu
输入阻抗(Inputlmpedance):24kΩ
麦克风输入-3x 模拟TRS端子
最大电平(Maximum Level):-7.5dBu
最大增益(Max Gain):Analog 22dB/Digtal 11dB
输入阻抗(InputImpedance):50kΩ(非平衡)
模拟输出-6x XLR端子
最大电平(Maximum Level):14dBu
源阻抗(Sourcelmpedance):<50Ω
频率响应(Frequency Response):20-20kHz
动态范围/信噪比(Dynamic Range/SNR):106dB(A加权)
“双引擎”压限总谐波失真+噪声(THD+N):
0.0048%(音乐输入,0dBu@1kHz)
0.0063%(麦克风输入,-22dBu@1kHz)
延迟(Latency):0.38ms(模拟输入-输出@48kHz)
电源(Power):220VAC±10%,20W
尺寸(Dimensions):44 X 420 X 178mm (1U)
重量(Weight):2.5kg(净重),3.1kg(毛重)
www.meng-audio.com

