▲ 更多解读,关注“图图规范”
这期我们来讲飘窗。
飘窗作为一个不计入房价面积的赠送空间,妥妥的成了开发商卖房的一大卖点,因而大量地出现在住宅设计中。但对于设计来说,飘窗是非常难搞的,简直能把设计师“玩儿死”……
今天就来聊一聊“玩儿死”设计师的飘窗,看看设计师是如何绞尽脑汁让飘窗不再是鸡肋、让飘窗不再是脑残设计的,或者说是飘窗的“艰难进化”~
▽▽视频讲解▽▽
《建筑设计防火规范》
条文说明:6.2.5 本条为强制性条文。建筑外立面开口之间如未采取必要的防火分隔措施,易导致火灾通过开口部位相互蔓延,为此,本条规定了外立面开口之间的防火措施。……

飘窗剖面示意图

飘窗实景
图图规范解读:
存在问题:
① 窗台过高,使用不便。
一般正常坐椅子的高度约为43cm,坐于椅子上会比较安全、舒服,高于43cm时,舒适度会下降,安全系数也会降低,比如下方吧台的高度。

座椅高度 示例
② 安全问题上,未考虑护窗栏杆等防护措施。
依据最基本的规范要求下的飘窗存在很多问题,亟需改进。
《民用建筑设计统一标准》
条文说明:6.11.7 凸窗的防护措施是为防止在玻璃被冲击后导致人员高空坠落,防护措施可以采用设置防护栏杆或采用带水平窗框加夹层玻璃的做法。夹层玻璃的选用应符合现行行业标准《建筑玻璃应用技术规程》JGJ 113的规定。
依据《民用建筑设计统一标准》的做法:
① 夹层玻璃

飘窗立面示意图
图图规范解读:
固定窗采用夹层玻璃作为防护,但存在问题:夹层玻璃难找。
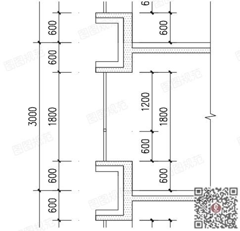
② 500mm高窗台,100mm高外墙翻沿,加600mm高栏杆

飘窗剖面示意图

飘窗立面示意图
图图规范解读:
飘窗台高500mm,100mm高的外墙翻沿,加600mm高的栏杆。
此做法设计相对很舒服、完美,但依据《住宅设计规范》规定,这一做法无法实现。
《住宅设计规范》
5.8.2 当设置凸窗时应符合下列规定:
条文说明:……可开启窗扇窗洞口底距凸窗台面的净高小于0.90m,容易发生坠落事故。所以本条规定可开启窗扇窗洞口底距窗台面的净高低于0.90m时,窗洞口处应有防护措施,其防护高度从窗台面起算不应低于0.90m;

飘窗立面示意图(窗户无法开启)
图图规范解读:
存在问题:高层住宅窗户禁止外开,因此,栏杆过高,导致窗户无法开启,且验收无法通过。

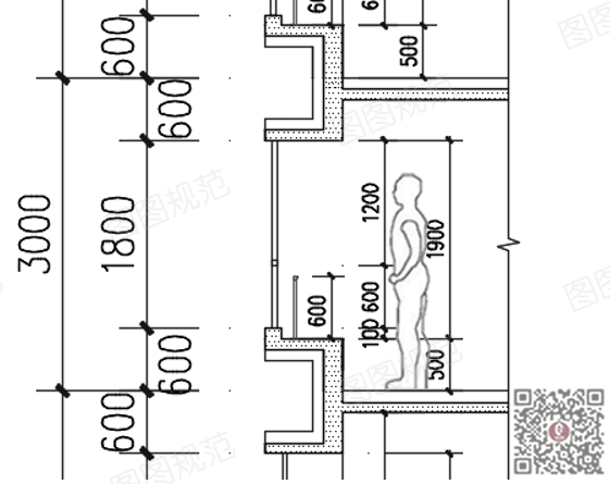
改进做法:900mm高栏杆下,将开启扇抬高▼

飘窗立面示意图

飘窗剖面示意图
图图规范解读:
改进后做法存在问题:栏杆相对过高,影响美观,且视线受阻。
《民用建筑设计统一标准》
6.11.7 条文说明:凸窗的防护措施是为防止在玻璃被冲击后导致人员高空坠落,防护措施可以采用设置防护栏杆或采用带水平窗框加夹层玻璃的做法。

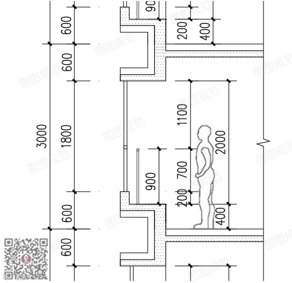
飘窗剖面示意图

飘窗内视立面示意图

飘窗外视立面示意图
图图规范解读:
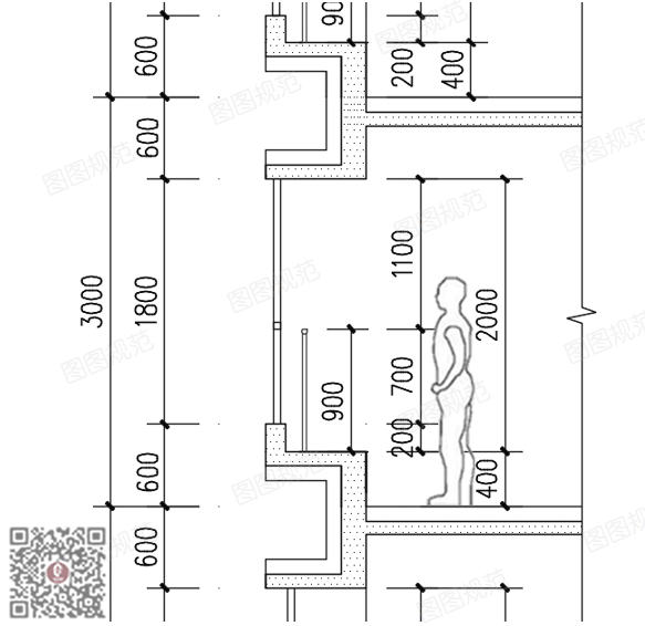
这是最优解决方法:飘窗台面继续降低,400mm高飘窗台面、200mm高外墙翻沿,700mm高固定窗,设置900mm高栏杆。
此做法,开启扇与固定扇比例相对舒服,窗开启不受影响。
但缺点是施工难度比较大。

飘窗实景
《住宅设计规范》
5.8.2 当设置凸窗时应符合下列规定:
2 可开启窗扇窗洞口底距窗台面的净高低于0.90m时,窗洞口处应有防护措施。其防护高度从窗台面起算不应低于0.90m;
《民用建筑设计统一标准》
6.11.7 当凸窗窗台高度低于或等于0.45m时,其防护高度从窗台面起算不应低于0.9m;当凸窗窗台高度高于0.45m时,其防护高度从窗台面起算不应低于0.6m。

飘窗剖面示意图

飘窗立面示意图

飘窗实景
图图规范解读:
从目前来看,各地审图机构认可此做法。
《民用建筑设计统一标准》
6.11.7 条文说明:凸窗的防护措施是为防止在玻璃被冲击后导致人员高空坠落,防护措施可以采用设置防护栏杆或采用带水平窗框加夹层玻璃的做法。……

外置防护栏杆、栏板示意图
图图规范解读:
在窗外加防护玻璃栏板,以达到防护作用,此做法不常见。
关于飘窗,这里还有一个特别容易疏忽的“大坑”,就是飘窗算不算面积?
《建筑工程建筑面积计算规范》
3.0.13 窗台与室内楼地面高差在0.45m以下且结构净高在2.10m及以上的凸(飘)窗,应按其围护结构外围水平面积计算1/2面积。
《民用建筑通用规范》
3.1.6 下列空间与部位不应计算建筑面积∶-1 结构层高或斜面结构板顶高度小于2.20m 的建筑空间;
图图规范解读:
从以上条文可以总结如下:
① 结构净高<2100mm时,不计入面积;
② 窗台高度≥450mm时, 不计入面积。
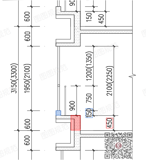
我们再来看不同层高下的飘窗:
3000mm层高时,窗台高400mm,飘窗结构净高为2000mm,飘窗不计面积。▼▼

3000mm层高,飘窗剖面示意图
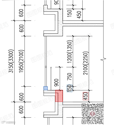
3150mm层高时,窗台高400mm,飘窗结构净高为2150mm,飘窗计面积。▼▼

3150mm层高,飘窗剖面示意图
不同层高下,飘窗不计面积做法:
《建筑工程建筑面积计算规范》
3.0.13 窗台与室内楼地面高差在0.45m以下且结构净高在2.10m及以上的凸(飘)窗,应按其围护结构外围水平面积计算1/2面积。
2900~3000mm层高时,窗台面高400mm,外墙翻沿200mm。▼▼

2900~3000mm层高,飘窗剖面示意图
3150~3300mm层高时,窗台面高450mm,外墙翻沿150mm。▼▼

3150~3300层高,飘窗剖面示意图
本资料声明:
1.本文为建筑设计技术分析,仅供欣赏学习。
2.本资料为要约邀请,不视为要约,所有政府、政策信息均来源于官方披露信息,具体以实物、政府主管部门批准文件及买卖双方签订的商品房买卖合同约定为准。如有变化恕不另行通知。
3.因编辑需要,文字和图片无必然联系,仅供读者参考。
郑州·精品项目考察

微信公众号“搜建筑”(ID:sjz9999)
合作、宣传、投稿
联系微信:soujianzhu006
推荐关注
建筑规范平台
深度解读、剖析

合作、宣传、投稿
联系微信:soujianzhu006
↓↓↓ 更多规范,搜建筑网站


