经常听到网友询问labview如何读取gif文件并显示,查找了下labview自带的函数确实不能读取,因为labview是面向工业测试的,gif文件属于IT行业,那么如果要用labview实现,我们是什么思路呢?我们可以考虑.net的方式实现:labview原生支持.net库的调用,真香!
下面是c#代码
private void btn_extract_Click(object sender, EventArgs e)
{
Image imgGif = Image.FromFile(@"test.gif", true);
//Create a new FrameDimension object from this image
var ImgFrmDim = new FrameDimension(imgGif.FrameDimensionsList[0]);
//Determine the number of frames in the image
//Note that all images contain at least 1 frame,
//but an animated GIF will contain more than 1 frame.
int n = imgGif.GetFrameCount(ImgFrmDim);
// Save every frame into jpeg format
for (int i = 0; i < n; i++)
{
imgGif.SelectActiveFrame(ImgFrmDim, i);
imgGif.Save(string.Format(@"Frame{0}.png", i), ImageFormat.Png);
}
}
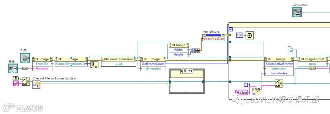
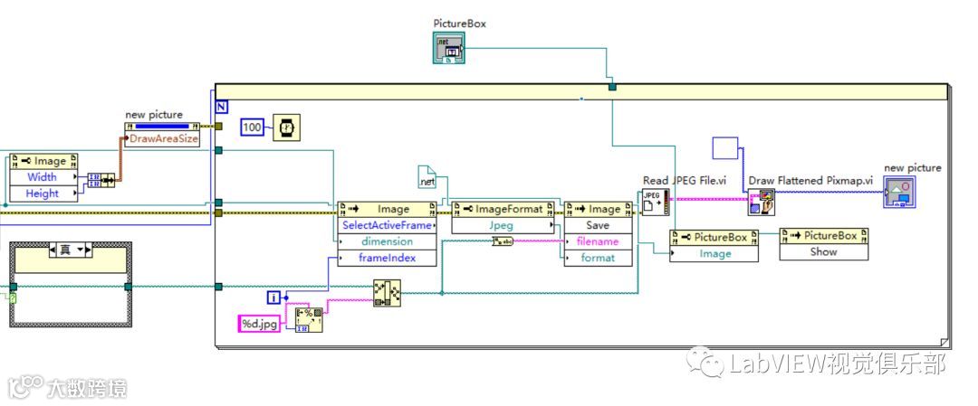
下面是labview代码


可以实现gif文档读取,保存和显示

这是gif原图

这是用labview图片控件和.net picture控件实现的gif图像显示。
如果觉得本文对你有帮助,请帮忙转发,谢谢!

扫码关注讲师微信和公众号
课程链接:http://t.elecfans.com/labview_142_0_0/0
优酷免费课程链接:http://id.tudou.com/uvision
哔哩哔哩免费课程链接:https://www.bilibili.com/video/av44704547/

