上期讲到视觉助手中模板匹配的函数运用和如何自动生成Vi,今天我们来根据生成的VI 融合前面几期的知识点,将模板匹配函数功能融入到程序框架中,实现仿真采集后进行模板匹配操作,并显示结果。
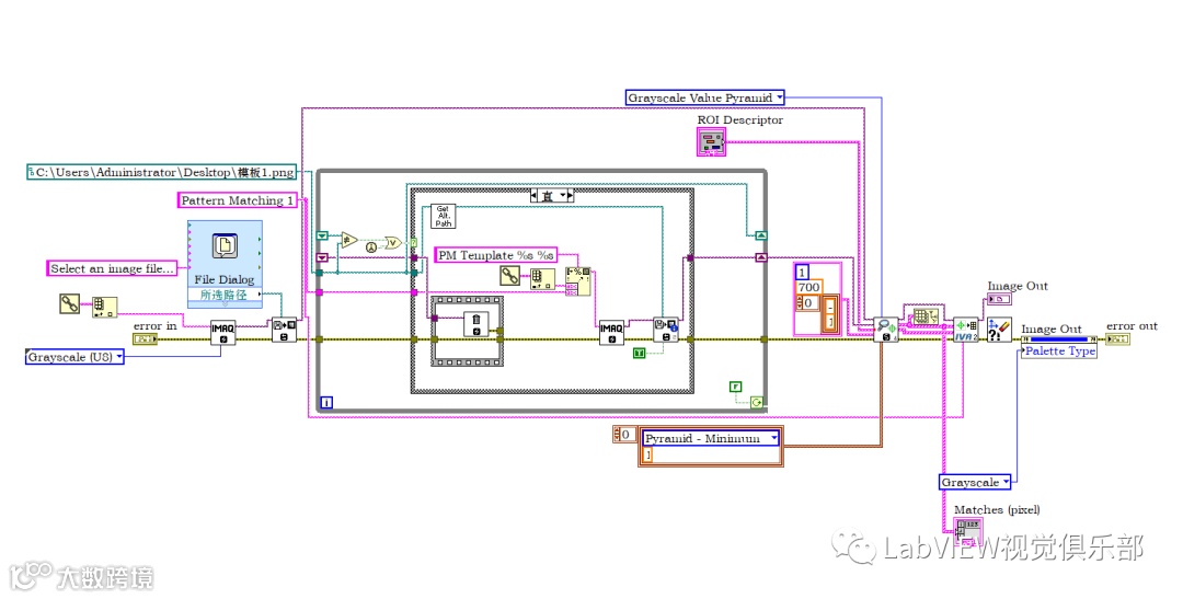
自动生成的程序截图

软件完成后效果界面

下面来看演示视频
今天的视频有点长大家耐心看完
今日总结
①模板匹配编程及功能实现
今日作业
思考如何将模板匹配的模板创建通过编程实现
额外内容!!龙哥视觉2020众筹课程,火热进行中!不要999,不要899,只要699,没错就是699,通用视觉教程带回家!699你买了不吃亏!699你买了不上当。699还可以领回家!699元你买不了车!699元你买不了房!699元却可以让你走上人生巅峰!迎娶白富美!还等什么?赶快预订吧

如果觉得本文对你有帮助,请帮忙转发,谢谢!


扫码关注讲师微信和公众号
自学课程链接:http://t.elecfans.com/labview_142_0_0/0
训练营链接(老师指导):http://t.elecfans.com/train/265.html
优酷免费课程链接:http://id.tudou.com/uvision
哔哩哔哩免费课程链接:https://www.bilibili.com/video/av44704547/
本文章相关源码将适时发布到相关论坛,请关注微信公众号信息!
《双ccd+视觉通用框架-LabVIEW视觉必学高阶课程》
http://z.elecfans.com/309.html?elecfans_trackid=whm_wx

