上期讲到软件设置界面的算法功能实现,通过按钮触发事件呼出设置子VI,利用事件结构实现单步执行算法操作,那么算法设置完成就需要存储,并且在主界面连续运行时候能够读取并使用。具体如何实现?下面给大家介绍一种方便快捷的数据中间寄存法。
我们通过while循环以及条件结构建立三个条件分支,分支的选择使用枚举进行切换,项名分别是:初始化,读,写。
如图:
初始化时将寄存器中的数组数据常量赋予一定的大小便于进行替换等数组操作,所有算法参数单个整理后捆绑为一个簇。

读取数据分支可随时在移位寄存器器中拿取所需算法参数,通过按名称解绑簇即可实现

写入数据分支通过输入控件从外部进行移位寄存器中的数据更改或替换

了解了这些后 ,我们举例整理了模板匹配在运行时所需的参数有创建模板时的模板图像路径和已经整理过的参数簇,因为可能会用到多个模板和不同区域的匹配,参数我们使用簇数组。下面进行实际操作,如图:

通过这种方式我们将模板成功存储并保存至中间寄存器中,模板匹配参数也是如此

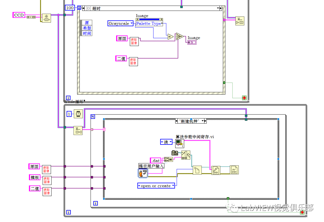
参数设置完成后在主程序消费者进程中添加分支,新建机种,将算法参数存至本地DAT文件。

软件在初始运行时可选择将本地机种读取并赋值到中间寄存VI中,算法连续运行时直接在寄存器中读取参数进行运行。
好了本期内容就到这里,下期我们来讲解具体的算法运行以及连续运行时的注意事项。
如果觉得本文对你有帮助,请帮忙转发,谢谢!

扫码关注龙哥课程助教咨询课程优惠活动

扫码关注讲师微信

扫码关注本公众号
优酷免费课程链接:http://id.tudou.com/uvision

哔哩哔哩免费课程链接:https://www.bilibili.com/video/av44704547/

本文章相关源码将适时发布到相关论坛,请关注微信公众号信息!

