上期我们将设置界面的算法通过主程序的队列命令进行了运行排序,在运行一次时,我们发现产品的拍照位置会有一定的偏移,导致我们算法在测量上位置会存在偏差,那么我们就需要通过坐标系的跟随来解决这个问题。
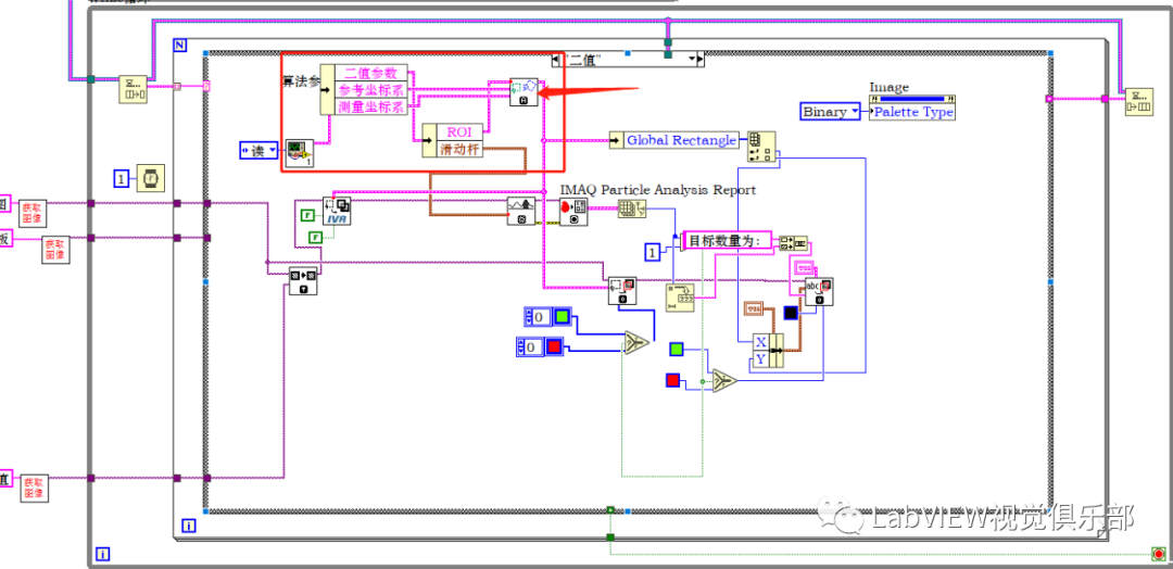
我们的测量算法中添加的第一步算法模板匹配可以通过匹配一个特征区域来得到一个坐标系,编程方式与之前的算法添加相似,通过移位寄存器存储我们设置时的参考坐标,如下图:

在执行匹配算法时将匹配结果中心点提取出来并创建局部变量。

通过按钮触发事件,将匹配结果坐标按照坐标系格式捆绑并存入移位寄存器中。

运行时将我们的模板匹配结果作为测量坐标系存入寄存器。

然后将我们的后续使用到ROI的算法都以上图格式添加上IMAQ TransformROI(ROI仿射算法)。运行效果如下:

今天的内容就到这里,谢谢大家!
如果觉得本文对你有帮助,请帮忙转发,谢谢!

扫码关注龙哥课程助教咨询课程优惠活动

扫码关注讲师微信

扫码关注本公众号
优酷免费课程链接:http://id.tudou.com/uvision

哔哩哔哩免费课程链接:https://www.bilibili.com/video/av44704547/

本文章相关源码将适时发布到相关论坛,请关注微信公众号信息!

