前几期我们在软件中实现了算法设置,单步算法执行,算法参数存储等功能,本期我们将软件通过队列命令循环的方式实现整体循环运行,那么我们需要整理的思路就是,先运行什么后运行什么,本期就来将我们缺少的部分进行补充
运行顺序:
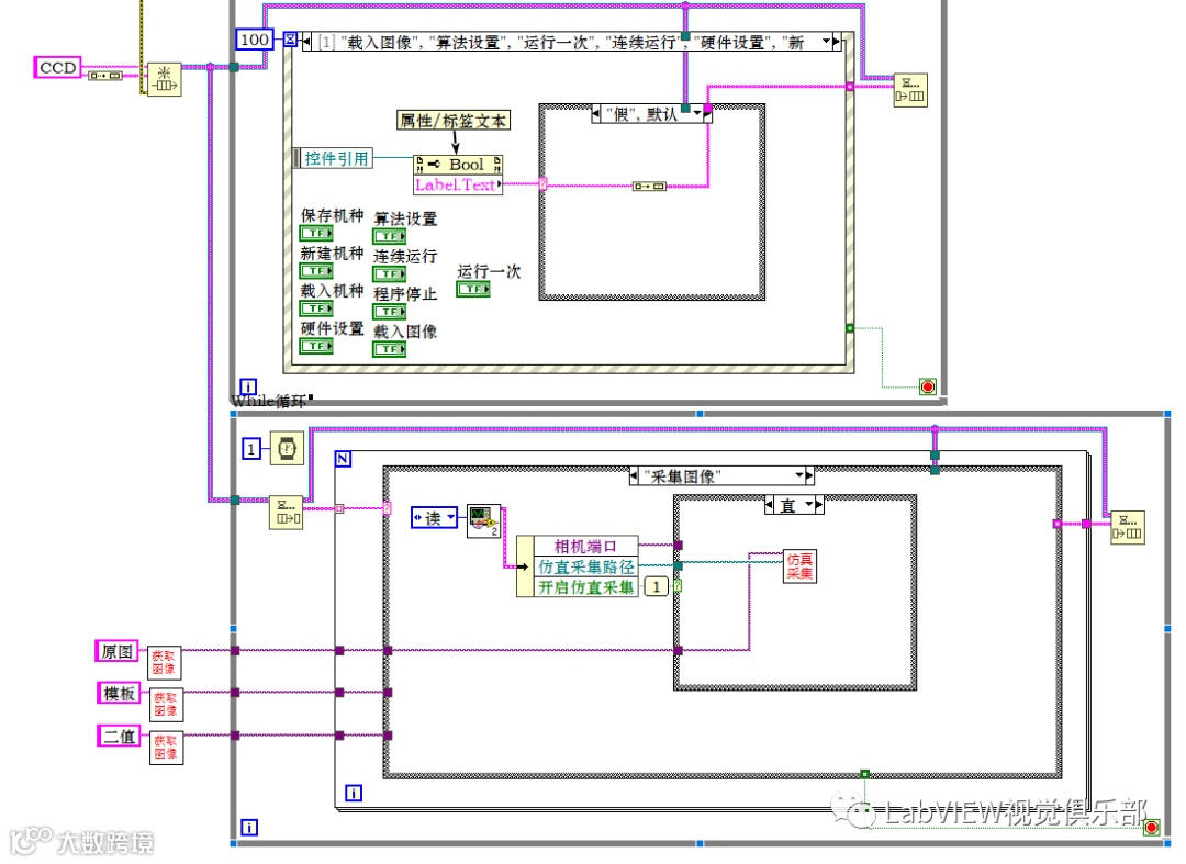
1,获取图像(在算法模拟阶段可通过本地读图来实现图像的获取,通常称为仿真采集功能,有硬件条件的同学也可以图像采集函数)我这里按照算法参数设置界面做了一个子界面来设置相机端口以及仿真采集路径等参数,并单独使用一个中间寄存VI来存储这些基本参数。如下图:
通过前面板按钮呼出设置界面

界面功能大致如下,最后按下保存硬件参数按钮将控件值写入移位寄存器中

功能由While循环以及事件结构实现

参数保存如下图

对应我们在主程序中写入相应的运行功能用于获取图像

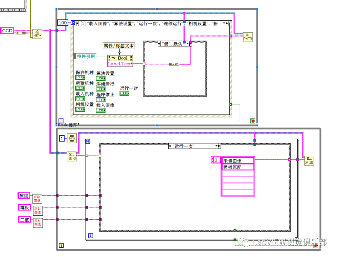
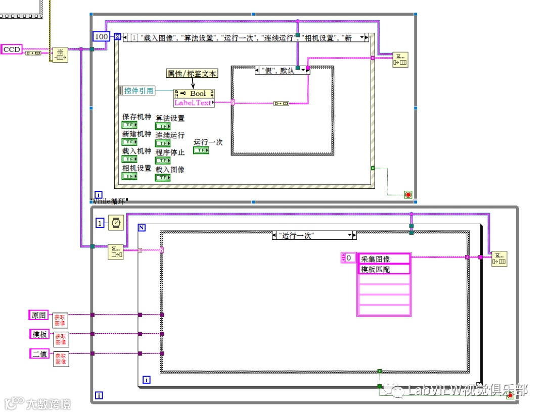
2,运行一次以及连续运行
按下运行一次按钮时在消费者中进行元素入队列操作将需要运行的步骤依次排序,如图:

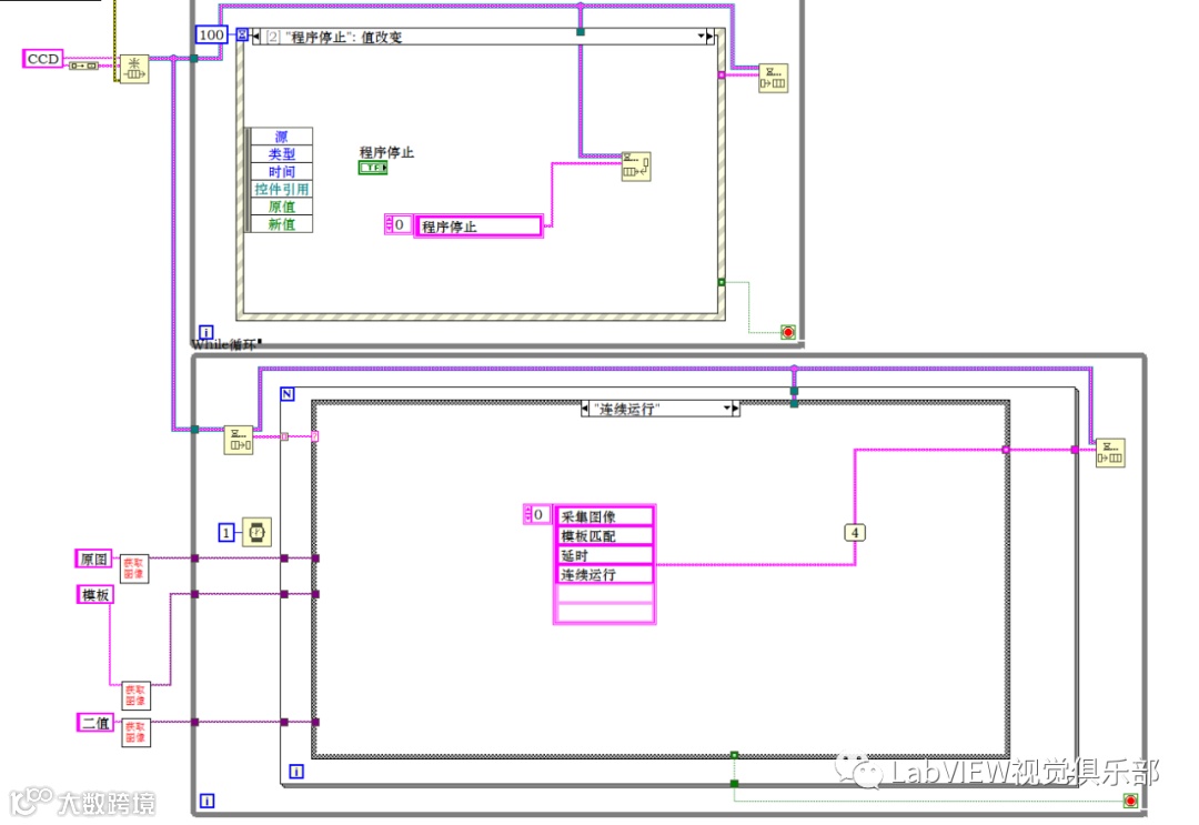
连续运行不同的是在队列元素的最后端加入自循环命令

运行效果如下:

本期内容就到这里,下期我们来完善该项目的其余算法,有兴趣的同学可以持续关注本公众号。
如果觉得本文对你有帮助,请帮忙转发,谢谢!

扫码关注龙哥课程助教咨询课程优惠活动

扫码关注讲师微信

扫码关注本公众号
优酷免费课程链接:http://id.tudou.com/uvision

哔哩哔哩免费课程链接:https://www.bilibili.com/video/av44704547/

本文章相关源码将适时发布到相关论坛,请关注微信公众号信息!

