Shaping the Future Energy Landscape
RENON POWER
Intelligent Green Energy Solution
Reliable|Renewable|Remarkable
Renon Powers
Global Sustainable Development
Renon’s innovative energy solutions are delivering intelligent and green support to a wide range of projects around the world. From high-speed charging hubs in Texas to microgrid deployments in Puerto Rico, Renon’s 261 battery cabinet system, 10-ft AC energy storage system, and ultra-fast charging products are driving the seamless integration of e-mobility, renewable energy, and high-efficiency storage.
Through these customized solutions, Renon provides stable and low-carbon power to various industries—shaping the future of the global energy landscape.
01. MPack 261AS ——
261 kWh Liquid-Cooled Energy Storage System
Product Functions
Energy Storage Functions
High-Efficiency Storage:
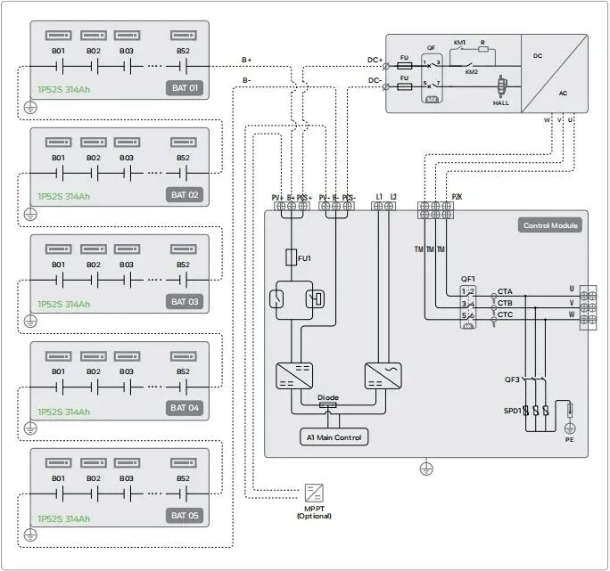
The 261AS is an AC-coupled liquid-cooled energy storage platform that integrates the 261 liquid-cooled battery cabinet with a Solis 125 kW storage inverter. It delivers approximately 1.5 MWh of energy capacity and 750 kW of power output for small to medium-scale energy storage stations.
Battery Optimization:
Equipped with advanced liquid-cooling technology, the solution provides highly efficient thermal management and protection for battery cells, ensuring long-term stability under high loads and extending overall system lifetime.
Grid-Connected & Off-Grid Functions
Grid-Connected Operation:
The 261AS platform supports grid-connected operation with flexible control over charging and discharging power. It optimizes operational strategies according to grid demand fluctuations and electricity price variations.
Off-Grid Capability:
In off-grid mode, the 261AS provides stable power for small microgrids, communities, or islanded areas, ensuring a reliable and self-sufficient energy supply.
Flexible Configuration & Scalability
Parallel Configuration:
The 261AS platform supports up to 6 units in parallel, with a total capacity of up to 1.5 MWh—ideal for small and medium-sized project sites.
Extended Deployment:
Multiple 261AS units can be combined for large-scale installations, supporting parallel configurations of dozens of units to meet diverse application needs, including community energy systems and microgrids.
Local & Cloud EMS Support
Local EMS:
Each 261AS unit includes a built-in local EMS responsible for real-time monitoring,charge/discharge control, fault detection, and alarms.
Cloud EMS:
The cloud-based EMS enables centralized dispatch of multiple 261AS sites, providing cross-regional energy optimization and supporting Virtual Power Plant (VPP) participation in energy markets.
Product Functions
Modular & Integrated Design
Modular Architecture:
The 261AS platform adopts a modular design that allows flexible configuration—from a single unit to multi-unit expansion.
Liquid-Cooling Technology:
An efficient liquid-cooling system ensures stable operation in high-temperature environments, making the solution suitable for deployment across diverse climates and conditions.
High-Efficiency Energy Storage &
Conversion
High-Performance Battery & Inverter:
Equipped with a liquid-cooled battery cabinet and a Solis storage inverter, the 261AS achieves highly efficient energy conversion and improved charge/discharge performance.
Extended Battery Lifecycle:
The liquid-cooling system, paired with intelligent control algorithms, enhances battery longevity and reduces maintenance costs.
Flexible Grid Compatibility
Dual Modes (Grid-Connected / Off-Grid):
The 261AS supports both grid-connected and off-grid operation modes, meeting diverse energy demand scenarios.
High System Compatibility:
The platform is compatible with multiple grid standards and dispatching systems, supporting integration with various inverter brands and battery modules.
Integrated Control System
Local EMS Control:
Each unit includes a local EMS for real-time data acquisition, system control, and local alarms, reducing downtime and operational risks.
Remote Management:
The system supports remote diagnostics and troubleshooting, enabling cloud EMS to perform centralized monitoring and remote operation management.
Application Scenarios
Community Energy and
Distributed Storage
Small Community and Residential Storage:
The 261AS platform is ideal for distributed energy storage systems in residential areas and commercial communities. By implementing optimized charging and discharging strategies, it helps reduce electricity costs and enables autonomous energy supply.
Microgrids and Off-Grid Applications
Islands and Remote Areas:
The 261AS supports off-grid microgrid deployments in isolated islands and remote regions. It integrates photovoltaic generation, energy storage, and load management to deliver continuous and reliable power supply.
Commercial and Industrial
Behind-the-Meter Storage
Industrial Parks and Commercial Facilities:
The 261AS can be widely deployed in small and mid-sized industrial parks and commercial complexes to perform peak shaving and valley filling, lower electricity expenses, and enhance energy efficiency.
PV + Energy Storage Integrated
Solutions
Solar-Plus-Storage:
The 261AS pairs seamlessly with photovoltaic systems, providing battery energy support to optimize the utilization of solar energy and reduce stress on unstable grids.
Virtual Power Plant (VPP)
VPP Applications:
The 261AS can act as a fundamental unit within a virtual power plant. Multiple devices can be centrally managed through a cloud-based EMS, participating in grid dispatching and demand-response services, creating new market participation opportunities.
Energy Management
Local EMS (Energy Management System)
Real-Time Monitoring and Optimization:
Each 261AS unit is equipped with a local EMS that monitors SOC, SOH, and charging/discharging status in real time, ensuring optimized operational strategies.
Battery Management:
With the support of smart algorithms, the system automatically regulates battery operation to ensure optimal performance while preventing over-charging or excessive discharging.
Cloud EMS and Centralized Scheduling
Cloud-Based EMS:
Multiple 261AS units can be aggregated into a unified virtual platform for centralized scheduling and monitoring, providing insight into energy consumption, charge status, and storage capacity across different sites.
Cross-Regional Optimization:
Through the cloud EMS, multiple 261AS sites can be coordinated across regions to maximize the value of energy storage assets.
Data Analytics and Reporting
Remote Monitoring and Alerts:
The cloud EMS enables real-time system monitoring and generates fault alerts based on preset conditions, helping O&M teams respond quickly.
Energy Efficiency Analysis:
The system collects energy performance data and provides reports that help customers achieve continuous energy optimization.
Fault Diagnosis and Early Warning
Fault Detection:
The local EMS triggers alarms when anomalies occur, enabling timely maintenance and reducing downtime.
Predictive Warnings:
The system identifies potential failures or performance degradation early and issues alerts to ensure long-term stable operation.
Demand Response (DR) and Power
Market Participation
DR Capabilities:
The 261AS supports DR functions, adjusting charging and discharging based on grid needs to assist with peak-shaving and valley-filling while reducing electricity expenses.
VPP Participation:
Through the cloud EMS, the 261AS can be aggregated with other distributed energy assets to form a VPP and participate in DR, ancillary services, and capacity markets.
Summary
As an energy storage solution for small and mid-sized sites, the 261AS platform—powered by liquid-cooling technology, sophisticated battery management, flexible on/off-grid capabilities, and both local and cloud EMS support—meets diverse energy management needs. It is well-suited for community energy, microgrids, solar-plus-storage applications, and C&I energy storage, while also providing strong capabilities for VPP market participation to deliver long-term energy savings and commercial value.
02.MPack 261AC——
261 kWh Liquid-Cooled All-in-One Storage System
Product Functions
Energy Storage Function
Large-Capacity Storage:
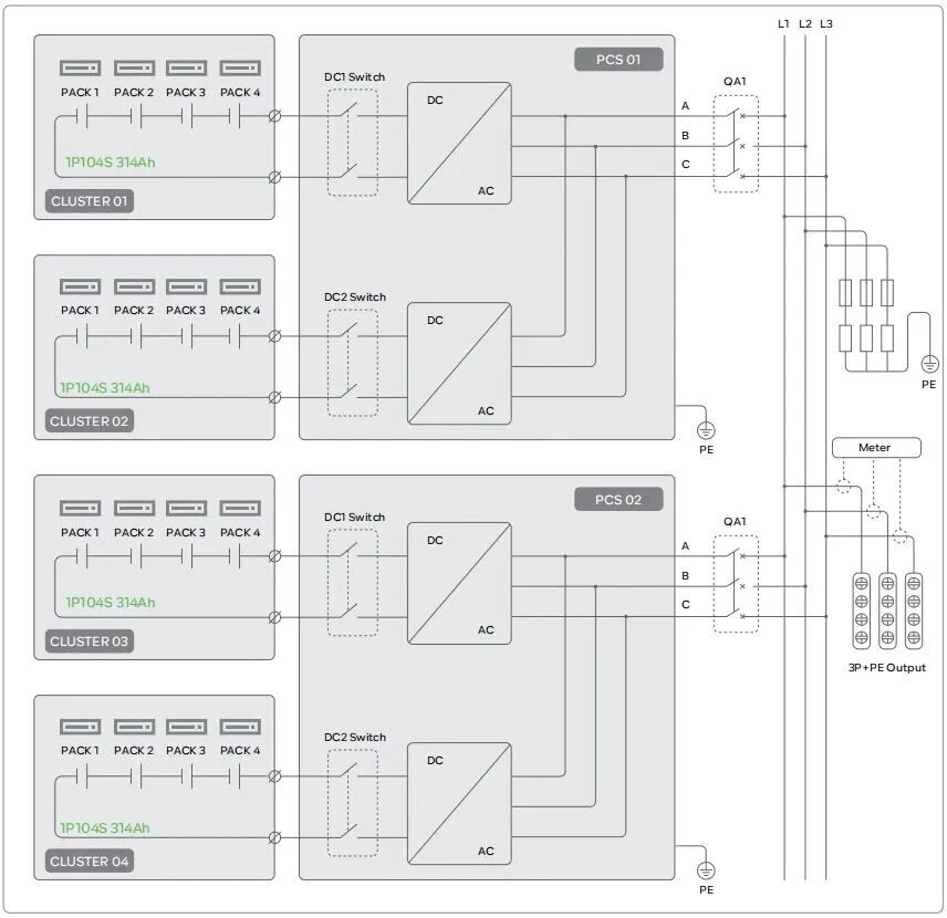
Based on a 261 kWh single cabinet, the 261AC supports PCS power output up to 135 kW. It is widely used in medium-to-large sites and distributed energy storage projects.
High Efficiency and High Energy Density:
Liquid-cooling technology ensures efficient thermal management of battery modules and PCS, supporting stable operation under high loads and improving overall energy efficiency.
Grid-Connected and Off-Grid
Capabilities
Grid-Connected Operation:
The system supports grid-connected operation with frequency regulation capability and can participate in ancillary services such as grid regulation and peak management.
Off-Grid Operation:
With an internal control system, the 261AC can operate independently in off-grid mode, making it suitable for remote regions and islands.
Flexible Configuration and Scalability
Distributed Storage Networks:
The 261AC supports multi-site deployments, with cloud EMS enabling centralized scheduling and management—ideal for large-scale distributed storage systems.
Dynamic Dispatching:
The platform adjusts charging and discharging strategies based on real-time grid data, load forecasts, and electricity price fluctuations to optimize system performance.
Local and Cloud EMS Support
Local EMS:
Each 261AC unit is equipped with an internal EMS for real-time monitoring and operational control to ensure safe, stable, and efficient operation.
Remote Monitoring & O&M:
Through the cloud platform, users can conduct remote monitoring, fault diagnosis, firmware updates, and data analysis, significantly reducing on-site labor requirements.
Product Features
Modular and Integrated Design
Integrated Structure:
The 261AC combines battery units, PCS, cooling systems, and control modules into a standardized 10-ft container, simplifying transport and installation for large-scale deployments.
Liquid Cooling and High Performance
Advanced Liquid-Cooling System:
The system provides precise thermal control for both batteries and PCS, ensuring stable operation under high loads while extending lifespan and enhancing performance.
High Reliability and Safety
Safety Design:
Multiple protection mechanisms—including over-temperature, over-current, and over-voltage protection—ensure safe system operation.
Ingress Protection:
Rated at IP55/IP65, the system withstands harsh environments and is suitable for outdoor and severe climate conditions.
Flexible Scalability
Modular Expansion:
Using an array/matrix design, the 261AC can be expanded to support multiple parallel matrices, making it suitable for projects from small-to-mid scale to large distributed networks.
Grid Compatibility:
Compatible with global standards such as UL, IEEE, and IEC, making it adaptable for global deployment.
Application Scenarios
Distributed Energy Storage Systems
The 261AC is ideal for large-scale distributed storage networks, such as solar-plus-storage projects in regions like Texas and California. It supports peak shaving, frequency regulation, and enhances grid stability.
Industrial Parks and Commercial Users
For industrial parks and large commercial campuses, the 261AC provides flexible energy management and stable power supply, reducing electricity costs and improving energy efficiency.
Fast-Charging / Ultra-Charging Stations
The 261AC provides efficient storage solutions for highway charging stations and urban super-charging hubs, mitigating demand spikes, reducing grid stress, and improving energy arbitrage.
Microgrids and Island Systems
In remote or islanded microgrid environments, the 261AC ensures stable and independent power supply.
Grid Ancillary Services and VPP
The 261AC can be integrated into VPP systems, participating in DR, frequency regulation, and backup services to enhance energy system flexibility and efficiency.
Energy Management
Local EMS
Real-Time Data Collection:
Each 261AC unit collects battery, current, voltage, power, and temperature data for real-time monitoring.
Intelligent Control:
The local EMS adapts charging and discharging strategies based on grid conditions, energy needs, and electricity pricing to maximize system efficiency.
Cloud EMS and Aggregation
Cloud-Based Optimization:
Through the Renon cloud EMS, multiple 261AC sites can be centrally managed for cross-regional energy optimization.
VPP Integration:
The 261AC becomes an integral part of VPPs, enabling participation in energy and DR markets to increase revenue.
Data Analytics and Reporting
Remote Monitoring:
The cloud EMS monitors all connected 261AC units and provides operational reports and diagnostic data for timely adjustments.
Fault Diagnosis and Alerts:
Automated fault detection reduces manual inspection and enhances O&M efficiency.
Multi-Level Alarms and Safety Control
Protection Mechanisms:
The system includes overload, over-temperature, and short-circuit protection to ensure safe operation under harsh conditions.
Emergency Response:
In case of system issues, the 261AC enters a safe mode automatically, and the cloud EMS promptly notifies relevant personnel.
Summary
The 261AC platform delivers a highly efficient distributed energy storage solution with strong functional, operational, and energy-management capabilities. Whether deployed in industrial parks, charging hubs, microgrids, or VPPs, the 261AC ensures stable, safe, and efficient power support. Its modular design, liquid-cooling system, and integration with local and cloud EMS make it particularly suitable for large-scale distributed energy deployments.
03.Smart Matrix A ——
Integrated 10-ft Liquid-Cooled Energy Storage System
Product Functions
Energy Storage & Power Management
Energy Storage:
Each 10-ft AC system is equipped with a 1.67 MWh storage unit capable of storing large amounts of energy and delivering high-efficiency discharge.
Battery:
The system uses 314 Ah LFP (Lithium Iron Phosphate) liquid-cooled batteries, featuring high energy density, long cycle life, and excellent charge/discharge efficiency.
Power:
An 830 kW inverter enables high-power output and fast response during peak demand.
*The system supports continuous high-frequency cycling to ensure sufficient power supply during critical load periods.
Dynamic Dispatch & Revenue
Optimization
AI Dispatching:
An integrated AI scheduling system monitors battery health, electricity price fluctuations, and load demand in real time. It automatically adjusts energy dispatch to maximize revenue.
Peak Shaving & Valley Filling:
The system supports peak shaving, market arbitrage, and demand response (DR) to enhance profitability.
*When combined with a VPP aggregator platform, it enables cross-site energy dispatch and revenue optimization, significantly improving flexibility and economic performance.
Efficient Operation & Monitoring
Local EMS + Cloud Connectivity:
A built-in EMS (Energy Management System) monitors the operating status of each battery module,PCS (Power Conversion System),and the entire energy system in real time.
*The platform supports remote monitoring, diagnostics, system upgrades, and cloud-based control.
Product Features
High Energy Density & Long Lifespan
Battery Technology:
The LFP liquid-cooled battery system offers high energy density and long service life.
Energy density:
up to 170 Wh/kg.
Cycle life:
≥ 8,000 cycles,significantly reducing long-term operational costs.
Advanced Liquid Cooling &Thermal Efficiency
Liquid Cooling System:
A dual-loop liquid cooling architecture maintains optimal temperature control even under extreme climatic conditions.
Temperature precision:
controlled within ±1°C, ensuring uniform module temperature.
Cooling efficiency:
keeps batteries at their optimal operating temperatures, extending system lifespan.
High Power Conversion & Stable Output
Bidirectional Inverter:
Equipped with an 830 kW bidirectional inverter supporting high-power charge/discharge and fast response.
Output voltage:
400 V AC
Power factor:
adjustable up to 0.99, meeting diverse grid application requirements.
Modular & Scalable Architecture
Modular Design:
Each system unit is built as a standardized 10-ft module, simplifying transportation and installation.
Scalability:
Multiple modules can be paralleled to flexibly expand storage capacity and meet varying project sizes.
Application Scenarios
Commercial & Industrial Energy Storage
Use Cases:
Ideal for large enterprises, business parks, and retailers such as Costco and Walmart.
Functions:
Peak shaving: Reduce peak electricity costs.
Demand response:
Adjust energy usage based on price signals and grid demand.
Backup power:
Ensure uninterrupted supply for critical equipment.
Grid Support Services
Use Cases:
Grid operators can rely on the system for essential auxiliary services.
Frequency regulation:
Provide rapid-response power to maintain grid stability.
Load balancing:
Dynamically adjust output during grid fluctuations.
Residential & Community Microgrids
Use Cases:
Designed for remote areas, resorts, and community-scale microgrids.
Energy independence:
Store excess renewable energy (e.g., solar) for steady supply.
Backup power:
Supply emergency electricity during outages or grid failures.
EV Fast-Charging Stations
Use Cases:
Enhances charging infrastructure efficiency.
Load balancing:
Deliver high-power charging during peak periods while reducing grid strain.
Charging optimization:
AI algorithms optimize charging rates and lower operating costs.
Renewable Energy Integration
Use Cases:
Ideal for combining with solar and wind systems to improve energy autonomy and reliability.
Solar-plus-storage:
Store daytime excess PV energy for nighttime use.
Wind-solar-storage integration:
Smooth renewable fluctuations for stable power output.
VPP & Aggregation
Capabilities
VPP and Aggregator Platform
Integration
The 10-ft AC system fully supports VPP and aggregator functions, enabling.
Distributed resource aggregation:
Virtually integrate multiple 10-ft AC systems and renewable assets (solar, wind) for centralized management.
Dynamic energy dispatch:
Optimize energy flow using AI based on grid demand, market prices, and weather forecasts.
Demand response & revenue optimization:
Deliver high-power output during peak load periods and charge during valley pricing to maximize economic returns.
Participation in Market Transactions
Energy trading & revenue sharing:
Aggregated systems can participate in frequency regulation, capacity leasing, and other electricity market services.
Cross-site coordination:
Multiple systems can operate collaboratively like a large-scale virtual power plant.
*By combining VPP capabilities with advanced aggregation, the 10-ft AC system can adapt to market dynamics, enhance grid stability, and deliver higher investment returns.
Together Toward a Greener
Future
Renon is committed to providing innovative and sustainable energy solutions to partners worldwide. Whether in electric mobility, renewable energy storage, or intelligent power management, Renon continues to lead the industry toward a greener and more efficient future.
END
Edited by丨Ethan,Rebecca
Typeset by丨Monica
Reviewed by丨Willson.lan

