本篇文章主要内容主要讲述BU03模组开发板的区别,测试方法,以及一些资源链接的分享,可以快速的帮助用户搭建测试环境,评估和测试模块功能和性能。
产品介绍

产品介绍及开发资料:https://docs.ai-thinker.com/uwb
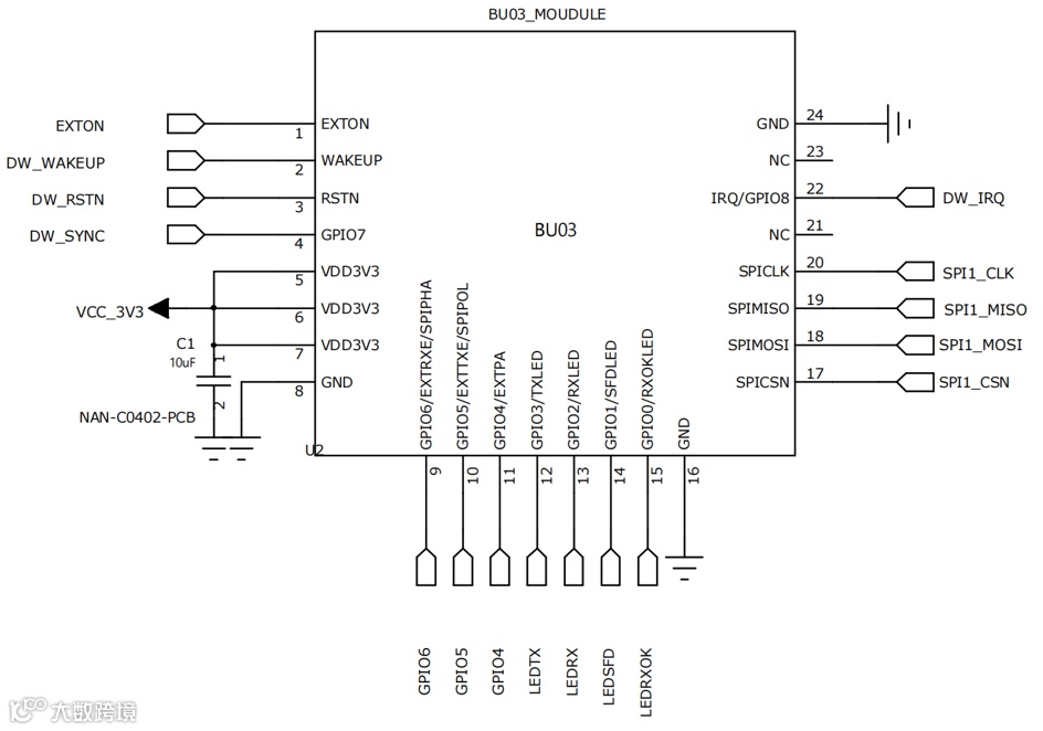
接线
BU03内部的程序主控单元使用的是最新的DW3000芯片,使用SPI和主控芯片链接直接驱动,但是市面上的主控不好区分,所以我们封了一个STM32F103的代码给大家参考。
外围接线图

BU03_Kit 主控芯片是STM32F103,所以可以使用STM32 ST-LINK Utility和J-FLASH来烧录,详细烧录查找网络资源。
BU03_Kit 的Type-C口 |
USB连接电脑端 |
上述接线则使用STM32CubeProgrammer来烧录,详细烧录查找网络资源,主要BOOT来控制进入烧录
温馨提示:如果使用开发板的话板子上有专门的排针和专属的UART口的typ-C数据口来烧录和测试
测试说明
单模组的话需要SPI飞线,这里不推荐,可以直接使用我们的BU03_Kit开发板测试,测试通过再按照我们开源的原理图直接设计板子,做对应调整即可。
指令集获取位置:AT指令集

开发板测试,USB口为数据口,TTL口为AT指令口
测距用法说明
测距时需要准备至少两个开发板,我们出厂开发板可以携带LCD屏幕,便于测距观观察,AT指令分别设置成基站和标签,如下指令
描述 |
标签指令 |
基站指令 |
角色信道设置指令 |
AT+SETCFG=0,0,1,1/r/n |
AT+SETCFG=0,1,1,1/r/n |
保存 |
AT+SAVE/r/n |
AT+SAVE/r/n |
指令格式:AT+SETCFG=X1,X2,X3,X4

说明
x1:设备ID(0~10)
x2:设备角色(0:标签1:基站)
x3:设备信道(0:信道9 1:信道5)
x4:设备速率(0:850K 1:6.8M)

如图所示的安装测试

定位测试
上位机获取位置:点击获取上位机
此款BU03仅做可以做定位测试,测试方法如下:
1.基站编号0~3,至少3个基站(可以设置多个基站)
2.标签编号,0号标签;(可以设置多个标签)
3.办公室室内定位
4.电脑位机连接0号基站(BU03_kit的USB口),上位机编辑每个基站和坐标参数(这里的参数是实际距离的坐标)
5.标签上电,区域内移动,查看测试效果

联系我们
以上就是本期分享的内容,目的在于让大家快速适应新品方案的开发,更多资料可从我们官网上获取。
官方官网:https://www.ai-thinker.com
开发资料:https://docs.ai-thinker.com/
官方论坛:http://bbs.ai-thinker.com
技术支持:support@aithinker.com
微信改版,容易错过最新资讯和福利?
快将“安信可科技”设为星标⭐
可以第一时间接收小安的推送!
▼

开源硬件新鲜玩:小安派-Eyes-S1/S2多功能开发板
安信可更多产品信息可进入以下链接查阅:
●开发资料:https://docs.ai-thinker.com/
●官方教程:https://blog.csdn.net/Boantong_
●安信可官网:www.ai-thinker.com
●安信可社区:https://bbs.ai-thinker.com
●业务咨询请联系:18022036575


