想要定制明年的BI干货内容吗?
花1分钟填写问卷,说说你的想法。填完即可领取数字化转型资料包!
扫码参与,我们一起悄悄变强~
扫码填写问卷
最近,有不少朋友跟我反馈,虽然跟着我陆续学了不少数据分析的方法和模型,但总感觉知识还是“拼不起来”——好像学了很多招式,却始终缺一套能够从头打到尾的方法论。
你是不是也有这样的困惑:
学了很多,但面对真实业务问题,依然不知道从哪里下手?
知识点越记越多,却常常搞混该用哪个、怎么串起来用?
其实这不怪你。网上大部分内容,都是零散的“点知识”,如果缺少一条贯穿始终的“线”,就很容易陷入学得越多、越觉得乱的怪圈。
今天,我想帮你彻底解决这个问题。
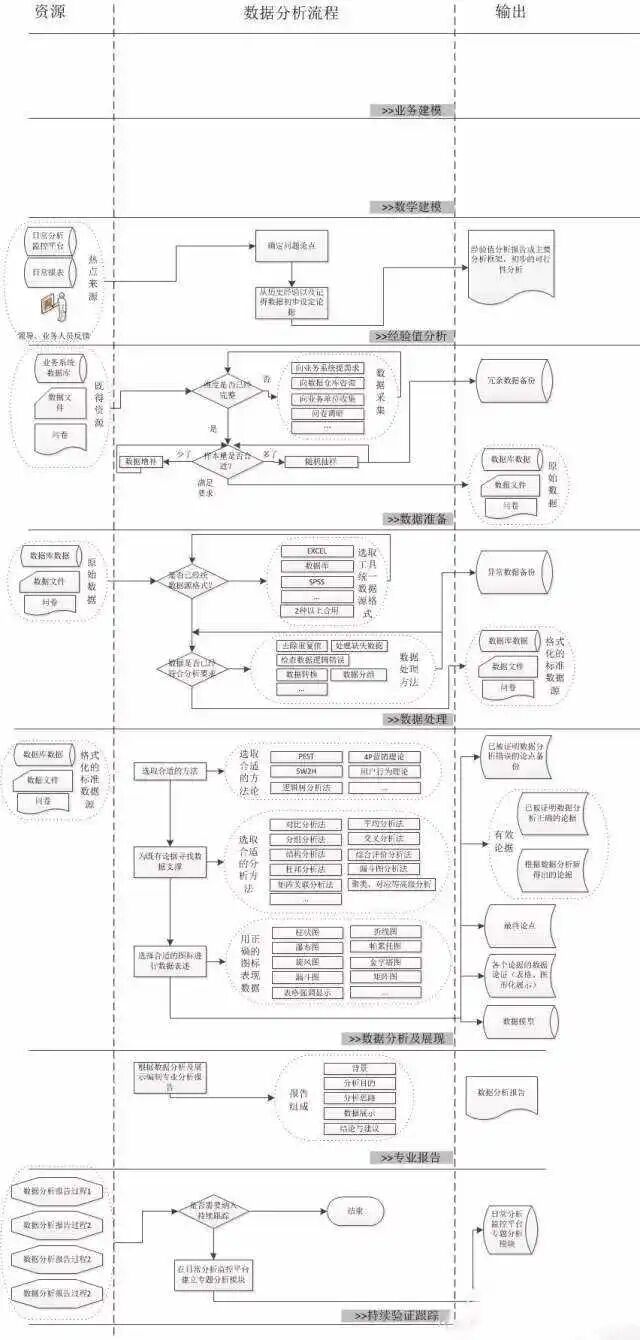
我将用一张图 + 六个步骤,带你走完从数据采集到报告输出的完整数据分析流程。不管你是刚入门的小白,还是刚带团队的数据组长,这张图都能帮你建立清晰的分析框架,真正实现从“知道很多”到“能够做完”的跨越。
建议收藏这张流程图,一步步对照学习,让碎片知识找到归宿。

开始之前先分享一份梳理好的大数据决策分析平台建设方案,能够帮你解决数据分散,利用率低,需求变化快但响应慢的痛点,需要自取:https://s.fanruan.com/7be6g
数据采集,也就是对各种来源的结构化和非结构化海量数据进行采集。
而不同企业实际经营过程中,会有不同的方式去进行数据的采集。例如,
生产车间可以通过传感器等设备收集生产环节的数据。
库存仓库可用过扫码等手段来收集,以及后续物流运输数据。
销售中心可以通过改进业务流程,设置数据采集环节来收集数据。
营销部门可以通过网站的埋点来收集用户的行为数据。
但通常来说,数据采集可分为以下三类。
数据库采集:流行的有Sqoop和ETL,传统的关系型数据库MySQL和Oracle 也依然充当着许多企业的数据存储方式。当然了,目前对于开源的Kettle和Talend本身,也集成了数据集成内容,可实现hdfs,hbase和主流Nosq数据库之间的数据同步和集成。

网络数据采集:一种借助网络爬虫或网站公开API,从网页获取非结构化或半结构化数据,并将其统一结构化为本地数据的数据采集方式。
文件采集:包括实时文件采集和处理技术flume、基于ELK的日志采集和增量采集等等。
数据处理指的是在进行数据分析之前,先对采集到的原始数据进行像数据清洗、填补、合并、规格化、一致性检验等一系列操作,目的是为了提高数据质量,为后期数据分析工作奠定好基础。

而常见的数据处理方法包括去除重复值、处理缺失数据、检查数据逻辑错误、数据转换、数据分组、异常数据备份等。
在数据分析这个环节,有两个要点需要在进行数据分析前确定好。
第一点:选取合适的方法去分析数据
PEST、4P营销理论、5W2H、用户行为理论、逻辑树分析论等。
第二点:选取合适的分析方法
杜邦分析法、对比分析法、结构分析法、漏斗图分析法、交叉分析法、平均分析法等。

这两点的具体方法内容,我在之前的文章里都有过详细的介绍。
数据展现通俗来说,就是要把你分析好的数据结果用正确的图表展现出来。因此,要做好数据展现的前提,就是要先确定好用哪种图表来表现数据,让图表结果最为直观。
那么如何确定用哪种图表是正确的?
需要反复思考以下4个问题
明确自己需要分析的内容,选择合适的数据了吗?深入理解业务和业务需求,定义出需要分析的问题了吗?在具体分析后选择关键问题,思考选择合适的可视化方法了吗?根据图表中表达和分析的观点和洞察,重新检视数据和业务问题了吗?

在实际数据分析过程中,最常用的图表就是柱状图、折线图、漏斗图、金字塔图、矩阵图等。
数据可视化,一般来说就是数据分析师要把数据观点展示给领导或业务人员的过程。
通常情况下,像我们公司在开月度、季度会议的时候,我都会把用FineBI或PowerBI做的可视化大屏放到ppt里,当领导问到我相关数据时,我就可以直接调出来,省了不少时间,也能够让领导一目了然。工具链接我放在这里,感兴趣的可以试试:https://s.fanruan.com/eehlr
老李我用多年经验证明,领导就是喜欢这种简单粗暴的展示方法,即能直观看到数据变化趋势,又能迅速调出所需数据。

当我们采集、处理、分析、展现完数据后,并不是仅仅把数据罗列出来,然后直接扔给业务人员或领导就可以了。
一定要清楚明白,数据分析师的使命在于通过数据给出有价值的分析结论。因此,前面做了那么多,都只是为数据报告做铺垫,有价值的数据报告才是关键。

你点的每一个在看,都汇聚成数据之光!
点击“阅读原文”,免费领取同款数据分析工具
