
国内光伏行业经过过去几年的快速发展已经形成相当完整的产业链,在全球光伏市场也已经抢到绝大部分份额。随着光伏行业发展的不断深入,这个行业似乎已经从一片蓝海变成了一片红海,玩家越来越多,竞争越来越激烈,已经逐渐走向了“内卷”化。
这两天,A股两大光伏巨头隆基绿能(601012.sh)和通威股份(600438.sh)的股价表现,似乎把当前光伏行业的竞争状况表现了出来。8月19日,通威股份中标华润组件的消息把隆基绿能和天合光能这两大组件商股价吓崩,当天通威股份一度涨超8%,隆基绿能一度跌超8%、天合光能一度跌超15%。
通威本来是做光伏硅料的,突然进军向下游延伸进军组件环节,下游组件商能不怕吗?
除了组件环节“内卷”,今年以来光伏产业逆变器环节也是“卷”的不行,以前只说逆变器,现在开始分传统逆变器和微型逆变器,传统逆变器安全性不如微型逆变器,这在相关公司股价上也是有区别的。
微逆比传统逆变器更好?
先来说说微型逆变器与传统逆变器的区别吧。
在2021年之前,提起光伏逆变器大家首先想到的一定是阳光电源(300274.sz),因为阳光电源股价在2020年5月至2021年2月期间短短大半年时间就暴涨了10倍,炒股的人无人不知无人不晓,同时产业界也说国内逆变器龙头一个是华为一个是阳光电源。
后来随着光伏对逆变器需求的大增,逆变器这个细分领域受到极大关注,在A股市场上逐渐形成了阳光电源、锦浪科技(300763.sz)、固德威(688390.sh)、上能电气(300827.sz)“四大金刚”,当然论规模阳光电源最大。
在“四大金刚”里面各自逆变器的产品又有所不同,阳光电源侧重于组串式及集中式逆变器,同时涉足储能逆变器、户用逆变器,锦浪科技侧重于组串式逆变器,固德威侧重于组串式逆变器并涉及储能逆变器,上能电气侧重于集中式、组串式逆变器。
现在大家应该都知道,逆变器是光伏发电过程中将直流电变成交流电不可或缺的设备,除了直变交外逆变器实际还要承担并网或离网的责任,其性能直接影响的是光伏发电的效率及运行的稳定性。
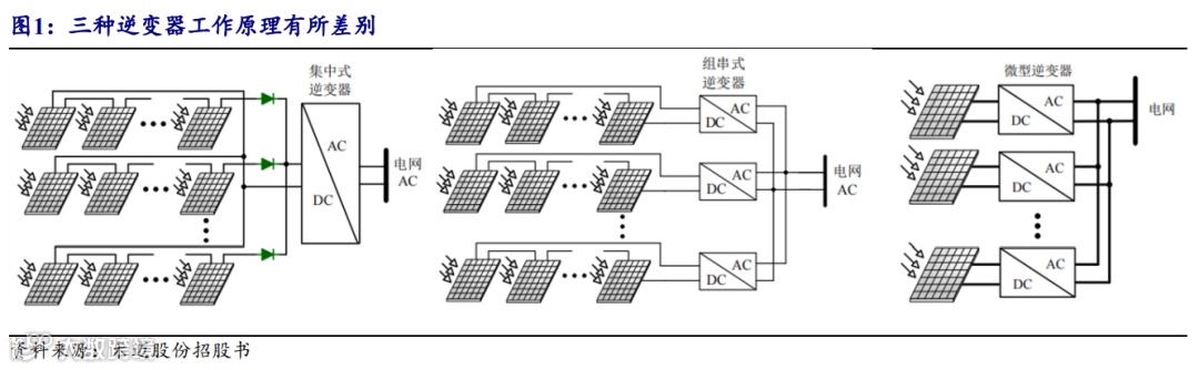
从分类上看,目前主要分为集中式逆变器、组串式逆变器和微型逆变器三种。集中式逆变器就是将大量光伏组件串联在一台逆变器上实现并网,组串式逆变器是将多串光伏组件接入逆变器并联后实现并网,微型逆变器则是将少数组件接入逆变器跟踪后单独并网。

(资料来源:开源证券研究报告)
从这个示意图可以看出,集中式、组串式、微型逆变器的主要区别就是同时接入一台逆变器的光伏组件的数量,大量组件串联接入一台逆变器就是集中式逆变器,分组接入逆变器再并联入网的是组串式逆变器,少量组件接入一台逆变器并单独入网的是微型逆变器。
目前国产微型逆变器主要有一拖二、一拖四两种型号,而国外还有一拖一型号。
除了接入组件多少的区别,微型逆变器与集中式、组串式逆变器的最大区别还在于运行效率高、安全性更好,可以更好的实现与电网的并离关断,主要用于户用光伏发电场景。

(资料来源:开源证券研报)
据开源证券分析,随着分布式光伏的发展以及用户对降低光伏成本的更高要求,主要适用于户用场景的微型逆变器出货量及渗透率将不断提升,预计到2025年全球微型逆变器市场渗透率将达到16%,出货量超29GW,年化增速达70%,市场规模达450亿元以上。
A股目前主攻微型逆变器的上市公司主要有德业股份(605117.sh)、禾迈股份(688032.sh)、昱能科技(688348.sh)等几家。
暴涨15倍的龙头
在这几家主做微型逆变器的上市公司中,德业股份和禾迈股份受关注度最大,德业股份是因为其股价涨势如虹,而禾迈股份则是因为它的股价已经是A股仅次于茅台的第二高价股。
禾迈股份之前在它股价破1000元大关的时候聊过,今天主要聊聊德业股份。
应该说,德业股份本身并非从事微型逆变器的,其起家于小家电除湿器产品,经过多年的发展逐渐涉足到了热交换器、逆变器领域。目前公司主营为蒸发器、冷凝器和变频控制芯片等部件以及除湿机和空气源热泵热风机等环境电器产品的研发、生产和销售,拥有户用逆变器、热交换器、除湿器产品。
2021年,德业股份营收41.68亿,其中热交换器收入23.28亿、占比56.21%,逆变器收入11.98亿、占比28.92%,除湿器收入5.2亿、占比13.58%。今年上半年公司总营收23.73亿,其中逆变器收入11.49亿、同比增长198.42%、占比48.91亿,热交换器收入9.01亿、同比下滑30.34%、占比37.97%,除湿器收入2.79亿、同比增长49.34%、占比11.76%。
上半年德业股份得益于户用逆变器业务的强劲增长,逆变器业务收入占比超越传统家电热交换器业务成为公司第一大业务,也意味着公司成功从传统家电转型到光伏逆变器行业。

(资料来源:东吴证券研报)
德业股份是2021年4月20日登陆上交所主板的,上市之后公司业绩持续保持高速增长,上市之时公司单季度净利润只有1亿,到今年二季度公司单季度利润已经增长到了3.18亿,单季度业绩持续保持高增长!

(数据来源:同花顺网站)
季度业绩的高成长往往对应股价的高估值。因此,也就不难理解德业股份上市以来的亮眼表现了。

(德业股份股价走势截图)
从前复权股价来看,德业股份首日开盘价只有26.64元,到今天收盘其股价为428元,上市一年零4个月大涨超15倍,其中上市至2021年11月涨近10倍,今年4月底以来涨近2.5倍,今天德业股份的市值正式突破千亿!
然而,股价快速的上涨也让投资者产生质疑,会不会是下一个科沃斯(603486.sh),因为科沃斯当初也是这么涨的,结果股价从251.61元跌至85元,暴跌66%。

(股吧截图)
实际上,比持续上涨的股价更值得担忧的是德业股份目前过高的估值。2021年德业股份实现的归母净利润只有5.79亿,以今天收盘1023亿市值算其静态市盈率已高达176倍,动态市盈率也已超123倍。
市场给予这么高的估值当然对公司的业绩增速也提出更高要求,一旦德业股份不能继续保持业绩的高增长,极易出现股价和估值的双杀!
对比同行还能涨?
德业股份能不能继续保持高成长支撑高估值,这确实有待后续业绩的验证。不过,纵观目前全球逆变器上市公司的估值情况似乎都不低,或许也说明这行业未来成长空间可期。
就微型逆变器市场来说,目前美国的Enphase公司一家独大,该公司2021年的营收是13.82亿美元,大约就是96亿人民币左右,这个收入规模是德业股份的2倍多,其最新市值为379亿美元,约合2650亿人民币。

(Enphase股价走势截图)
可以看到,Enphase股价自2016年以来涨幅巨大,从最低0.65美元一路涨到目前最高308.88美元,期间最大涨幅超过470多倍,目前该公司动态市盈率为187.16倍、静态市盈率为197.6倍。
这么看来德业股份与Enphase的估值是相当的,区别只在于两家公司的规模。但是,需要注意的是,Enphase的收入全部来自于光伏行业,而德业股份只有不到一半的收入来自光伏行业,考虑这几年传统家电行业的情况,应该说目前德业股份估值还是高于Enphase的。
另外,德业股份的产品与Enphase也有很大不同。
据德业股份调研报告显示,公司目前的微型逆变器产品主要为一拖四型号,而Enphase主要为一拖一型号,在海外具有深厚的壁垒,而德业股份海外市场主要以贴牌为主。
相比之下,目前A股涉及逆变器的上市公司估值其实都已不低。目前,阳光电源市盈率129倍,锦浪科技192倍,固德威235倍,上能电气289倍,德业股份123倍,禾迈股份235倍,昱能科技448倍。
综上来看,只能说目前全球微型逆变器行业处于高景气度,户用光伏的快速发展推动了微型逆变器的需求,厂商出货量大增,从而资本市场给予更高的估值,但是这种高景气度能持续多久、厂商的业绩高增长又能持续多久才是更值得关注的问题,股价有涨有跌,当估值拔得太高,后期估值回归的时候摔得就会很惨!
(长期坚持原创不容易,希望大家在阅读后顺便点在看,以示鼓励!以上是笔者个人观点,仅供参考,投资风险自担。)
点击下方关键字,阅读往期文章
(财经锐眼已经全面入驻微信公众平台、网易、一点资讯、东方财富、雪球、知乎、搜狐、UC大鱼号、百度百家、同花顺、新浪微博、新浪看点、搜狗、蚂蚁财富、企鹅号、凤凰大风号,欢迎大家关注。)

