
近日,天拓四方与某龙头环保企业再次牵手,共同助力某钢铁集团炼铁厂1#2#3#烧结机烟气循环项目。该项目是继天拓四方成功实施河北某钢铁企业烧结机烟气循环及余热回收利用项目后的又一亮点工程。

烧结烟气内循环技术是利用部分烧结大烟道烟气,经除尘等处理后,烟气返回至烧结机料面,循环使用。项目改造后的烟气循环量可达到原烧结烟气量的30%,烧结烟气后续脱硫脱硝处理量和处理费用大大降低。本项目建成后,每年每吨烧结矿可节约标准煤约2-3千克,降低烧结烟气脱硫脱硝处理运行费约25%-30%。


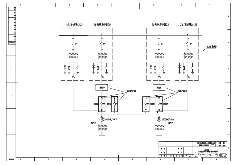
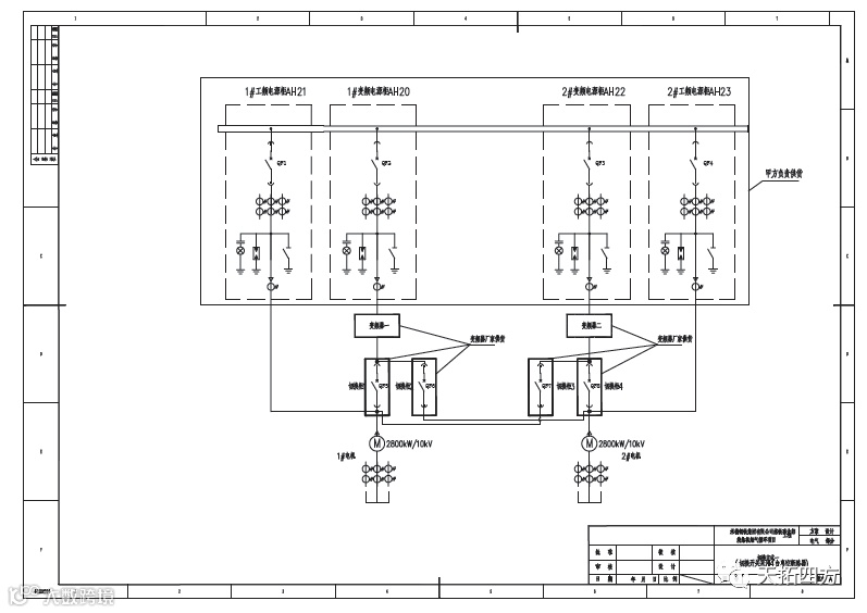
SINAMICS完美无谐波GH180变频器作为一款经典的中压级联拓扑结构变频装置,应用广泛,市场认可度较高。目前已成功应用在电力、石油、化工、采矿、冶金、市政等各种工业行业,帮助用户显著提高生产率、增强能源利用率和降低运行成本。其高可靠性、高精度、长使用寿命的变频应用之首选。
如需了解更多行业解决方案,可拨打天拓四方客户热线400-696-5700,欢迎咨询!
推荐阅读








