12月30日,华东民航局对外发布了《华东地区民航“十四五”发展规划》,明确将“完善通航保障体系,做大通用航空产业”作为十四五时期的重点任务,并将从完善通用机场建设布局、提升低空服务保障能力、做大做强通航服务市场、加强通航制造产业布局引导以下4个方面具体实施(值得一提的是,规划专门提出深化低空空域改革,支持江西、安徽、 浙江低空空域管理改革试点,这意味着浙江低空空域改革试点也正式提上了日程):
1.要求完善通用机场建设布局。积极落实通用机场分类管理政策,引导 通用机场按需建设,提升通用航空机场利用效率,形成特色化、可持 续的发展模式。推广“1+N”通用机场建设模式。在长三角城市群引导 建设大型综合性通用机场,疏解非枢纽功能。加强与军方及地方政府 在空中应急处置、应急救援等方面的协同,合理布局建设直升机起降 点网络。鼓励有条件地区建设水上机场。支持有条件的运输机场完善 通用航空功能。持续推进通用机场北斗星基导航、ADS-B、远程塔台 等运行技术应用,按需建立通用机场仪表飞行程序和PBN 运行能力。依托运输机场航油保障网络,提升通用机场航油供应保障,推广应用 撬装式储油装置,增加通用机场供油站点建设。
2.提升低空服务保障能力。深化低空空域改革,支持江西、安徽、 浙江低空空域管理改革试点,做好试点经验总结和推广。研究在各通 用机场本场空域以及到周边临近机场的转场航线上划设非管制空域, 划设一批用于开展短途运输、空中游览等业务的固定低空飞行航线,争取扩大低空飞行试点空域范围,推进空域“连线成片”,争取现有 临时空域升级为固定空域。深化现有通航服务中心和低空飞行服务平 台建设,提升飞行基础数据收集和处理能力,加大航行情报服务产品 供给。丰富低空气象探测能力,推进通航机场气象探测信息共享,试 点符合实际需求的低空飞行气象服务产品发布体系。探索构建军警民 联合监管平台,围绕空域动态与使用情况进行军民航信息互通、态势 共享,建立地区通航集约化、协同化管理和一站式服务体系。积极鼓 励有条件的运输机场、通用机场建设低空飞行服务站,积极鼓励民营资本参与飞行信息服务平台建设。
3.做大做强通航服务市场。巩固提升飞行培训、航空科普、飞行体 验、航空体育等通航优势业务,积极拓展通航新业态。加大对航空医疗救护、偏远地区短途运输等社会公益类项目运营的政策支持力度, 加强人员、设备等关键要素培育,建设长三角应急救援航空联盟等一 批社会公益类通航项目示范工程。鼓励通用航空发展与旅游资源开 发、引导娱乐消费相结合,提供多样化、特色化低空旅游服务产品。依托金山、杭州、南京、东营、安庆、赣州、青岛等无人驾驶航空试 验区,总结各场景、各业态的试点经验,制订针对性强、可推广复制 的适航、运行、空管等标准及准入规则,研究建立无人机行业大数据 平台,探索基于运行风险的无人机适航审定新路径,联合军地有关部 门开展超大型城市无人机“行业+社会”协同管理模式试点。研究在 更大范围内推广无人机应用,培育和引导无人机产业生态体系发展。
4.加强通航制造产业布局引导。引导优化通用航空产业园布局,强 化已有通航产业园的核心优势产业,在制造、培训、旅游、航空运动、 无人机等各方面形成特色化发展态势,避免各地产业园同质化竞争。支持江西洪都、昌飞、安徽芜湖、浙江万丰等通航制造发展壮大,支持先进通用航空器国际合作项目建设,鼓励提升通航制造国际合作项 目的国产化率,推进国产通用航空器在本地市场的应用推广。
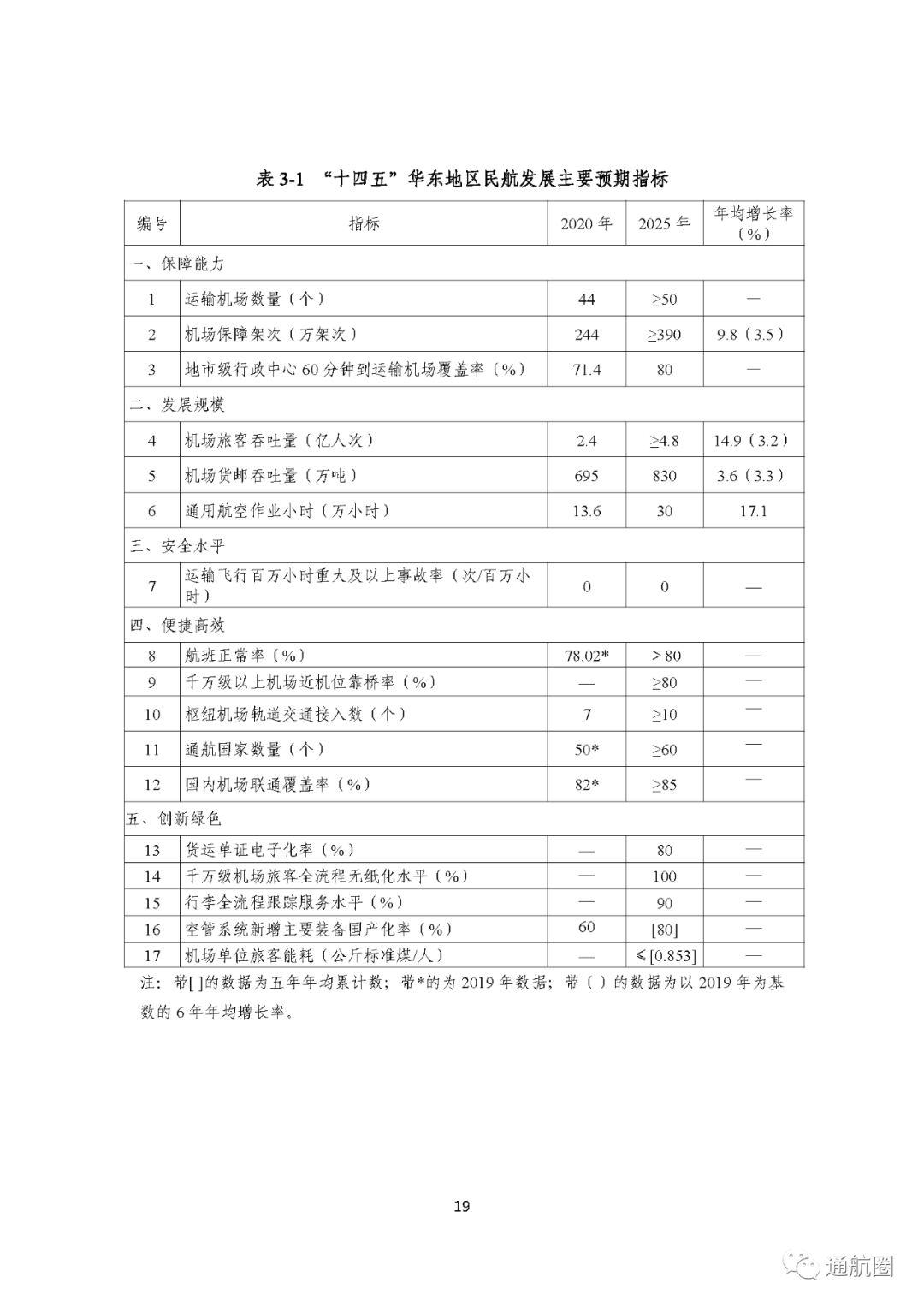
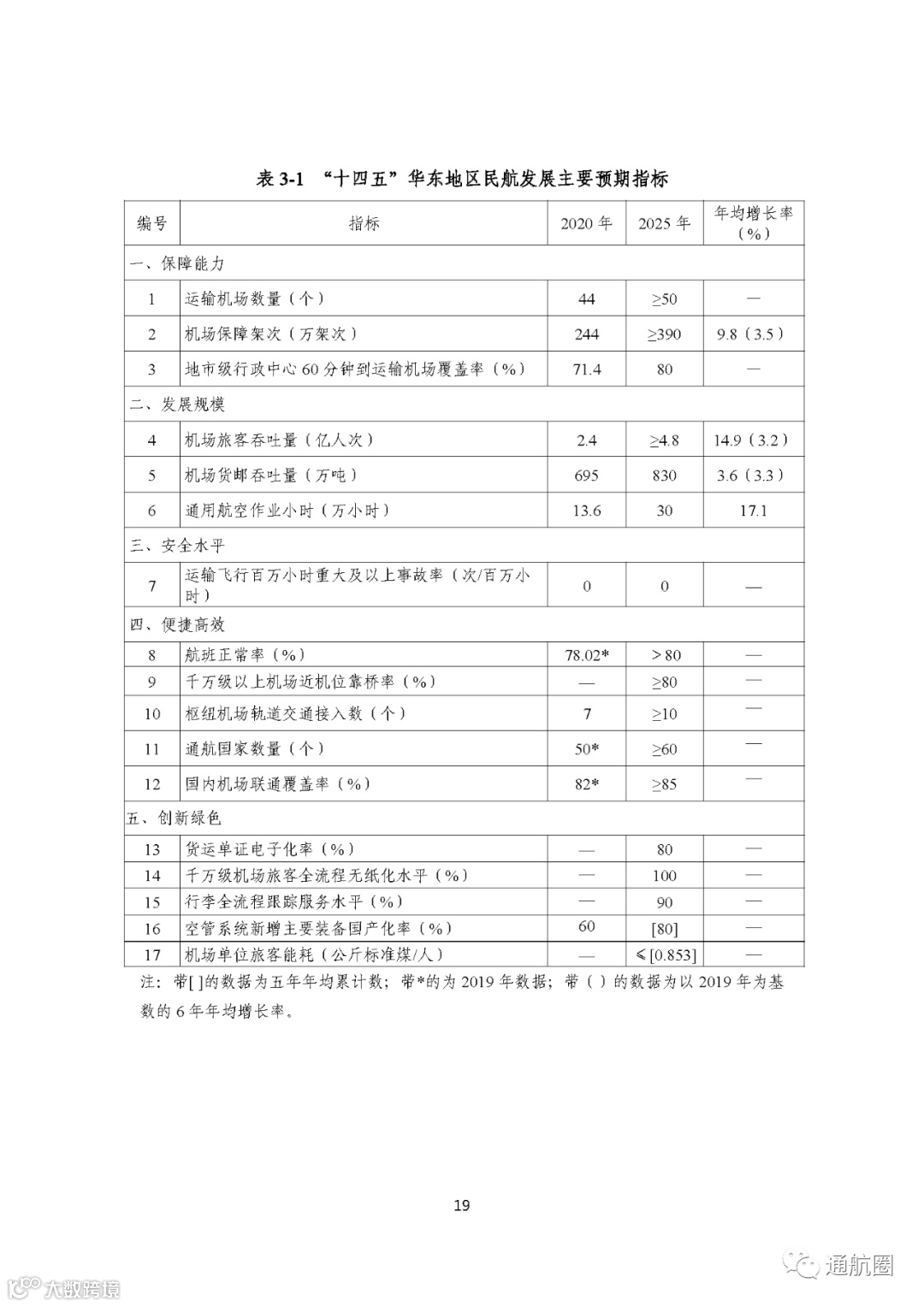
据介绍,十三五时期,华东地区通用航空业务量稳步提升。2020 年,华东地区通用航空完成飞 行13.6 万小时,起降41.2 万架次,“十三五”年均增速分别达到16% 和18%。消费类新业态发展较好,“十三五”时期共有4 个国家通用 航空旅游示范工程,6 个国家航空飞行营地示范工程获批。浙江、江 西、山东短途运输业务蓬勃发展,先后开辟“江西快线”、“环鲁飞” 等10 条定期短途运输线路。通航保障能力进一步增强。截至2020 年底,华东地区建成A 类 通用机场36 个、B 类通用机场41 个,A 类机场数量在全国位居前列, 通用航空器508 架、飞行员869 人。运输机场保障通航服务能力增强, 日照机场成为全国运输航空和通用航空发展融合的先行示范机场。低 空飞行服务保障能力显著提升,航行新技术推广应用成效明显,积极 推进北斗、ADS-B、远程塔台等技术在通用航空运行领域的应用。通航改革试点取得显著成效。出台《民航华东地区促进通用航空发展重点工作措施》,进一步加强顶层设计。搭建通航管理服务平台, 成立华东通航服务中心,启动政务服务中心,自主开发15 项“飞易” 系列公益、延伸服务产品,推动人才共享,通航服务供给进一步丰富。无人机试点工作起到良好示范作用,上海青浦和金山无人机试飞基 地、江西南康无人机物流配送试点运行平稳,已形成可复制可推广的 经验成果,无人机运行风险评估(SORA)试运行工作顺利开展,南 京等6 地成功申报首批民用无人驾驶航空试验基地。浙江省军民融合 低空空域改革试点取得重要进展。
但是通用航空依然面临“飞不起来”的困境。一是通用航空保障能力依然薄弱,低空飞行服务保障体系建设滞 后,通用航空器维修保障能力不足,运输机场保障通用航空飞行的积 极性依然不高,通用机场建设受审批环节多、审批层级高、程序复杂 影响,进展缓慢。二是通航消费市场仍处培育阶段,通航产业社会化、 规模化程度低,企业运行成本高,缺乏成熟的盈利模式,普遍存在融 资难、融资成本高等问题,可持续发展能力堪忧。三是通航发展支撑 要素不足,华东地区由于空域复杂等原因,通航飞行任务报批时间较 长,低空空域使用率低,低空空域改革效果不明显;通用航空器油料加油站稀缺,临时加油困难大;行业专业人才稀缺,稳定性差。
对此,十四五时期华东民航将坚持系统观念,推进客货、国际国内、干线支线、运输与通用航空的协调发展,在十四五末率先实现民航高质量发,在控制和减少通用航空重大事故的同时实现通用航空飞行小时实现倍增,达到30 万小时,成为我国民航的强劲活跃增长极。此外,在重点任务上,还将加快提升适航审定能力,聚焦国产通用飞机、通用航空发动机和航电系统等核心领域,提升通用航空适航审定能力。推进智慧空管建设,推进通用航空北斗机载设备装 备国产飞机。
为了实现上述宏伟目标,在争取政策资金支持上,将主动争取智慧民航、绿色民航、四型机场、四强空管、航空物流、通用航空等各类试点示范任务。协助地方政府,争取国家发改委、交通运输部、海关等中央部委在基础设施建设、口岸建设、通关便利化、综合交通等方面的支持。拓宽民航资金渠道,支持采取PPP、基础设施投资信托基金等模式,吸引社会资本积极参与民航基础设施建设。同时加强与地方政府协调,协调地方政府将机场总体规划纳入机场所在地城市和土地利 用总体规划,严格控制机场周边的开发建设,切实保护好机场净空、 电磁环境和生态环境。鼓励地方政府给予机场、基地航空公司相关政 策扶持,共克疫情难关,加快恢复发展。加强与各省市的沟通,建立 多部门联动合作机制,共同做好长三角民航协同发展战略规划实施工作,确保具体措施落实到位,推进区域民航协同发展。加强与军方沟 通,创新军民航协调机制,完善合作机制,推进军民航运行协同,共 识运行理念、促进运行融合、实现共享共赢。
以下是规划全文:









































投稿邮箱:zjhaika@zjhaika.com
声 明:转载文章,目的在于传递更多信息,并不代表平台赞同其观点和对其真实性负责。如涉及作品内容、版权和其它问题,请及时联系我们更正或删除。文章版权归原作者及原出处所有 ,本平台只提供参考并不构成任何投资及应用建议。

为了更好的传递海卡航空的服务内容、信息资讯、市场动态,请长按二维码进行识别关注海卡航空微信订阅号,共享通航的美好未来。
