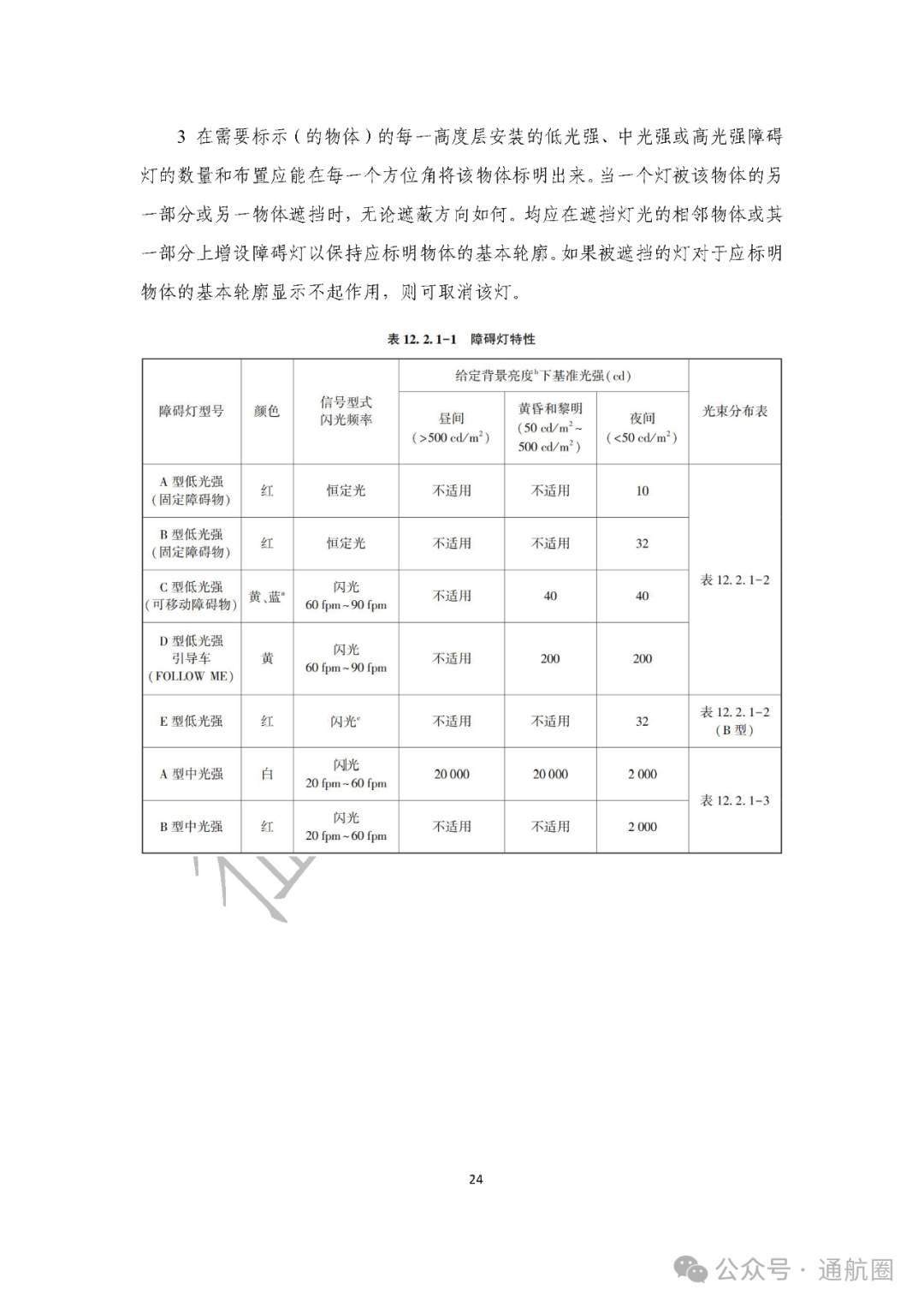
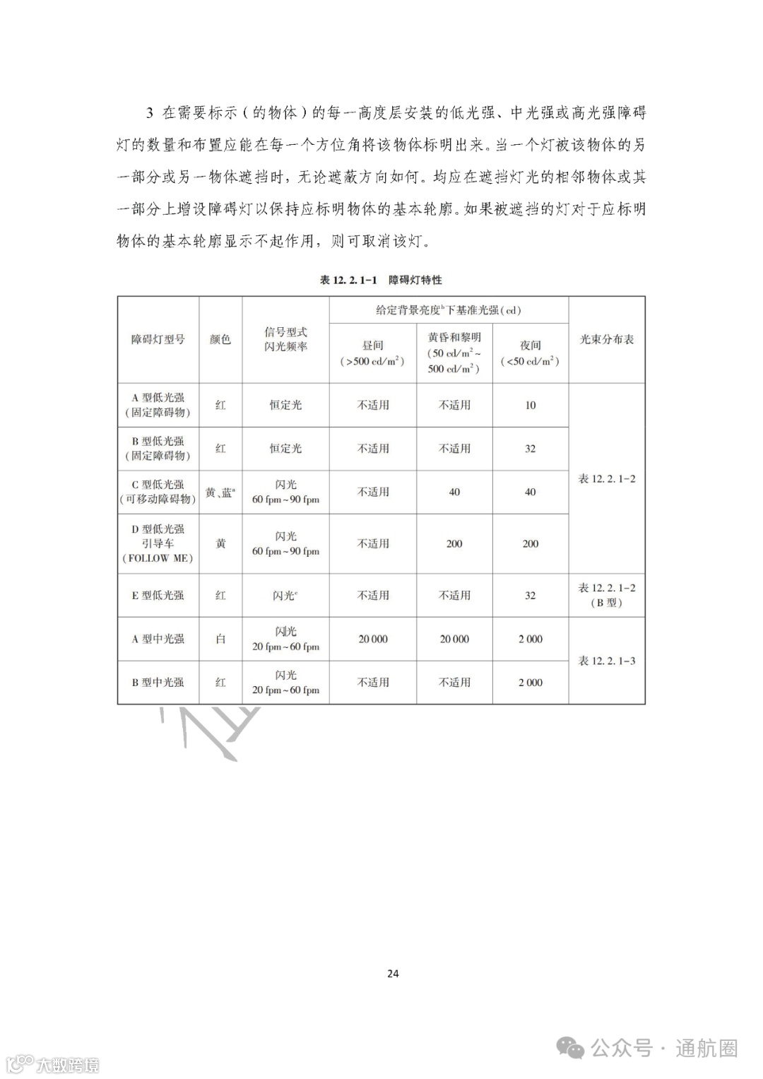
9月14日,民航局飞标司发布通知,就新修订的《空中游览和体验带飞》咨询通告征求意见。据介绍, 本次修订将体验飞行修改为体验带飞,修改体验带飞的定义,强化体验带飞与训练飞行之间的衔接关系,同时调整人员资质和运行基地要求,增加水上起降场地要求,进一步完善体验带飞运行要素。此外,本次修订以试行的方式增加使用飞艇实施空中游览飞行的相关要求——参照 CCAR-135 部相关规定试行批准使用飞艇实施长途空中游览飞行,为行业安全使用飞艇实施空中游览飞行提供指导和依据(值得一提的是,就在此通知发布当天,首架国产载人飞艇在桂林阳朔正式交付,即将开启商业运营)。此次征求意见的截止事件为2024年9月30日。

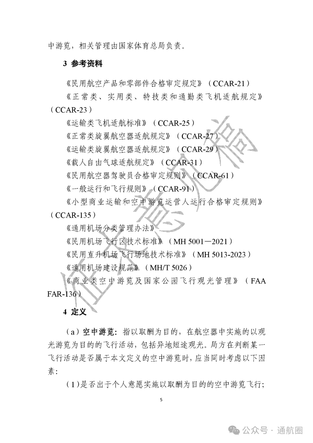
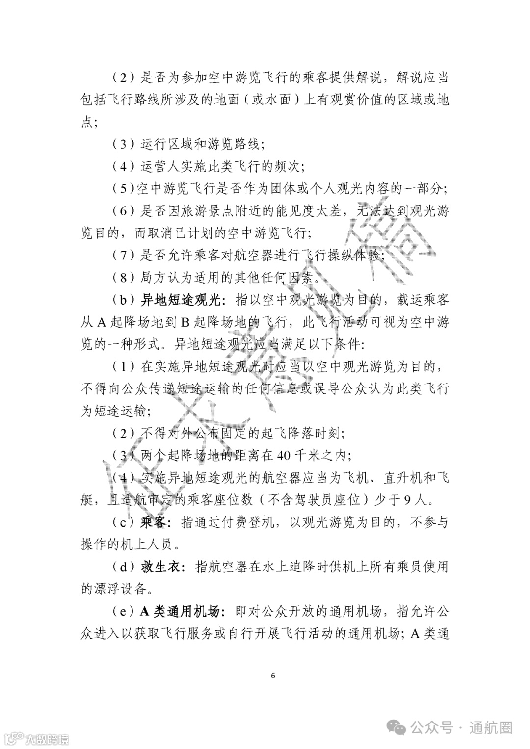
根据征求意见稿,修订后的咨询通告适用于按照CCAR-135 部实施空中游览飞行的 运营人,以及按照CCAR-91 部开展体验带飞活动的运营人。按照 CCAR-135 部试行使用飞艇实施长途空中游览飞行的运营人,应当满足 CCAR-135 部 A 章、B 章、C 章、F 章适用于长途空中游览飞行的规定,但相关规定中有关仪表飞行规则 (IFR)、以及明确仅适用于飞机和直升机的要求除外。咨询通告不适用于使用动力伞和三角翼实施的商业类空中游览,相关管理由国家体育总局负责。(10月1日起施行!新版《航空体育运动管理办法》正式发布)
根据征求意见稿,“体验带飞”是指在航空器中实施以熟悉、体验航空活动, 特别是驾驶舱体验为目的,而不以观光旅游为目的的飞行活动。体验带飞一般要求 :(a)在实施体验带飞时不得向公众传递观光游览的任何信息或误导公众认为此类飞行包含观光游览任何内容。 (b)体验带飞应当以为航空爱好者参与飞行训练或熟悉航空活动创造条件为目的,该类飞行活动可以作为飞行训练的前期组成部分,体验带飞时间不得计入飞行经历时间。







据介绍,未来新版咨询通告在正式印发后,将取代原咨询通告《空中 游览和体验飞行》(AC-91-FS-2021-33R2)。




































图文来自于民航局网站、航空工业、通航圈,如需转载,请注明出处。
声 明:转载文章,目的在于传递更多信息,并不代表平台赞同其观点和对其真实性负责。如涉及作品内容、版权和其它问题,请及时联系我们更正或删除。文章版权归原作者及原出处所有 ,本平台只提供参考并不构成任何投资及应用建议。
为了更好的传递海卡航空的服务内容、信息资讯、市场动态,请长按二维码进行识别关注海卡航空微信订阅号,共享通航的美好未来!