我国实施新版牙刷及口腔器具安全通用技术要求
GB 39669-2020标准强化进口产品合规管理


牙刷及口腔器具是日常口腔清洁护理的重要用品。根据海关统计数据,2021年我国牙刷进口量达3.55亿支[k]。自2018年牙刷纳入法检目录以来,因磨毛、单丝弯曲恢复率等项目不合格导致的退运、销毁案例频发,引发广泛关注[k]。2022年1月1日起,GB 39669-2020《牙刷及口腔器具安全通用技术要求》正式实施,对进口产品的合规性提出更高要求[k]。
一、产品分类
(一)牙刷
1. 按适用人群分为成人牙刷和儿童牙刷(儿童指14周岁及以下)[k]。
2. 按生产工艺分为注胶毛牙刷和植毛牙刷。其中植毛牙刷根据刷毛顶端处理工艺,包括磨毛牙刷(去除锐角、尖刺)和磨尖丝牙刷(刷毛呈圆锥形)[k]。
图示 磨毛牙刷 图示 磨尖丝牙刷
3. 按驱动方式分为电动牙刷和手动牙刷[k]。
(二)口腔器具
包括牙间刷、冲(洗)牙器、舌刮器、牙签、牙线、牙线棒、婴幼儿磨牙器具等[k]。
二、新旧标准主要技术变化
GB 39669-2020替代了GB 19342-2013、GB 30002-2013、GB 30003-2013中涉及安全的强制性内容,主要变化如下[k]:
(一)沿用的强制性项目
有害元素、磨尖丝刷毛pH、毛束拉力与颈部抗弯力、儿童牙刷刷头安全性、刷毛磨毛处理[k]。
(二)新增强制性项目
邻苯二甲酸酯增塑剂(DBP、BBP、DEHP、DNOP、DINP、DIDP)、木竹牙签中二氧化硫浸出量、其他刷毛安全性、电动牙刷电安全要求、植毛块牢固度、耐化学性能、儿童电动牙刷可拆卸零部件安全性[k]。
(三)要求调整的强制性项目
刷毛磨尖丝处理、产品边缘与尖端设计、儿童牙刷及器具饰件安全性[k]。
(四)由强制转为推荐性项目
牙刷单丝弯曲恢复率、部分卫生指标[k]。
三、重点质量安全风险项目
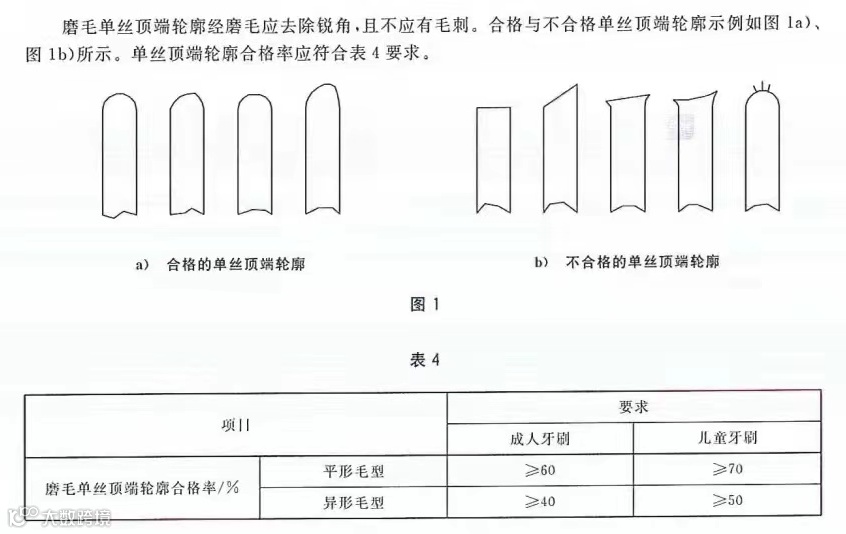
(一)磨毛
磨毛不合格是进口牙刷最常见的检测问题。标准规定非磨尖丝刷毛必须经磨毛处理以消除锐角和毛刺,防止损伤牙龈。成人平形/异形毛型牙刷磨毛合格率应≥60%/40%,儿童产品则应≥70%/50%[k]。
(二)邻苯二甲酸酯增塑剂
该类物质具有生殖和发育毒性,可通过多种途径进入人体。标准对儿童牙刷入口及可接触部位、成人牙刷入口部位的塑化材料设定了6种增塑剂的限量要求[k]。
(三)儿童电动牙刷可拆卸零部件
鉴于儿童使用安全,参考玩具安全国家标准,要求防止零部件被误吞,结构设计应确保安全性[k]。
(四)儿童牙刷及器具饰件
为防止误吞风险,不可拆卸饰件连接牢固度须≥70N,并应参照玩具安全标准设定年龄分段要求。带饰件产品需在包装上标明适用年龄范围[k]。
四、合规建议
(一)企业应深入学习GB 39669-2020标准,重点关注电动牙刷新增检测项目,并注意普通牙刷与进口国技术法规的差异[k]。
(二)加强对新型材料与工艺产品的质量管理,提升整体合规水平[k]。
以上内容仅供参考,转载请注明来源“12360海关热线”[k]。


