搜索
首页
大数快讯
大数活动
服务超市
文章专题
出海平台
流量密码
出海蓝图
产业赛道
物流仓储
跨境支付
选品策略
实操手册
报告
跨企查
百科
导航
知识体系
工具箱
更多
找货源
跨境招聘
DeepSeek
首页
>
图纸给你,你能车出来么?
>
0
0
图纸给你,你能车出来么?
机械自动化圈子
2025-12-03
11
导读:制造业是国家强盛的基础,请关注“金属加工”(mw1950pub)。
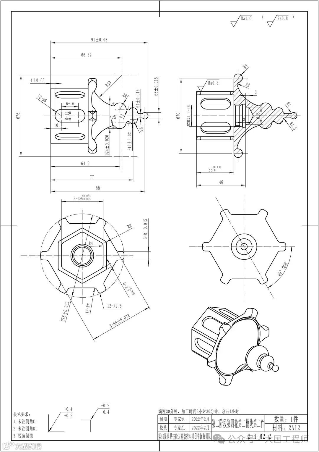
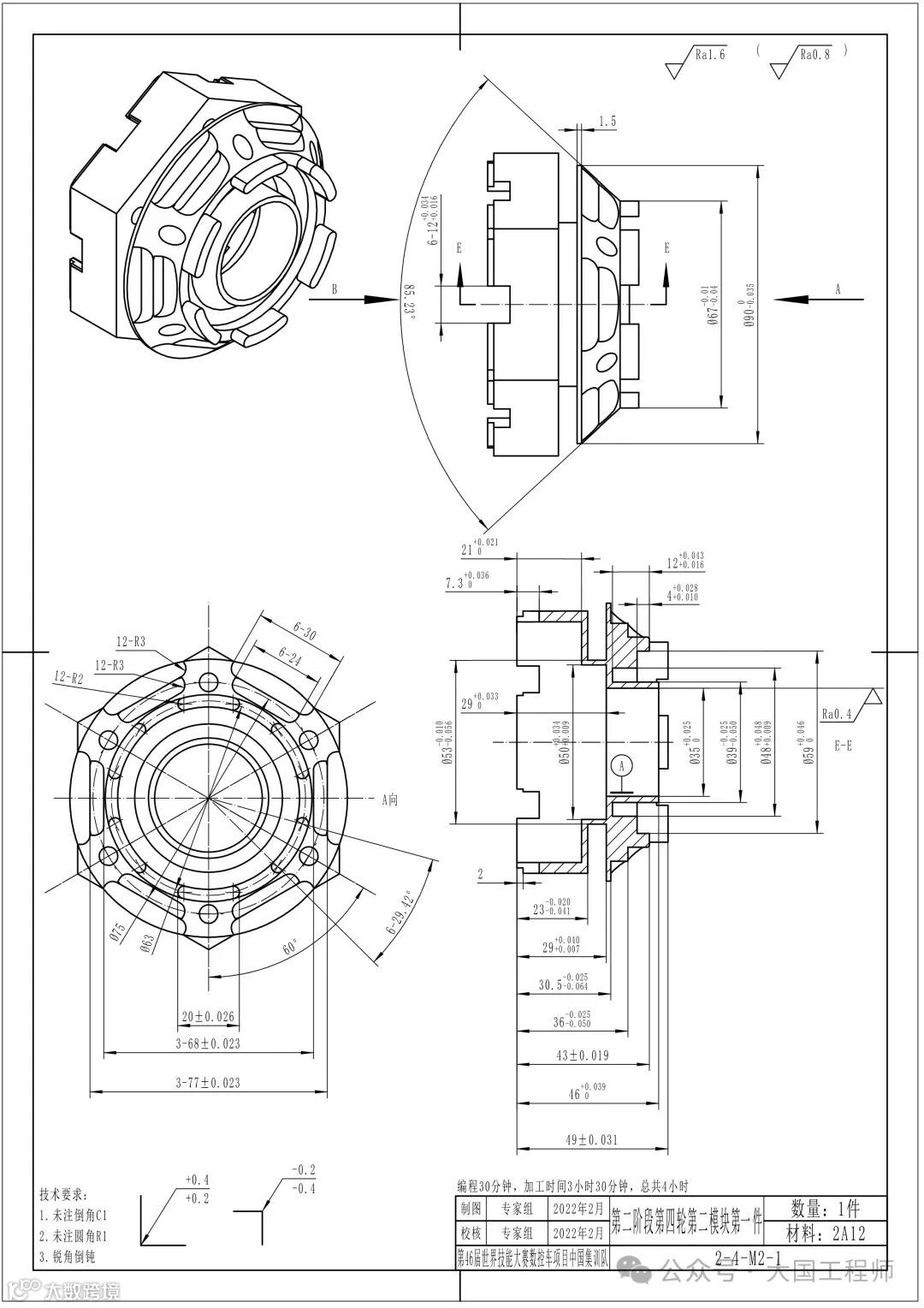
这套图纸出自第46届世界技能大赛数控车项目中国集训队 第二阶段第四轮M2模块,总共包含5张图纸、3个零件。你敢来挑战吗?
5张图纸如下。
免责声明:
本文系网络转载,版权归原作者所有。
所转载文章并不代表本公众号赞同其观点和对其真实性负责。
但因转载众多,无法确认真正原始作者,如涉及作品版权问题,请及时联系我们,我们将删除内容以保证您的权益!
喜欢就点个
在看
【声明】内容源于网络
0
0
机械自动化圈子
20万机械及自动化人聚集地,分享有用有趣内容!
内容
6557
粉丝
0
关注
在线咨询
机械自动化圈子
20万机械及自动化人聚集地,分享有用有趣内容!
总阅读
6.7k
粉丝
0
内容
6.6k
在线咨询
关注