级联多电平变流器前景
高压级联储能通过将多个储能单元串联起来,以形成较高的输出电压,从而实现大规模电能的存储和高效利用。这种储能系统特别适合于大型电站等高电压应用场景,可以直接接入高压电网,无需额外的变压器进行电压变换,减少了能量转换损失,提高了系统的整体效率。
级联多电平变流器优点
图 瑞途优特级联多电平(CHB)变换器
高压级联储能技术作为一种先进的储能方式,在众多应用场景中展现出了显著的优势:
低成本:高压级联技术能够减少储能系统的设备数量和占地面积,从而降低初始投资和运行成本;
高效率:由于能够直接输出较高电压,无需通过变压器进行电压转换,因此减少了能量转换过程中的损耗,提高了整体的能量利用效率;
高安全性:这种技术减少了电池簇的并联情况,从而降低了电池系统的安全风险,提高了系统的稳定性;
提高电池循环寿命:通过减少电池并联,可以避免电池间的不均衡使用,从而延长电池的整体寿命;
适应性强:高压级联储能系统可以更好地适应大型电站等大规模储能场景的需求,同时也能够灵活地应用于不同的电网环境;
空间利用效率高:由于减少了变压器等设备的占地面积,高压级联储能系统在空间利用方面更为高效。
级联多电平变流器拓扑结构
级联H桥拓扑结构如下图所示。36模块级联H桥系统是由本公司自主研发的36个H桥模块组合而成,H桥模块使用的是RTM-PEF4025IF,直流侧使用的是单个光伏或储能元件,网侧滤波器为LCL滤波器(根据使用需求更改端子接线可构成L/LC/LCL滤波器),交流侧预充电电阻由直流接触器控制。

图1 36模块级联H桥拓扑结构
级联H桥系统控制模型
图2 级联H桥系统控制模型
如图2所示,展示系统控制模型,由采样输入,SVPWM有源逆变算法,输出信号及PWM通道设置,变量控制及使能信号,波形观测,保护设置,六部分组成。
①采样输入部分如下图所示,采集每个全桥子模块的直流侧电压、直流侧总电压、输出电流、输出电压、电网电压。将采集的信息传递给SVPWM有源逆变算法部分,进行计算。
图3 采样输入部分
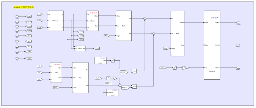
②SVPWM有源逆变算法部分如下图所示,将采集到的直流侧电压、电网电压、输出侧电流传到逆变算法部分,由电压外环、电流内环及SVPWM计算出对应PWM信号,再传递给信号输出部分。
图4 SVPWM有源逆变算法部分
③输出信号及PWM通道设置部分如下图所示,将PWM输出信号分配到对应全桥子模块。
图5 输出信号及PWM通道设置部分
④变量控制及使能信号部分如下图所示,通过变量模块实时给定PWM控制信号、模块使能信号、接触器控制信号、有功无功电流峰值。

图6 变量控制及使能信号部分
⑤波形观测部分如下图所示,通过WAVE模块可以实时显示被测波形,如本次观测为网侧相电压G_UA,G_UB,G_UC,输出侧电流IA,IB,IC,电网角度THETA,输出侧线电压UAB。

图7 波形观测部分
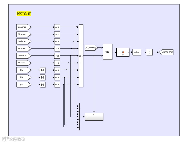
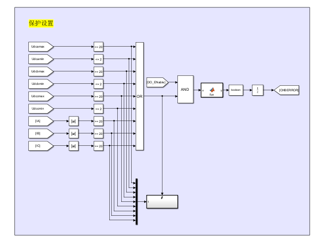
⑥保护设置部分如下图所示,软件内监测电压电流实时状态,当达到预设保护值时,封锁PWM输出信号以及断开使能信号。

图8 保护设置部分
测试结果展示

图9 相电压阶梯波形
图9 网侧电压波形
图9 输出电流波形
南京瑞途优特信息科技有限公司(rtunit®)成立于2016年,是一家专注于电力电子、智能电网和电机驱动领域的国家级高新技术企业。公司以"自主研发、自主品牌、国产化"为核心理念,致力于成为全球领先的工业级电力电子快速原型设备及解决方案供应商,为科研、教育及工业领域提供高效可靠的产品设备、技术服务与定制化系统解决方案。

