由于浓硫酸是一种无色、无臭、透明的油状液体,具有强烈的腐蚀性、氧化性、吸水性,能与许多金属和非金属发生作用。同时,产生的废硫酸质量分数为70%~80%,其中含有大量游离氯,加强了硫酸的腐蚀性,不好处理。对于废硫酸产量较大的企业来说,都在寻找适应自己生产的处理工艺。
新疆圣雄氯碱有限责任公司结合生产现状,目前使用处理能力为 2 万 t / a 的“干法”再生工艺,该工艺分为裂解、净化、干燥转化、吸收 4 个工序,原料废硫酸质量分数为 75% ,采用电石炉气作为燃料提供裂解热量,是一种以裂解炉为核心技术,后续设备工艺均较为成熟的工业制硫酸设备工艺。
2 工艺原理及流程
废硫酸采用热裂解法处理,具体方法是废硫酸经机械雾化后,在高温下裂解,裂解所需热量由电石厂产生电石炉气燃烧供给,相对于国内其他厂家使用的天然气,电石炉气热值 2 500 kJ / m3,远低于天然气的 8 000 kJ / m3,化学反应式如下。
废酸裂解主要任务是使废硫酸中的硫酸分解成SO2 、O2 和 H2O,其他有机物被氧化成 CO2 和H2O。
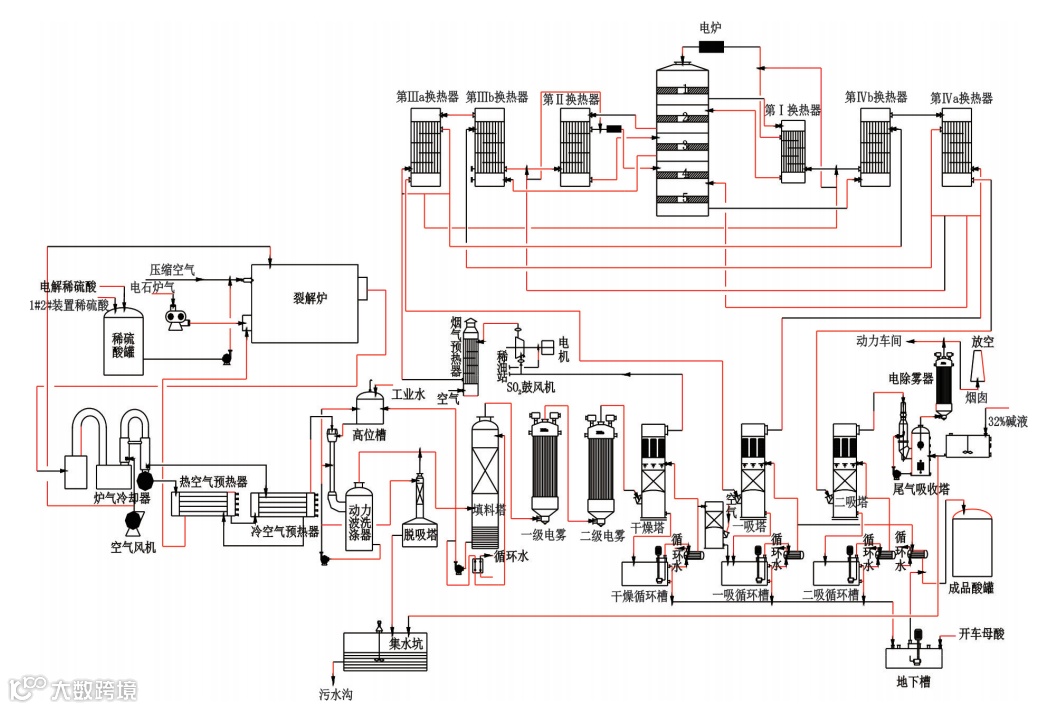
电石炉气经升压机升压后与预热后的助燃空气一起经电石炉气喷枪喷入焚烧炉燃烧,裂解炉气通过炉冷器移热后,再进入两级空气预热器,然后进入净化工段动力波洗涤器进口。裂解炉气进入动力波洗涤器洗去其中大部分 SO3 等杂质并冷却裂解炉气,继续进入填料塔洗涤冷却,从填料塔出来的裂解炉气绝大部分杂质已被清除,经两级电除雾器除去酸雾,净化后的裂解炉气送往干燥塔。净化工段出来的 SO2 气体,通过干燥塔干燥后,经 SO2 鼓风机加压进入烟气预热器预热后依次进入前段转化器反应,反应后气体进入一吸塔进行第一次吸收,被吸收过 SO2 的气体再次进后段反应后,进入二吸塔进行第二次吸收。通过调节加入工业水的量和吸收 SO3的量,维持二吸塔的循环酸浓度在 98% 。二吸塔底部的酸液通过二吸塔循环酸泵增压后,一部分至二吸塔顶部分酸器吸收 SO3 ;另一部分送至一吸塔循环槽,保持二吸塔循环槽的液位。尾气吸收装置主要由尾气吸收塔和电除雾器组成,尾气进入尾吸塔内,用氢氧化钠溶液吸收剩余的 SO2 及 SO3 后,由尾吸电除雾器除去酸雾,经处理后的尾气进行放空。
乙炔清净废硫酸处理工艺流程见图 1。
图 1 乙炔清净废硫酸处理工艺流程
3 本工艺设计特点
(1)采用高温燃烧裂解技术,提高硫的烧出率,减少升华硫和碳的产生。
(2)采用封闭酸洗净化,减少稀酸产出。
(3)采用“3 +2”五段转化,使 SO2 总转化率达到 99. 7% 。设置有脱吸系统和尾气吸收装置,尾气排放中 SO2 质量浓度低于 50 mg / m3,酸雾质量浓度低于 30 mg / m3,排放指标优于 GB 26132—2010《硫酸工业污染物排放标准》 和 GB 15581—2016《烧碱、聚氯乙烯工业污染物排放标准》中的排放标准。
(4)采用质量分数 93. 5% 的硫酸进行炉气干燥,并使用质量分数 98% 的硫酸吸收 SO3 。
(5)采用中温吸收的方式,抑制雾粒的形成并增大雾粒粒径以便除去酸雾。
(6)二吸塔顶部设有进入干燥塔进口管线,增加 SO2 的转化率。
(7)采用集散控制系统(DCS) ,装置正常运行时操作全部自动化,不仅有利于装置的操作管理,更有利于装置的安全、稳定。
4 装置运行情况及效益分析
4. 1 原料消耗
新疆圣雄氯碱有限责任公司硫酸再生装置负责处理氯乙烯硫酸清净装置产生的废硫酸。原料废硫酸中各组分的检测数据如表 1 和表 2 所示。
表 1 废硫酸中各组分的质量分数
表 2 电石炉气中各成分的体积分数
4. 2 产品质量
自生产以来各项数据运行稳定,产品硫酸质量符合 GB / T 534—2014 合格品浓硫酸技术要求的指标,具体检测数据见表 3(采用电位滴定法和紫外分光光度计法分析) 。
表 3 产品硫酸检测数据
4. 3 原材料、辅助材料、燃料和动力
原材料、辅助材料、燃料和动力检测数据(以 1 t100% H2 SO4 计)见表 4。
表 4 公用工程、 主要催化剂、 主要辅助材料消耗数据
4. 4 经济指标
本装置经过一段时间运行分析,初步得到以下运行数据。
(1)1 t 75% 的废硫酸可生产出 98% 的成品硫酸约 0. 72 t。
(2)按表 1 中消耗定额数据计算,生产 1 t 98%浓硫酸消耗工业水 1. 22 t,单价 1. 25 元/ t;电消耗193. 73 kW·h,单价 0. 3 元/ ( kW·h) ;氢氧化钠0. 01 t,单价860. 79 元/ t;压缩空气254. 96 m3,仪表空气 20. 41 m3,氮气 3. 06 m3,电石炉气为自产废气,暂不计入成本,加上岗位操作人员的人工成本及整个项目折旧费用,合计生产 1 t 98% 浓硫酸的费用为 680 元,远高于 98% 浓硫酸市场采购价 350元。
4. 5 环保状况
原料废硫酸中含有的固体、液体及气体杂质会在高温裂解炉中分解成无害气体,同时没有新的固体或液体废弃物产生,也就不会带来污染。为杜绝本项目尾气中 SO2 对环境的污染,本项目采取“3+2”五段转化,使 SO2 总转化率大于 99. 7% ,同时在烟囱进口设置尾气吸收装置,使用 0. 20% ~5. 00% 氢氧化钠溶液吸收尾气中剩余的 SO2 及夹带的酸雾,经过尾气处理的烟气中 SO2 质量浓度不大于 50 mg / m3,酸雾质量浓度不大于 30 mg / m3,通过 35 m 烟囱高空排放,符合 GB 15581—2016 《烧碱、聚氯 乙 烯 工 业 污 染 物 排 放 标 准》 , 优 于 GB26132—2010《硫酸工业污染物排放标准》中的排放标准。
硫酸,一种简单且在工业上不可替代的产品,用途十分广泛,在化学工业领域用于制造数百种化合物,一个国家的硫酸产量代表着这个国家化学工业的发展水平。我国硫酸产量解放初仅有4万吨,到1998年达到2100万吨,位居世界第二,2003年达到3371万吨,产量超过美国位居世界第一。但是在许多生产过程中,硫酸的利用率很低,大量的硫酸随同含酸废水排放出去。废硫酸和硫酸废水除具有酸性外,还含有大量的杂质。这些废水如不经处理而排放到环境中,不仅会使水体或土壤酸化,对生态环境造成危害,而且浪费大量资源。本文主要阐述废硫酸的主要产生途径、特点、对环境的危害以及目前国内外废硫酸的处理方式。
1 国内处理废硫酸的工艺
1.1 锅式浓缩技术
锅式浓缩工艺的突出特点是把酸放置到口径大的铸铁锅内,燃油或燃煤对铸铁锅进行加热,蒸发其中水分,得到浓硫酸。蒸发器即为铁锅,经过加热而蒸发的气相,则于吸收塔内便已被吸收。然后由冷却器进行冷却,完成后外排。在所排出的废酸、废水当中,往往具有较高的有机物、废酸含量。锅式浓缩工艺流程简单。缺点为吸收塔及铁锅易损坏,尤其是其中的游离氯对铁设备腐蚀严重,致使浓缩锅使用寿命缩短。系统运行中,因维修频繁,使得工人有着较大的劳动强度,且维修费用较高。这种回收工艺比较落后,环境污染严重,能量消耗也比较大。
1.2 二效蒸馏技术
有些企业采用化学稳定性优良的石英玻璃作为制作浓缩器的材质,第一步将质量分数80%的废硫酸浓缩到97%~98%,第二步将第一步产生的废酸浓缩到80%左右的酸,返回第一步。蒸馏后的废酸含酸质量分数小于1%,经中和达标排放。该方法经济合理,操作性强,提高了回收酸的质量,而且节能效果明显,循环利用了资源,治理了废酸对环境的污染。但设备材质制作工艺复杂,强度低,造价不菲,未得到广泛推广。
1.3 鼓式浓缩技术
鼓式浓缩回收工艺的实质就是运用燃油,加热压缩空气,使之维持在高温度状态,输送至稀硫酸鼓泡器,实施鼓泡操作,用热空气将稀硫酸当中的水分带出。生产工艺简单为其优点,而缺点即为占地面积大。在实际生产过程中,二氧化硫含量、烟气温度均比较高,同时挥发氯气等复杂组分,具有较强的腐蚀性,所以多选用衬铅及铅材料,易造成严重污染,具有较高的系统能耗。
2 真空汽提工艺技术
河北冀衡化学股份有限公司根据自身特点以及下游产品硫铵的生产需求,经过认真讨论、研究及试验,综合多年的耐酸防腐技术经验,取多种处理工艺之长并进行改良,研究出一套真空汽提技术,用于去除废硫酸中的游离氯。即采用玻璃钢设备作为真空汽提设备进行废硫酸精制,精制后的稀硫酸直接作为生产硫酸铵的原料,节能效果明显,循环利用了资源,杜绝了废酸对环境的污染。
2.1 工艺流程
首先向尾气吸收塔添加碱液,来自氯气干燥工序的含氯硫酸进入硫酸脱氯塔,开启脱氯鼓风机,自硫酸脱氯塔进气口鼓入常温空气,塔顶尾气去尾气吸收塔,经碱液吸收后排空;吹除结束后,过一段时间将来自硫酸脱氯塔塔顶的尾气经水力喷射器形成负压进入尾气吸收塔,经碱液吸收后排空。处理结束后对硫酸脱氯塔塔底罐中稀硫酸取样分析,当游离氯含量合格后,经硫酸循环泵打入稀硫酸储槽;尾气吸收塔塔底罐中产生的次氯酸钠经尾气吸收泵送至原有次氯酸钠储罐。工艺流程图如图1所示。
2.2 工艺优点
(1)稀硫酸、烧碱的设备采用玻璃钢(FRP)材质,采用改性聚四氟乙烯垫片,耐酸碱腐蚀。
(2)含氯气气体管道采用聚氯乙烯/玻璃钢(PVC/FRP)材质,耐氯气腐蚀。
(3)稀酸与烧碱管道采用碳钢/ 塑料(CS/PE)材质,耐酸碱腐蚀。
(4)对整套工艺中加装压力、液位等监控设施,有效监控处理效果,并及时进行调整。
(5)处理前的废硫酸中有效氯质量浓度为1.5~2.5 g/L,处理后的有效氯质量浓度降到0.4 g/L以下,完全满足下游产品硫酸铵的生产使用,由于氯离子浓度减小,降低硫酸对碳钢管道的腐蚀。
废硫酸的处理和再生方法
2.1、中和法
中和法利用碱性物质与废硫酸中和合成硫酸盐,是处理较低浓度废硫酸最简单有效的方法之一,其中石灰石是应用最多的中和剂。中和法的优点是投资少、操作简单,但废硫酸中的有机物、金属及重金等杂质都残留在产物中,对环境会造成严重的二次污染,在目前形势下可行性不高。废硫酸可作为化肥原料用于普钙、硫酸铵等化肥的生产,但废硫酸中所含有毒有害物质会进入肥料中,会对土壤造成污染,对农作物造成危害,进而对农产品造成污染。目前,用废硫酸生产化肥已被禁止。如果用活性炭等吸附其中的有机物和金属杂质,又会产生大量废弃活性炭,而且处理成本较高。
2.2、浓缩法
浓缩法是一种较为成熟且应用广泛的废硫酸处理方法,适用于处理排放量较小且含杂质较少的废硫酸,但该法存在以下缺陷:腐蚀性强,蒸发器通常采用钛或搪瓷材质,设备投资较大;浓缩过程中需消耗大量蒸汽、水和电,处理成本高。操作复杂,设备发生故障后维修困难且费用高。处理量有限。无法去除废硫酸中的杂质,浓缩酸质量低。
2.3、掺烧工艺
浓度较低的有机废硫酸可采用浓缩后用硫磺还原的工艺再生产硫酸。含无机盐的废硫酸可先用石灰石粉中和后经过滤、洗涤生产石膏,石膏再与煤粉在1100℃下发生还原反应生成SO2,SO2经转化、吸收生产硫酸,同时联产石灰。高浓度有机废酸直接喷入石膏制酸的炉窑或冶炼酸的沸腾炉中,利用制酸装置处理高浓度有机废酸,类似高温还原热解处理工艺,可降低投资和废酸处理成本。相比于高温裂解法,该技术利用石膏分解窑的热量分解废硫酸及含硫废液,分解后的SO2和石膏分解得到的SO2一起进入制酸系统,既节约了能源,也节省了制酸系统的投资。
2.4、化学氧化法
化学氧化法以臭氧、过氧化氢、硝酸和高锰酸钾等为氧化剂,在合适的条件下将废酸中的有机杂质氧化分解为CO2和水等。此法存在的问题是氧化效率不高,且成本高,需配合其它工艺使用。目前该工艺在处理蒽醌类废酸、染料废硫酸和含酚废硫酸等方面有工业应用。
2.5、聚合法
聚合法利用催化剂使废硫酸中的有机物在硫酸溶液中发生聚合、炭化、磺化等反应生成碳材料,通过水洗实现废酸中有机物与酸分离。聚合法不改变硫酸的结构,能耗低,所得到的硫酸有机物含量低,有望用于处理烷基化、乙炔净化、氯甲烷净化等工艺产生的高浓度有机废酸。
2.6、高温裂解法
高温裂解法是目前处理废硫酸最成熟可靠、且清洁彻底的处理方法。高温裂解再生技术将推广到更多产生废硫酸的行业中。但对于规模较小的废硫酸产生企业,建设和运营小的硫酸裂解制酸装置运行成本高、操作风险大。
2.7、萃取工艺
萃取法将有机溶剂与废硫酸充分接触,使废硫酸中的有机杂质转移到溶剂中,从而得到净化的硫酸。与其它方法相比,萃取法的技术要求较高、对萃取剂的要求苛刻、运行费用较高,国内工业化应用较少。
2.8、其它几种具有广阔应用前景的废硫酸处置方法
2.8.1、 适用于处理含有机杂质废硫酸的转化法
这是一种安全、环保、高效的废硫酸处置工艺。其技术路线有多种。
一是将废硫酸与硫磺混合,控制在较低温度下分解,生成二氧化硫气体,以碱吸收二氧化硫气体制得亚硫酸钠。所含有机杂质分解为二氧化碳气体等排放。所得产品亚硫酸钠市场畅销,出厂价3000元/吨左右。经济效益显著。
二是将废硫酸与含铁物料混合制得硫酸亚铁,煅烧硫酸亚铁,经洗涤干燥得氧化铁红产品,出价3500元/吨以上。处置过程用碱对所产生的二氧化硫气体进行吸收制得亚硫酸钠,经济与环境效益显著。
三是将废酸与镁法脱硫废渣反应生产硫酸镁并回收二氧化硫。但该工艺存在有三大问题,即硫酸镁产品质量问题、硫酸镁附加值偏低问题和二氧化硫的消纳途径问题,需要深化研究。
2.8.2 、钛白废酸的处理方法
目前硫酸法钛白粉产生的废硫酸主要有以下几种综合利用途径:直接利用废硫酸生产净水剂PFS;将稀废硫酸用煅烧窑气增浓后以98%浓硫酸混配成55%中酸,分离大部分硫酸铁盐后直接用于湿法磷化工产品生产;废硫酸经分离除铁后用液氨中和,浓缩硫酸铵溶液,结晶生产硫酸铵产品;废硫酸用含铁固废中和后得硫酸亚铁溶液,再采用碱循环法工艺生产氧化铁颜料或软磁铁氧体用氧化铁。
2.8.3、 对硝化及含氟废硫酸的利用
根据硝酸,氟化氢和硫酸物性特征的不同,控制工艺条件首先实现硝酸或氟化氢与硫酸的分离,收得硝酸或硝酸盐,氢氟酸或氟化盐。再浓缩硫酸得工业硫酸。

