搜索
首页
大数快讯
大数活动
服务超市
文章专题
出海平台
流量密码
出海蓝图
产业赛道
物流仓储
跨境支付
选品策略
实操手册
报告
跨企查
百科
导航
知识体系
工具箱
更多
找货源
跨境招聘
DeepSeek
首页
>
【行业标准】城镇燃气经营企业安全生产标准化规范(含评分表)
>
0
0
【行业标准】城镇燃气经营企业安全生产标准化规范(含评分表)
加气站运营小助手
2025-11-17
22
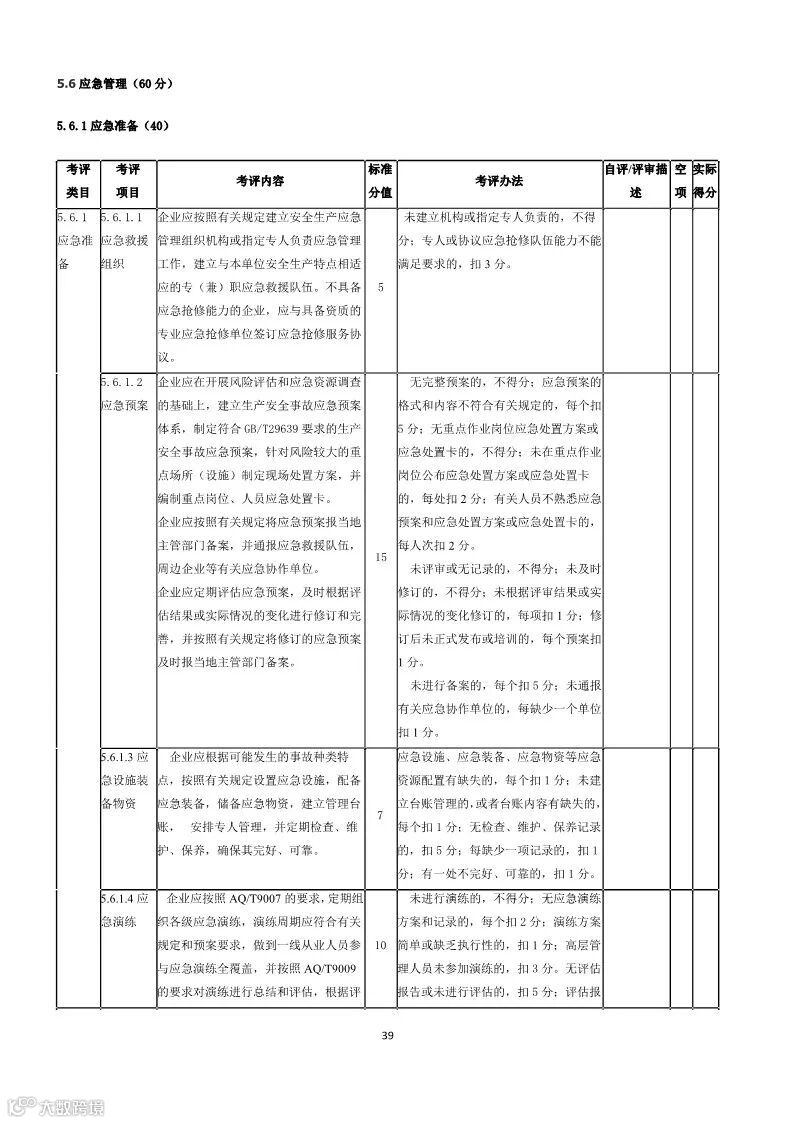
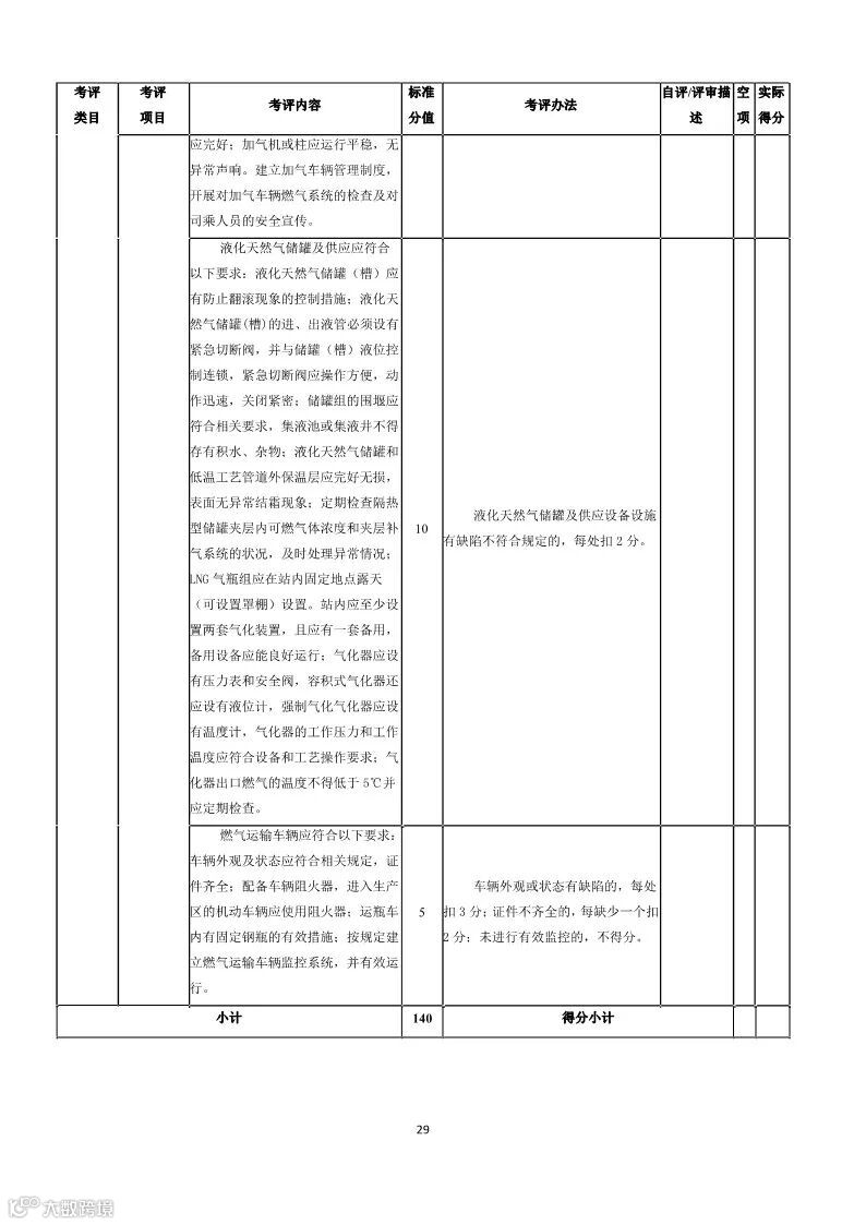
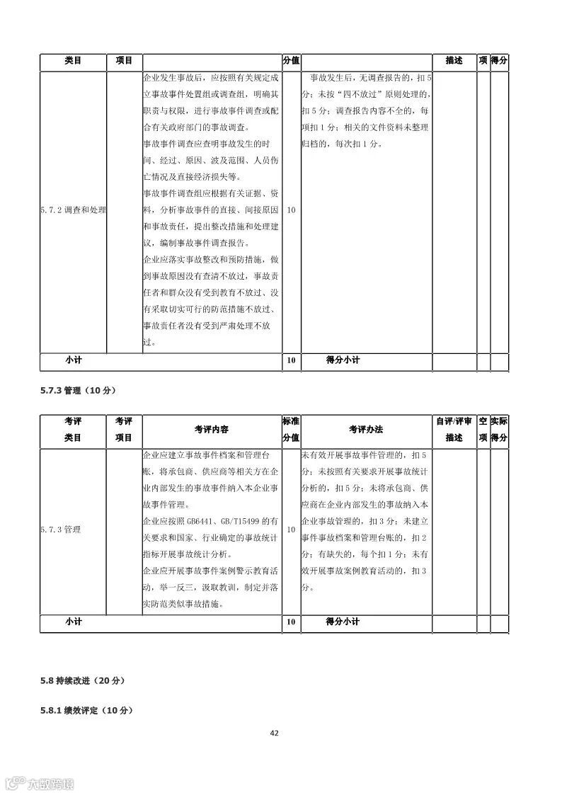
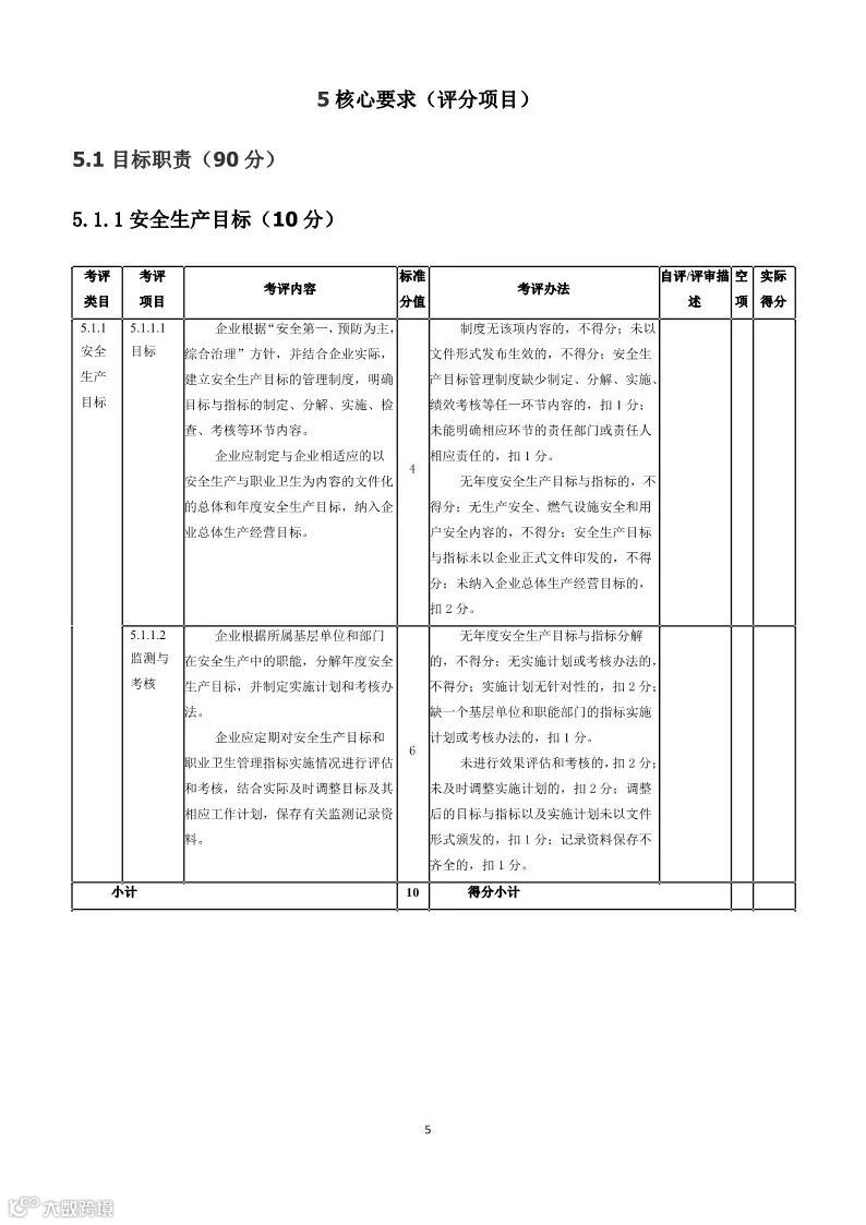
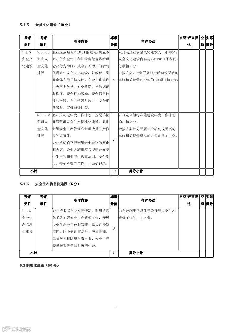
导读:《规范》适用于LNG加气站安全生产标准化建设。
《规范》适用于LNG加气站安全生产标准化建设。
【声明】内容源于网络
0
0
加气站运营小助手
1234
内容
77
粉丝
0
关注
在线咨询
加气站运营小助手
1234
总阅读
296
粉丝
0
内容
77
在线咨询
关注