风 电 塔 筒 制 造 工 艺
目录
1. 塔筒制造工艺流程图
2. 制造工艺
3. 塔架防腐
4. 吊装
5. 运输
一、 塔架制造工艺流程图
(一) 基础段工艺流程图
1. 基础筒节:H 原材料入厂检验→R 材料复验→R 数控切割下料(包括开孔) →尺寸检验→R 加工坡口→卷圆→R 校圆→100%UT 检测。
2. 基础下法兰:H 原材料入厂检验→R 材料复验→R 数控切割下料→R 法兰拼缝焊接→H 拼缝 100%UT 检测→将拼缝打磨至与母材齐平→热校平(校平后不平度≤2mm)→H 拼缝再次 100%UT 检测→加工钻孔→与筒节焊接→H 角焊缝 100%UT 检测→校平(校平后不平度≤3mm) →角焊缝 100%磁粉检测。
3. 基础上法兰:外协成品法兰→H 入厂检验及试件复验→与筒节组焊→100%UT检测→H 平面检测。
4. 基础段组装:基础上法兰与筒节部件组焊→100UT%检测→H 平面度检测→划好分度线组焊挂点→整体检验→喷砂→防腐处理→包装发运。
(二) 塔架制造工艺流程图
1. 筒节:H 原材料入厂检验→R 材料复验→钢板预处理→R 数控切割下料→尺寸检验→R 加工坡口→卷圆→R 组焊纵缝→R 校圆→100%UT 检测。
2. 顶法兰:成品法兰→H 入厂检验及试件复验→与筒节组焊→100%UT 检测→平面度检测→二次加工法兰上表面(平面度超标者)。
3. 其余法兰:成品法兰→H 入厂检验及试件复验→与筒节组焊→100%UT 检测→平面度检测。
4. 塔架组装:各筒节及法兰短节组对→R 检验→R 焊接→100%UT 检测→R 检验→H划出内件位置线→H 检验→组焊内件→H 防腐处理→内件装配→包装发运。
二、 塔架制造工艺
(一) 工艺要求:
1. 焊接要求
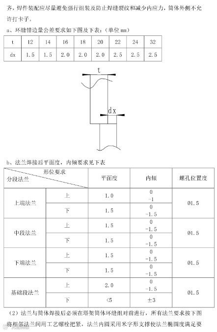
(1) 筒体纵缝、 平板拼接及焊接试板, 均应设置引、 收弧板。焊件装配尽量避免强行组装及防止焊缝裂纹和减少内应力, 焊件的装配质量经检验合格后方许进行焊接。
(2) 塔架筒节纵缝及对接环缝应采用埋弧自动焊, 应采取双面焊接, 内壁坡口焊接完毕后, 外壁清根露出焊缝坡口金属, 清除杂质后再焊接, 按相同要求制作筒体纵缝焊接试板, 产品焊接试板的厚度范围应是所代表的工艺评定覆盖的产品厚度范围, 在距筒体、 法兰及门框焊约 50mm 处打上焊工钢印, 要求涂上防腐层也能清晰看到;
(3) 筒节纵环焊缝不允许有裂纹、 夹渣、 气孔、 未焊透、 未融合及深度>0. 5mm的咬边等缺陷, 焊接接头的焊缝余高 h 应小于焊缝宽度 10%;
(4) 筒节用料不允许拼接, 相邻筒节纵焊缝应尽量错开 180 度, 筒节纵焊缝置于法兰两相邻两螺栓孔之间。
(5) 焊工资格要求:焊接工作由取得相应项次资格的焊工担任。
(6) 焊接材料要求:焊接材料的选用, 必须经过严格的严格焊接工艺评定, 正式焊接时必须按工艺评定合格的焊材选用, 焊接材料的性能必须符合焊接工艺评定要求, 并提交焊接材料质量证书。
(7) 焊接条件及要求:所有多层焊要求层间温度控制在 100~200℃之间, 或按焊接工艺执行, 焊接环境温度不得低于 0℃(低于 0℃时, 应在施焊处 100mm 范围内加热到 15℃以上), 相对相对湿度不得大于 90%。 特殊情况需露天作业, 出现下列情况之一时, 须采取有效措施, 否则不得施焊。
a) 风速:气体保护焊时>2m/s;其他方法>10m/s。
b) 相对湿度>90%。
c) 雨雪环境。
d) 环境温度<5℃。
2 筒节下料要求
(1) 板材均应进行外形尺寸及板材表面的外观检查, 合格后方可投料使用。
(2) 下料车间用数控切割机进行下料, 下料时按塔筒筒节展开的实际尺寸进行,不必加上刨边余量。(注: 必需对塔筒展开的实际尺寸校核); 下料后, 长度和宽度方向的尺寸允许偏差为±1mm, 对角线尺寸允许偏差为±2mm。
(3) 塔筒的每一节筒节下料完成后, 由下料车间负责进行标记, 其内容包括:产品编号、 炉批号、 筒节的件号及板料厚度, 画出该节外形示意图并标出外形尺寸。
3 筒体的组焊要求
(1) 机械加工用磁力切割机进行切割纵缝坡口, 清除距坡口边缘 20mm 范围内泥土、 油污及预处理底漆等。
(2) 塔体筒节按图纸和技术要求进行滚圆, 依据焊接工艺焊接筒节纵缝, 然后进行筒节校圆(滚圆和校圆时, 要将卷板机的上、 下辊表面清理干净, 不允许有任何异物存在), 保证同一断面内其最大内径与最小内径之差不得大于 3mm, 同一节锥段最长与最短母线差不得大于 1mm, 每一段端口处的外圆周长允许偏差为±5mm。
(3) 塔体筒节环缝坡口按焊接工艺所定尺寸利用磁力切割机进行切割, 并将坡口打磨光滑, 清除切割留下的氧化残渣和据坡口边缘 20mm 范围内泥土、 油污及预处理底漆等。
(4) 塔体的组对:
①组对时, 为保证壳体外表面的质量, 组对用的工卡具应焊接在塔体的内表面。工卡具拆除时, 不得伤及塔体表面, 宜用碳弧气刨方法去除, 且留 2-3mm 的焊肉厚度, 切割后用砂轮将切割部位的焊疤打磨与周围母材平齐, 并将母材上的飞溅彻底清理干净;焊接时, 引弧要在坡口内进行不得随意起弧和熄弧, 焊缝成型必须保证均匀一致, 焊接完成后, 应彻底清除药皮和飞溅。
②每组对(点焊) 一段筒节, 沿 4 条向心线测量其母线的长度, 最长与最短母线差不得大于 2mm, 然后再进行正式焊接。风机塔最长与最短对角线长度不得超过5mm。塔体纵、 环焊缝组对间隙:0~1mm;纵、 环焊缝对口错边量≤δ /5(δ 为板料厚度), 且不大于 3mm。
4. 风机塔底座部分
(1) 筒体下料后, 长度和宽度方向的尺寸允许偏差为±1mm, 对角线尺寸允许偏差为±2mm。筒体上所有孔数控切割, 切割后将熔渣打磨干净。
(2) 底法兰环与筒节组对点焊, 焊接底座底法兰环与筒节的角缝, 该角焊缝超声检测合格后, 然后对底座底法兰环进行校平, 平面度≤3mm。
(3) 底座上法兰与筒节的焊接按焊接工艺执行。
(二) 质量要求
(1) 对接接头错变量要求:纵、 环缝对口错变量≤δ /5(δ 为板料厚度), 且不大于 3mm。
(2) 直段塔节的圆度要求:同一断面内其最大内径与最小内径之差不得大于10mm;其直线度允差要求:任意 3000mm 长圆筒段偏差不得大于 3mm, 塔体各段的总偏差均应小于 20mm;塔架筒节的母线偏差要求最长与最短母线差不得大于2mm
(3) 每一段筒体预制完成后, 及时通知质检科人员进行检查, 合格后方可进入下道工序。
(4) 法兰与塔体组焊完毕后, 上法兰的下平度≤3mm, 二次加工后上法兰的不平度≤0. 5mm;底座底法兰环的不平度≤5mm;其余法兰的不平度≤2mm(要求向内凹-0. 5~1. 5mm)。
(5) 制造中应避免钢板表面的机械损伤。最与尖锐伤痕、 刻槽等缺陷应予修磨,修磨范围的斜度至少为 1:3。修磨的深度应不大于该部位钢材厚度的 5%, 且不大于 2mm, 否则应予焊补, 补焊后打磨至与周围母材齐平。
(6) 各段筒体在喷砂前, 必须进行联检, 联检合格后, 方可进行喷砂。
(三) 工艺过程控制
1 材料:
(1) 所有法兰均采用整体锻造(基础下法兰除外), 机械性能和化学成分应满足相应的国家标准 GB/T1591-94 要求, 材质、 锻件级别按图纸要求, 各项性能要求指标应符合 JB4726/JB4726 要求, 所有法兰材料必须按不同炉号进行复验, 材料应具备完整的质量证明文件。
(2) 基础下法兰材料符合图纸要求, 基础下法兰一般采用钢板拼接, 拼缝要求100%UT 探伤检查, 符合 JB/T4730-2005II 级合格要求。考虑焊接收缩, 组对时外环摆放线尺寸在图纸外圆直径上增加 5mm。
(3) 筒体材料选用按图纸及技术协议要求, 机械性能和化学成分应满足相应的国家标准, 材料必须按不同炉号复验, 所有材料应具备完整的质量证明文件。
2 筒节的制备
(1) 钢板预处理(基础段除外):钢板进行抛丸处理, 彻底清除钢板表面氧化物、油污等污物, 钢板表面粗糙度达 Sa2. 5 级(即表面粗糙度 40~80um), 喷环氧富锌底漆 15um。
(2) 下料:对每一筒节编程, 单节筒节高度方向留 0. 5~1mm 的焊接收缩余量,采用数控火焰切割下料, 切割后用记号笔做好标识, 内容包括项目名称、 产品编号、 筒节编号、 钢板规格、 材质等。 半自动仿形切割加工坡口, 坡口切割表面要求光滑平整。 做好炉批号标记移植及记录, 所有标识在筒节内表面。




A. B. C. D 四个象限斜边长, 其相对差值 3mm 以内为合格。
(6) 焊缝检验及焊缝质量要求
①所有对接焊缝、 法兰与筒体焊缝为全焊透焊缝, 焊缝外形尺寸应符合图纸或工艺要求, 焊缝与母材应圆滑过度, 焊接接头的焊缝余高 h 应小于焊缝宽度 10%。
②焊缝不允许有裂纹、 夹渣、 气孔、 未焊透等缺陷。
③焊缝和热影响区表面不得有裂纹、 夹渣、 气孔、 未熔合及低于焊缝高度的弧坑、深度>0. 5mm 的咬边, 熔渣、 外毛刺等应清除干净。
④焊缝外形尺寸规定值时, 应进行修磨, 按压力容器要求局部补焊, 返修后应合格。
4 塔架门框的焊接
(1) 塔架门框与筒体的焊接须完全焊透, 并且塔架门框与筒体焊接应在平焊位置进行。
(2) 门框开孔应在相应筒节纵缝焊接完成之后进行, 要求先按门框装焊图展开放样制作样板, 再划线、 切割, 并按焊接工艺或图样割出坡口, 要求坡口表面光滑平整呈金属光泽。
5 塔架附件焊接与组装
(1) 附件的焊接在塔架主体完工后进行, 附件的焊接位置不得位于塔架焊缝上,附件焊接要求光滑、 平整、 无漏焊、 烧穿、 裂纹、 夹渣等缺陷。
(2) 所有靠紧固件联接的附件, 应在最终涂装后安装, 附件装配前应去除毛刺、飞边、 割渣等。
(3) 门板装配应保证与塔架贴合紧密, 开启顺利无阻塞现象。塔架门套应安装封条, 确保密封条防水。 门锁防盗、 防锈, 要求配套钥匙能开全部门锁, 梯子与梯架支撑应按装牢固, 上下成直线, 接头牢固。
(4) 为保护好油漆, 安装过程中应避免转动筒体, 故在喷漆时提前将筒体梯子的方位调整至最下侧, 以利于梯子的按装。 按装过程中进入筒体必须穿脚套, 在筒体内放置任何物品都必须在筒体上垫毛毡一类的软物。
(5) 安装顺序:先安装平台, 在安装电缆支架等小件, 最后按装梯子, 以方便操作者在筒内走动。
三、 塔架防腐
(一) 表面处理工艺
1 一次表面处理, 风塔采用钢板抛丸预处理流水线。
(1) 钢板处理前, 检查抛丸装置及附属设备是否符合施工要求。抛丸磨料应干燥无油污、 杂物, 钢丸颗粒直径以 1. 2~1. 5mm 为宜。
(2) 钢板处理后表面达到 GB8923-88 之 3. 2. 3 条 Sa2. 5 除锈等级, 基体表面粗糙度 Rz40um~Rz70um, 吹净滞留在表面的丸粒、 灰尘等杂物。 无可见的油污、 氧化皮及其它污物, 表面应具有金属底材的光泽。
(3) 对预处理钢板的要求:钢板抛丸处理板边处留有一定宽度不进行喷漆, 板宽方向单边留 50mm 左右, 长度方向单边留 100mm 左右。 焊缝坡口两侧 20mm 范围内富锌底漆必须磨掉, 见金属光泽。
2 二次表面处理, 主要是动力工具打磨, 锈蚀部位打磨除锈。底漆完好部位用动力工具或手工砂纸拉毛处理。 表面无可见的油污, 氧化皮及其他污物, 对损坏锈蚀部位喷砂打磨至 GB8923-88 之 3. 2. 3 条 Sa2. 5 除锈等级, 基体表面粗糙度40um~80um, 吹净滞留在表面的砂粒、 灰尘等杂物。 无可见的油污, 氧化皮及其他污物, 表面应具有金属底材的光泽。
3 对磨料的要求:喷砂所用的磨料应符合 GB6484-1986《铸钢丸》、 GB6485《铸钢砂》 的标准规定的铸钢丸、 铸钢砂或铜矿砂。
a) 钢砂、 钢丸: 金属砂最好的棱角砂与钢丸混合使用, 30%, 70%, 棱角砂棱角砂的规格为 G25、 G40, 钢丸的规格为 S330。
b) 非金属磨料:不准用海砂, 建议使用铜矿砂和金刚砂。粒度为:16-30 目,磨料硬度必须在 40-50Rc 之间。 完成打砂清理后, 必须除去所有打砂残留物并从打沙表面上彻底除去灰尘。
(二) 涂装:喷砂除锈完成后 4 小时之内进行喷砂。
(1) 防腐配套方案:根据具体项目按照图样及技术协议的要求执行。
(2) 油污材料:由油漆制造厂供货时必须带有技术产品的材料安全参数表, 以便于制定符合现行的健康、 安全和环境保护法规的涂漆工艺。
(3) 预涂和喷漆首先用圆刷子对边、 角、 焊缝进行刷涂, 以及使用无气喷涂难以接近的部位进行预涂, 然后采用无气喷涂进行, 不允许使用滚刷。 如果部位的表面温度低于环境空气的露点以上+3℃, 绝对不能涂漆。 相对湿度不能超过 80%。 必须遵守制造厂给出的涂漆各层之间的最短和最长间隔时间。 不能高于或低于油漆供货厂家规定的部件表面和环境空气的最低和最高温度值。
( 4 ) 涂层质量检验及油漆干膜厚度测量:
外观无流挂、 漏刷、 针孔、 气泡等现象, 薄厚均匀、 颜色一致、 平整光亮, 在每段塔筒内、 外侧均匀分布数点检查涂膜厚度, 大的每 3 平米进行一次测量。 一点的读数应当是距其 26mm 范围内其他三点的平均值, 膜厚的分布根据 80-20 原则测量, 即所测干膜点数的 80%应当等于或大于规定膜厚, 剩余的 20%的点数的膜厚应不低于规定膜厚的 80%, 并作施工检查记录。 对于膜厚度没有其它要求, 则认为公差要求为±20%。
四、 吊装
吊装不允许吊钩直接吊法兰, 每批塔筒均应配设备吊耳。
1. 起重工必须熟悉起重方案及设备性能、 操作规程、 指挥信号和安全要求。
2. 起吊前起重人员必须明确分工, 交底清楚, 各负其责, 共同协作。
3. 起吊前, 必须正确掌握掉件重量, 不允许起重机超载使用, 严格检查吊耳, 绳扣应捆绑在重物的重心上并拴绑牢固, 以免重物脱钩或滑脱。
4. 在正式起吊前, 应进行试吊, 将重物调离地面 200mm~300mm 左右, 检查各处受力情况, 如无问题, 再正式起吊。
5. 起吊时, 要有专人指挥, 发出信号必须准确、 清楚。禁止非施工人员进入施工场地, 危险区应设有警告标志。 起吊重物不得长时间停止在空中。 起吊重物下方禁止有人。
五、 包装运输
1. 塔架制造检验合格后, 分段运输到安装现场。
2. 塔架所有配件安装完毕后发运。塔体附件采用集中或装箱包装, 塔体紧固件采用包装箱方式。
3. 安装到塔架主体上的附件必须在发运清单上表述清楚, 装箱附件(包括链接紧固件) 按件号及数量包装, 分别帖相应的包装清单后装箱, 并用装箱清单封箱(箱里同时有一份), 加挂防潮、 防锈标志。 在发运清单上注明各种附件的规格及数量。 装箱清单必须由装箱人和发运人签字确认。 所有备品备件应装在箱内, 采取防尘、 防潮、 防止损坏等措施, 同时标注“备品备件”, 以区别于本体, 并于主设备一并发运。
4. 为了防止法兰在运输过程中变形, 塔架上法兰采用 10 号槽钢米字支撑固定,
如图 1 所示:

5. 塔架在铆焊车间交出时必须打好支撑。喷砂、 喷漆时可暂时拆下, 但喷砂、 喷
漆后必须立即打好支撑, 尤其是倒运过程中, 必须打好支撑, 以防法兰变形。
6. 包装:塔架套装前将塔架放置于托辊上, 转动托辊, 用包装带缠绕包扎塔架。
包扎后的塔架套装完毕后放置于运输鞍座上, 鞍座上须垫胶皮和毛毡。用吊装带
和扁铁固定, 扁铁下面须垫胶皮, 以防止伤及表面防腐层。塔架两端用防雨布封
堵, 防止灰尘及雨雪进入。
7. 运输鞍座:金属支座, 底板宽度不小于 350mm, 底板厚度 10~12mm。垫板宽度
不小于 500mm, 垫板厚度 12mm 左右, 腹板厚度不小于 14mm。高度尽量矮, 具体
尺寸根据实物定。非金属支座由非金属材料挤压捆绑成型。
8. 运输补助部件的回收:每套塔架米字支撑用料 160 米左右, 塔架运输鞍座(按
6 个计算) 3 吨左右。由此米字支撑和运输鞍座应采取措施回收。
风电行业高质量交流圈

免责声明:素材来源于网络,仅用于学习、交流,如有侵权请告知删除。

