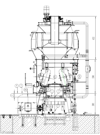
我厂一、二期都是采用的ZGM中速辊式磨煤机。磨煤机是将煤块破碎并磨成煤粉的机械,它是煤粉炉的重要辅助设备。
图1 二期的磨煤机
01
磨煤机的结构
磨煤机主要由机座、机壳、分离器、碾磨装置、喷嘴及加载装置等组成。(其配套件有电机、减速箱、密封风风机、自控系统)
图2 磨煤机的结构图
02
煤的研磨三过程
一)碾磨 二)干燥 三)分离
磨机转动 → 给热一次风 → 给煤(加载)→ 碾磨 → 分离 →合格煤粉 → 锅炉燃烧器 → 重磨(不合格煤粉)→ 石子煤排出
图3 研磨示意图
03
磨煤机的主要部件
(一)两大研磨部件:磨辊和衬板
图 4 使用过的磨辊
图5 衬板
磨辊有绕着辊轴自转、随压架上下起伏、水平径向3度角摆动三个方向运动的自由度,通过碾压、挤压、摆动,提高碾磨的效率,通过摆动可有助于排渣块。
(二)分离器
分离器的调节范围大,R90可达2%~15%,有效降低煤粉在磨煤机内的循环倍率,阻力有效减小 ,从而相对于静态分离器提高出力10%以上。通过变频器调节转子的转速,可方便灵活地调节煤粉的细度,适应不同煤质对煤粉细度的要求。
图6 分离器
(三)减速箱
磨煤机减速箱的作用是降低电机转速,增加输出扭矩,以适应磨煤机的工作需求。
图7 二期磨煤机减速箱
(四)旋转喷嘴(又叫动静环)
改变喷口处空气动力场,降低喷口流速。喷嘴磨损均匀,寿命比静止喷嘴提高2-3倍。由于旋转,使叶片出气边缘气粉涡流区向上部推移,既降低了叶片出气边的磨损,又使风环处阻力进一步降低。
图8 旋转喷嘴
(五)磨煤机的油系统
磨煤机的油系统分为液压油系统和润滑油系统
1.液压油系统
一期磨煤机液压油系统主要由电动机、齿轮泵、比例溢流阀、溢流阀、换向阀、流量控制阀、单向阀、冷却器、过滤器、压力变送器、油箱及油缸蓄能器组等元件组成。
图9 一期磨煤机液压油系统图
2.润滑油系统
油液从减速机下油箱吸出,经止回阀、双筒过滤器、冷油器,直接送到设备的润滑点。
图10 润滑油系统图
供稿:周鸿鑫
责任编辑:黄锦枫
审核:严思程、刘永恩

