1 项目概况
2 项目需求
3 产品方案

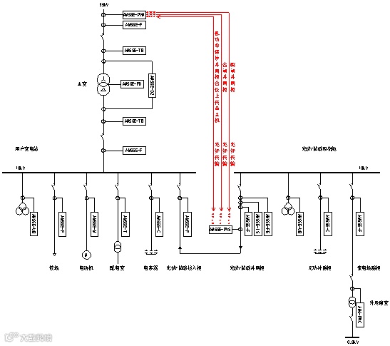
4 项目拓扑方案


序号 |
名称 |
型号、规格 |
单位 |
数量 |
1 |
防逆流主机 |
AM5SE-PVM-GOOSE |
套 |
2 |
2 |
防逆流从机 |
AM5SE-PVS-GOOSE |
台 |
1 |
3 |
光口交换机 |
IES618-4F |
台 |
2 |
5 现场安装图片


6产品关联方案
7 结语

