安科瑞针对直流 IT 系统推出全系列绝缘监测产品,覆盖多电压等级与应用场景,符合多项国际国内标准,可实现绝缘状态实时监测、故障预警与快速响应,为直流系统安全稳定运行提供全方位保障。
一、产品体系:全场景覆盖的核心硬件支撑
1.AIM-D100-T 系列(通用场景)

2. AIM-Dx00-CAx 系列(充电桩专用)
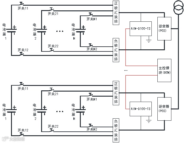
3. AIM-D100-TS 系列(储能专用)

4. AIM-D500-CA+ACPD300 系列(高压拓展场景)

二、核心优势:合规性与实用性双重保障


三、场景化解决方案:针对性适配核心应用
1.直流充电桩解决方案
2. 储能系统解决方案

四、实际应用案例:验证方案可行性



