SVG(Static Var Generator),即高压静止无功发生器,又称作高级静止无功补偿器ASVC(Advanced Static Var Compensator),或静止补偿器STATCOM(Static Compensator),专指由自换相的电力半导体桥式变流器来进行动态无功补偿的装置。SVG 是迄今为止性能最优越的静止无功补偿设备。
一、SVG作用
1. 提升线路功率因数:无功补偿装置在无功需求侧直接补偿所需无功功率,使负荷侧或电源侧不再通过电网吸收无功,以提高输电线路有功输送容量;
2. 降低输电损耗:通过就地无功补偿,可有效降低输电线路中的无功电流,在线路阻抗一定的情况下,有效降低输电损耗;
3. 提高设备利用率:对于变流器、变压器等设备其视在容量一定,通过无功补偿,可将设备容量有效用于有功传输;
4. 维持电网电压稳定:无功功率直接影响电网电压的高低,实时的补偿电网无功功率,有利于负荷侧和电源侧电压稳定,保障设备安全稳定运行;
5.减少供电考核:供电部门通常会考核用户并网点的功率因数,通过无功补偿可提升用户并网点功率因数,避免受到供电部门考核。
二、分类
电压等级:6kV系列、10kV系列和35kV系列
容量范围:单机1-120Mvar
并网方式:降压型、直挂型
连接方式:换流链星形连接、角形连接
散热方式:风冷散热、水冷散热
安装方式:户内柜体、户内阀塔、户外集装箱
三、无功补偿发展历程
同步调相机:损耗大、噪音大;运行维护复杂,响应速度慢;一次性投资大。
无功补偿器组:并联电容器、电抗器,成本较低,但是只能补偿固定的无功功率,容易出现过补或欠补问题;在系统含有谐波时,如果配置不合理,还可能发生并联谐振,导致设备损坏。
SVC(静止无功补偿器):主要包含TCR(晶闸管控制投切电抗器)、RSC(晶闸管投切电容器),需要大量的电抗器、电容器设备,占地面积大,成本高。
SVG(静止无功发生器):调节速度快,容性至感性连续调节,所需电容器、电抗器容量小,占地面积小。
四、基本原理
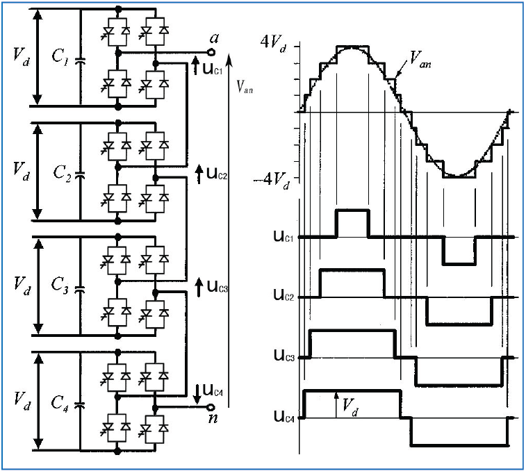
电力电子领域对于逆变应用一般采用SPWM技术来通过比较器确定参考波与三角载波的交点来控制开关器件的通断,输出我们需要的正弦波。通过改变参考波的幅值与频率可以调节输出基波电压的幅值与频率。基波频率fc:三角载波频率,参考波频率f1:正弦波,载波比:fc/f1,M:调制比 输出基波电压幅值/直流电压(直流电压利用率)。
SVG以大功率电压型逆变器为核心,以输出电压的基波幅值为控制目标,通过调节PWM信号的调制比来控制逆变器输出电压,使其和系统电压形成可调基波电压差,从而控制注入电网系统的无功电流。IL=(Us-UI)/XL。如果形成谐波电压差,则可控制注入系统的谐波电流。
五、主要结构和功能
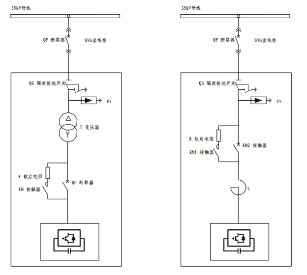
SVG主要由以下部件构成:进线断路器、隔离接地开关、避雷器、连接电抗器(或连接变压器)、软启电阻、旁路断路器、IGBT换流链和功率模块、冷却系统、系统。
SVG中采用的IGBT 10us开关一次,SVC/MCR中的可控硅10ms开关一次;SVG响应速度快可取得更好的电压波动和闪变抑制效果。SVG 闭环响应速度快(10ms),暂态响应时间5ms,过载能力强,可达1.2倍。
控制功能:恒装置无功功率控制、恒补偿点无功功率控制、恒补偿点功率因数控制、恒补偿点交流电压控制、AVC控制、有源滤波功能、暂态快速无功补偿控制(高、低电压穿越控制)、谐波补偿。
来源:网络,通信电源技术 编辑,转载请注明出处,违者必究,文章图片或文字部分来自网络,仅用于公益传播。如有侵权,请留言联系删除。
👁注:公众号:通信电源技术开通了AI智能问答,会自动检索我们自己的知识库进行专业的智能在线解答,例如,问:油机,就会自动推荐出:油机的相关内容,欢迎大家体验试用

