铂钯期货系列专题三
钯基础知识与生产工艺及成本
主要内容
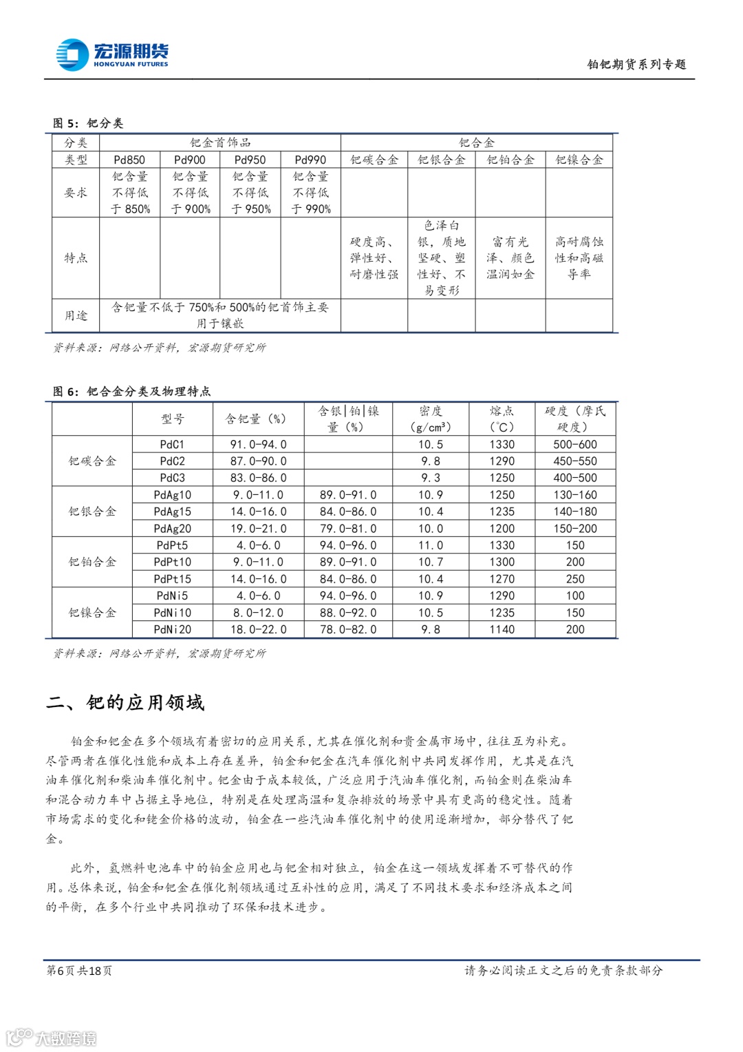
➢ 钯分为钯金和钯合金,钯具有独特的物化性能和高催化活性,被广泛应用于高科技领域、汽车工业、电子工业等。其被多国列为战略金属,对国家安全和经济安全均有重要意义。钯合金根据合金种类不同用途有差异,主要合金为 Pd-Ag 合金、Pd-C 合金、Pd-Pt 合金、Pd-Ni 合金等
➢ 铂族金属富集方法包括雾化-酸解法、雾化-酸解法、碎化-酸解法、吹氧法、电解法。富集后分离提纯钯的方法包括电解法、氯化法和干法制造。
➢ 钯的生产成本主要包括开采成本、提炼成本、加工成本。采矿成本一般在每盎司 200-400 美元之间;提炼成本在每盎司 350-650 美元之间;加工成本在每盎司 150-250 美元之间,通常在每盎司 700-1000 美元左右。
➢ 电力成本将是未来几个月钯生产投入成本上升的重要驱动因素。南非是铂族金属储量最多的国家,南非国家能源管理局批准从今年 4 月初开始将直接用户的电价上调 12.74%,电费上涨正在推高南非矿业公司的投入成本,2024 年 4 月份生产成本上升了7.2%,黄金、煤炭和铂族金属(PGM)的成本涨幅最大。
宏源期货有限公司是申万宏源集团股份有限公司(股票代码:000166)的全资子公司,成立于1995年5月2日,注册资本金10亿元。经营范围包括:商品期货经纪、金融期货经纪、期货投资咨询、资产管理、基金销售。全资拥有宏源恒利(上海)实业有限公司。
长按二维码,关注官方微信/APP

