IGBT的频率特性的主要参数有最大工作频率、输入电容、输出电容等。其频率特性由其结构内部的寄生电容、内阻及其外部电阻决定,并与器件的击穿电压、工作电流、总损耗及散热性能等有关。
输入电容Cies越小、栅极内置电阻Rg越小,IGBT的工作频率就可以越高;
阻断电压越高、电流越大,工作频率就越低;
损耗越低、散热特性越好、环境温度越低,工作频率就可以越高。
IGBT的输入和输出电容
IGBT在高频领域主要有两个限制,即漂移区的渡越时间和输入电容的充放电时间。在IGBT中,输入电容较大,频率响应一般被输入电容的充电和放电所限制。
IGBT的电容组成与功率MOSFET的相同:
输入电容Cies由栅极-发射极电容CGE和米勒电容Cres组成,并且Cres与栅极-集电极电容CGC相关。
输出电容Coes由栅极-集电极电容CGC和集电极-发射极电容CCE组成。
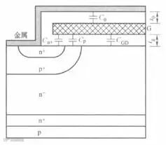
其中栅极-发射极电容GE相当于功率MOSFET的栅-源电容CGS,这是因栅极-发射极金属的重叠。
CGE=Cn+Cp+C0
公式中我们可以知道,C0是栅极与发射极金属之间的叠加电容,由电介质和层间介质厚度决定:C0=ε1A0/t0,所以需要降低这个电容,可以采取厚层间介质的设计,来降低这部分的电容。
而Cp是栅极覆盖Pwell上面的电容,其大小与栅极偏置大小相关,通过减小沟道宽度可以降低此电容。

集电极-发射极电容CCE相当于功率MOSFET的漏-源电容CDS,这是因n-漂移区和Pwell之间的结电容。
栅极-集电极电容CGC相当于功率MOSFET的栅极-漏极电容D,这是因栅极与n-漂移区的重叠,是米勒电容的组成部分。
下图是IGBT电容与集电极-发射极电压VCE的关系,

图中我们可以看到,输入电容Cies远大于输出电容Coes,这主要是反馈电容Cres较大所导致的。
这些电容会影响IGBT的开通和关断延迟时间,极大影响了IGBT的开关损耗。
栅极内置电阻Rg(in)
在多芯片并联的模块中,Rg除了栅极内阻Rgin外,还包括了附加的串联电阻。为了防止芯片之间产生的振荡。并且Rgin的大小也和电流容量有关。
这是栅电容包含了氧化层电容Cox和半导体电容,即:
其中氧化层电容Cox=εox/tox,由栅氧层厚度确定;而半导体电容则是由耗尽层的宽度确定。
当VGE>0时,耗尽层电容大小与半导体空间电荷有关:Cs=dQd/VGE。
所以MOS栅电容随着正向栅压增大而逐渐减小,从而导致了耗尽层宽度增加,栅极-集电极之间的电容减小。一旦形成反型层,此时耗尽层宽度达到了最大值,电容则维持在最小值。
而且栅极-集电极之间的电容会通过米勒电容被放大,在导通状态下,当栅极-发射极VGE大于集电极-发射极电压VCE时,及VGE>VCE时,因为栅极下方积累层增强,CGC将会大幅度增加。开关过程中因存在米勒效应,CGC的动态值还会随dVCE/dVGE进一步增加,可表示为:
IGBT的工作频率
IGBT关断后,CGC很小,约等于CGE。IGBT的工作频率除了与栅电容的充放电有关,还和少子复合过程有关,而且少子复合过程影响更重。
当IGBT的频率由开关速度决定,此时:
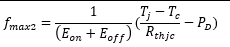
当IGBT的频率由功耗与散热特性决定时,此时:
Tj是器件结温,Tc是壳温;Rthjc是结和外壳之间的热阻;PD是IGBT的导通功耗,Eon和Eoff分别是开通和关断损耗,其中开通损耗还包括了续流二极管反向恢复损耗;
通常IGBT的工作频率取上述二者之间的最小值,即fmax=min(fmax1,fmax2)
IGBT的栅极电荷
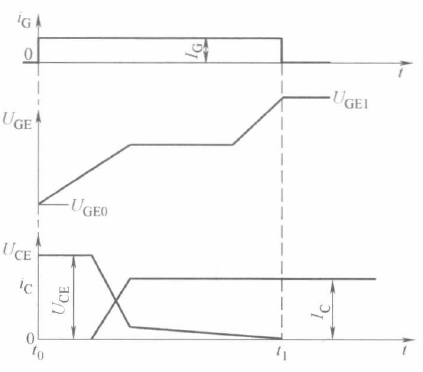
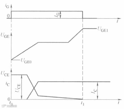
栅极电荷QG的定义是:栅极-发射极电压VGE从规定的低值上升到规定的高值所需要的电荷。在规定的栅极-发射极电压VGE、开通前集电极-发射极电压VCE和开通后集电极电流条件下的典型值。
测试电路如下:

测试条件:确定环境温度Ta、管壳温度Tc或结温Tj、集电极电流IC、集电极-发射极电压VCE、初始时刻的栅极-发射极电压VGE0和达到规定驱动电压时刻的VGE1。
测试过程:
在栅极施加恒定电流IG至栅极-发射极VGE达到规定值时,监控初始时刻t0到栅极-发射极电压VGE达到设定的驱动电压时刻t1时的集电极-发射极电压VCE和栅极-发射极电压VGE,从而得到如下曲线:

故栅极电荷计算如下:
END
IGBT篇下一期预告:米勒平台和栅极电荷
如果您有想了解或学习的相关内容恳请及时留言给博主,博主尽量及时更新该相关内容,再次感谢大家的关注
功率半导体器件:分享专业知识 共同学习 进步的地方
感谢您的关注与支持,欢迎大家通过文章留言、公众号主页聊天私信或以下方式等途径进行交流沟通:
公众号:Power_Semi_Device
个人微信:Semi_Device
E-mail:
power_semi_device@foxmail.com
参考用书:功率半导体器件相关参考用书推荐

