点击蓝字
关注我们
汽车电磁兼容技术研究专题
《消费指南》2025.10 总第303期
以“汽车电磁兼容焕新提质”为主题的2025第十届汽车电磁兼容技术大会前不久在天津举办,吸引了国内外200余位专家和业内代表的参加。与会嘉宾围绕电磁兼容标准法规、质量提升、技术创新和产业发展等议题进行了深入交流与探讨。
本届大会由中国消费品质量安全促进会指导,中汽中心新能源检验中心主办。会上传递的信息显示,汽车产业科技创新带来的电动化、智能化、轻量化、数字化发展,使车辆的电磁兼容性能受到行业广泛重视。研究覆盖全价值链的电磁兼容开发设计、测试验证、提升优化等关键核心技术,对于提高汽车安全性、可靠性,保障消费者权益具有重要意义。
为全面展示我国汽车电磁兼容技术发展现状、存在的问题及未来走势,本刊特推出会议期间专家分享的最新研究成果,以飨读者,助力消费者明明白白消费,共促行业进步和可持续发展。
5
张洁 中汽研新能源汽车检验中心(天津)有限公司 高级工程师
王云 中汽研新能源汽车检验中心(天津)有限公司 工程师
冯煊 中汽研新能源汽车检验中心(天津)有限公司 工程师
张洁
中汽研新能源汽车检验中心(天津)有限公司高级工程师,主要从事汽车电磁兼容测试研究,目前已发表论文10余篇。
[摘要]
随着高速网络技术的发展,以太网芯片在汽车电子领域扮演着越来越重要的角色。以太网芯片工作频率的不断提高及其所面对的汽车电子环境越来越复杂,使得车载以太网芯片的电磁兼容性问题日益突出。车载以太网芯片的电磁可靠性是系统乃至整车电磁可靠性的根基。本文立足于车载以太网芯片,分析其电磁兼容问题,剖析现行相关标准,并结合实际测试案例,对车载以太网芯片电磁兼容性予以探究。
[关键词]
以太网芯片;汽车电子;电磁兼容;标准
引言
车载以太网是一种专门用于车辆内部通信的网络技术[1],它利用以太网技术为车辆搭建一个局域网,使车辆上的各种电子单元和设备能够互相交换数据。对于汽车自动驾驶应用的数据传输,以太网作为总线有更大的带宽[2],满足大数据量、音视频、车载摄像头、高清地图、V2X(车联网)以及ADAS(高级驾驶辅助系统)功能模块的传输。
近年来,车载以太网技术飞速发展,以太网芯片在汽车电子领域扮演着越来越重要的角色[3]。车载以太网在单对非屏蔽双绞线上能够实现100Mbit/s甚至1Gbit/s的数据传输速率,与传统以太网使用4对非屏蔽双绞线电缆不同[4]。车载以太网连接的设备包括GPS(定位系统)、手机、视频传感器等,有助于提高车辆的操控性和安全性,同时还能满足汽车行业对高可靠性、低延迟和同步实时性的要求。
与此同时,随着高速网络技术的发展,以太网芯片的工作频率不断提高,片内系统越来越复杂[5],其自身电磁兼容性问题越发突出[6];同时,随着汽车智能化、网联化、电动化的发展,汽车内部存在着各种电磁干扰源,车载以太网芯片面临的电磁环境越来越复杂[7]。电磁干扰可能导致以太网芯片信号失真、误码率上升,甚至影响系统的正常运行和安全性。车载以太网芯片的电磁可靠性是系统乃至整车电磁可靠性的根基。本文立足车载以太网芯片电磁兼容,从标准出发,结合实际测试案例,研究其电磁兼容特性。
1 车载以太网芯片的电磁兼容问题
车载以太网芯片面临的电磁兼容问题来源于两个方面:一个是车载以太网芯片自身发展趋势;另一个是车载以太网芯片面临的汽车电子环境。
从芯片自身来说,车载以太网芯片工作频率较高,一般在几百MHz(兆赫兹)甚至更高[8]。芯片的工作频率越高越容易产生较强的电磁辐射,给芯片的电磁兼容性带来挑战。与此同时,芯片内部电路复杂,数字电路和模拟电路相互交织。数字信号的快速跳变容易产生高频噪声,这些噪声可能会通过电源线、信号线等传导出去,或者以天线的方式辐射出去,进而干扰其他电子部件[9]。此外,车载以太网芯片工作模式多样,如数据发送、接收、休眠等,这也使得芯片的电磁兼容特性不尽相同。
从芯片所面临的汽车电子环境来说,汽车内部存在着众多电磁干扰源。如高压系统干扰:电动汽车的高压电池、逆变器和电机驱动器会产生高频开关噪声[10],并通过电源线或辐射方式影响以太网通信;无线通信干扰:车载5G、WiFi、蓝牙、V2X等无线通信模块工作在2.4GHz(十亿赫兹)、5GHz等频段,可能与以太网信号产生频段冲突,进而产生互干扰问题[11];发动机点火系统干扰:传统燃油车点火系统会产生瞬态高压脉冲,可能会耦合到以太网信号线上;开关电源噪声:车用DC—DC(直流—直流)转换器、LED驱动器等开关电源电路会产生高频谐波,影响以太网信号的完整性[12]。此外,以太网芯片本身也可能成为干扰源,影响车载收音机、ADAS等敏感设备。
2 车载以太网芯片电磁兼容标准
目前,国际上关于以太网芯片电磁兼容测试的标准有两个:一个是OPEN联盟针对车载以太网物理层收发器(PHY)制定的专项电磁兼容性测试标准《IEEE 100BASE-T1 EMC Test Specification for Transceivers》《IEEE 1000BASE-T1 EMC Test Specification for Transceivers》;另一个是国际电工委员会(IEC)针对以太网PHY收发器芯片电磁兼容特性的专项测试标准IEC 62228-5 2021《Integrated circuits-EMC evaluation of transceivers-Part5:Ethernet transceivers》[13]。其中,OPEN联盟的标准对象是车载以太网芯片,而IEC的标准为以太网芯片电磁兼容的通用标准,不局限于车规级。此外,国内针对以太网芯片电磁兼容性正在制定两个标准,一个是推荐性国家标准,另一个是行业标准,这两项标准尚未发布。OPEN联盟标准与IEC 62228-5大同小异。本文主要以《IEEE 100BASE-T1 EMC Test Specif ication for Transceivers》为例,介绍该标准及测试案例。
《IEEE 100BASE-T1 EMC Test Specification for Transceivers》标准中规定了四项测试内容,分别为:射频发射、射频抗扰度、脉冲抗扰度以及静电放电(ESD)[14]。对于这四项测试内容的上电测试,应在网络条件下进行,使用由两个相同类型的以太网收发机组成最小以太网测试网络,测试配置通常由以太网收发机与外部必需组件(以太网节点)组成。对于静电放电不上电测试,应在单个收发机上进行,测试配置通常由带有放电耦合网络的测试板上的单个以太网收发机和外部必需组件组成。
此外,对于以太网收发机的EMC测试(电磁兼容性测试),标准中规定了三种接口测试网络(BIN)供测试使用,包括最小接口网络(Min—BIN)、标准接口网络(Std—BIN)、优化接口网络(Opt—BIN)。其中,Min—BIN和Std—BIN主要为不同以太网收发器的EMC特性对比提供数据,Opt—BIN旨在评估受测以太网收发器的EMC特性。测试通过耦合端口和耦合网络进行。标准对于网络测试以及单板测试均给出了耦合网络参考设计以及元器件推荐值。
如前所述,以太网芯片EMC测试共包含四项测试内容。其中,射频骚扰发射在0.15MHz〜2750MHz频段内,按照IEC 61967-4规定的150Ω直接耦合法进行测试;射频骚扰抗扰度是在1MHz-1000MHz频段内,按照IEC 62132-4规定的DPI测试方法进行测试;脉冲抗扰度按照IEC 62215-3定义的非同步瞬态注入法进行测试;静电放电应按照IEC 61000-4-2规定的放电模型,分为上电状态与未上电状态进行测试。
以太网芯片EMC抗扰测试中均规定了两种等级状态的测试,即等级AIC和等级CIC或DIC的测试。等级AIC的测试为故障测试,测试达到该等级时的极限功率或者电压强度;等级CIC或DIC的测试为破坏性测试,测试要求功率或者电压强度下芯片是否满足CIC或DIC的要求。等级状态的定义如表1所示。
3 车载以太网芯片测试案例
本案例测试芯片为具备12端口的车载以太网交换芯片。该芯片支持TSN(时间敏感网络)全协议系列,能够保证数据端到端传输的实时可靠;且支持直通转发技术,超低延时转发;支持TC10(开放联盟休眠唤醒规范),保证芯片超低功耗。该车载以太网芯片可广泛应用于域控架构的车载中央网关、自动驾驶域控制器、智能座舱域控制器等场景。
在进行EMC测试前,首先要根据EMC设计要求进行芯片测试PCB(印制电路板)的设计。其次,根据《IEEE 100BASE-T1 EMC Test Specification for Transceivers》标准要求,对车载以太网芯片分别进行射频发射、射频抗扰度、脉冲抗扰度以及静电放电四个电磁兼容项目的评估。本文所有测试仅在Opt-BIN下进行。
3.1 射频发射
射频发射测试需在0.15MHz 〜2750MHz,以太网正常通信模式下,对其MDI P/N、VBAT、WAKE及VDDx引脚进行发射测量。此外,测试需分别在MDI引脚对称模式及±2.5%、±5%的非对称模式下进行测量。
本文以某个引脚为例,展示其在不同耦合模式下,传导发射测试结果,如图1—3所示。
图1 对称模式下某引脚的传导发射测试结果
图2 +2.5%非对称模式下某引脚的传导发射测试结果
图3 5%非对称模式下某引脚的传导发射测试结果
其中,绿色的为限值曲线,蓝色的为测试结果曲线。按照标准要求,测试结果在全频段范围内均不能超过限值线。当超过时,应进行整改以达到测试要求。
3.2 射频抗扰度
射频抗扰度测试需在1MHz〜1000MHz频段内,对其MDI P/N、VBAT、WAKE及VDDx引脚进行抗扰度测试。抗扰度测试分以太网正常通信模式、低功耗预期唤醒模式及低功耗非预期唤醒模式。在以太网正常通信模式下,需对其MDI P/N、VBAT、WAKE引脚进行测试,且MDI引脚需在对称模式及±2.5%、±5%的非对称模式下分别进行测量;而低功耗模式仅需对MDI P/N引脚进行测试。
在射频抗扰度测试中,需分别进行等级AIC、CIC/DIC的评估。等级AIC是在功率逐步增加的过程中寻找故障,从而找出不造成故障的最大前向功率;等级CIC/DIC是按照一定频率步长下的功率,评估每次测试后的功能状态。测试端需校准测试曲线,以使得给出的抗扰功率符合标准要求。
此外,由本测试案例带来的经验在进行射频抗扰度测试时,需注意用来调节对称、非对称耦合的电阻的额定功率。
3.3 脉冲抗扰度
脉冲抗扰度测试为评估以太网芯片MDI P/N、VBAT及WAKE引脚在脉冲1、2a、3a、3b下的功能。脉冲抗扰度测试也分以太网正常通信模式、低功耗预期唤醒模式及低功耗非预期唤醒模式。在以太网正常通信模式下,需对其MDI P/N、VBAT、WAKE引脚进行测试,其中MDI引脚仅需进行对称测量;而低功耗模式仅需对MDI P/N引脚对称耦合进行测试。
在脉冲抗扰度测试中,也需分别进行等级AIC、CIC/DIC的评估。等级AIC是脉冲幅度逐步增加至标准规定的脉冲等级的过程中寻找故障,从而找出不造成故障的最大幅度;等级CIC/DIC是按照规定的测试脉冲进行测试,并评估每次测试后的功能状态。
3.4 静电放电
静电放电需在上电状态和不上电状态下分别进行测量。根据经验,功能等级的判定最好采用I/V特性曲线(电流电压特性曲线)。
上电状态的静电放电测试为评估以太网芯片MDI P/N引脚的抗静电干扰功能。该部分测试需在正常通信模式和低功耗模式下分别进行。对低功耗模式进行A3IC等级测试;对正常通信模式进行A1IC、A2IC、CIC及DIC等级测试。
上电状态的静电放电测试为评估以太网芯片MDI P/N、VBAT、 WAKE引脚的抗静电干扰功能。该测试ESD(静电放电)测试板与控制板间的控制器接口在ESD测试过程中断开连接,在ESD测试后再进行连接以验证功能。不上电ESD考察的是芯片是否满足等级DIC的要求。
以本案例以太网芯片为例,不上电ESD某引脚试验前及+6kV试验后的I/V特性曲线,如图4、5所示。
图4 试验前I/V特性曲线
图5 +6kV试验后某引脚的I/V特性曲线
4 总结与展望
车载以太网芯片的电磁兼容性研究是一个持续演进、多学科交叉的复杂领域。本文详细介绍了目前国内外以太网芯片电磁兼容性相关标准,并以某款12端口车载以太网交换芯片为例,探究其电磁兼容性。这也是国内首次针对该类芯片展开的研究,为我国车载以太网芯片的可靠应用奠定了坚实基础。
展望未来,随着汽车电子架构向区域控制发展、网络速率不断提升以及应用场景扩展,车载以太网芯片EMC面临着更高速度、更复杂拓扑、更严苛要求的新挑战。只有通过产业链上下游的紧密合作与协同创新,才能不断提升车载以太网芯片的电磁兼容性性能,从而为智能网联汽车构建高速、可靠、安全的车内通信网络基石,最终保障车辆的智能化功能实现与行驶安全。
[参考文献]
[1] 李浩,吴承钦,刘欣,等. 一种车载以太网通信系统和方法及车辆: CN202011517980.4 [P]. CN114650306A[2025-08-27].
[2] 李祥. 浅谈车载网络与以太网通信技术[J]. 中文科技期刊数据库(全文版)工程技术, 2021(3):2.
[3] Wang Y , He L R. Application of CAN Bus in Modern Automobile Network System[J].Advanced Materials Research,2013,655-657:1141-1144.DOI:10.4028/www.scientific.net/AMR.655-657.1141.
[4] 朱旭东. 百兆车载以太网物理层盲均衡器及算法的研究与设计[D]. 湘潭大学, 2023.
[5] Hao Y , Xiang S , Han G ,et al. Recent progress of integrated circuits and optoelectronic chips[J]. 中国科学, 2021(010):064.
[6 ] 吴建飞, 郑亦菲, 李彬鸿,等. 车规级芯片电磁兼容研究进展 [J]. 安全与电磁兼容, 2022(002):000.DOI:10.3969/j.issn.1005-9776.2022.02.002.
[7] 李齐. 一种车规芯片在复杂电磁环境下的系统级测试方法[C]//2022年中国航空工业技术装备工程协会年会. 北京国家新能源汽车技术创新中心有限公司试验中心, 2022.
[8] 杨彦召. 车载总线网关及故障诊断的设计与实现[D]. 吉林大学[2025-08-27]. DOI:CNKI:CDMD:2.1011.100746.
[9] 蒋冬初. 高速数字电路的信号传输及其噪声抑制[D]. 西安电子科技大学[2025-08-27]. DOI:CNKI:CDMD:1.1015.437769.
[10] Robles E , Fernandez M , Andreu J , et al . Advanced power inverter topologies and modulation techniques for common-mode voltage elimination in electric motor drive systems [J].Renewable and Sustainable Energy Reviews,2021,140(3):110746.DOI:10.1016/j. rser.2021.110746.
[11] Ibrahim AMA , Chen Z , Wang Y ,et al. Optimizing V2X Communication: Spectrum Resource Allocation and Power Control Strategies for Next-Generation Wireless Technologies[J]. Applied Sciences-Basel, 2024, 14(2):18.DOI:10.3390/app14020531.
[12] 王侠. 峰值电流模式升压型DC-DC变换器中斜坡补偿信号产生电路设计[J].河南大学学报:自然科学版,2013,43(5):3.DOI:10.3969/j.issn.1003-4978.2013.05.008.
[13] EN IEC 62228-5:2021, Integrated circuits-EMC evaluation of transceivers - Part 5: Ethernet transceivers[S].
[14] OPEN Alliance. IEEE 100BASE-T1 EMC Test Specification for Transceivers (version 1.0_17) [S/OL]. 2020.
6
颜浩 中汽研新能源汽车检验中心(天津)有限公司电磁兼容部 项目经理
陈炟名 中汽研新能源汽车检验中心(天津)有限公司电磁兼容部 项目经理
国晨 中汽研新能源汽车检验中心(天津)有限公司电磁兼容部 室主任
[摘要]
随着电动汽车电驱动系统电压等级的提升以及宽禁带半导体的应用,其电磁兼容(EMC)问题逐渐凸显,所产生的电磁干扰(EMI),成为当前电动汽车电驱动系统设计所面临的一大挑战。为了在系统设计初期验证电磁干扰抑制技术的有效性和可行性,本文针对电驱动系统传导干扰耦合路径进行研究,创新性地提出了基于等效谐振法的电机高频模型建模方法,并建立了完整的电驱动系统传导干扰仿真预测模型。最终对等效电路模型进行仿真分析,并与试验数据进行对比,验证了模型的准确性与有效性。
[关键词]
电驱动系统;等效谐振法;传导干扰;等效电路
引言
图1 电驱动系统基本结构
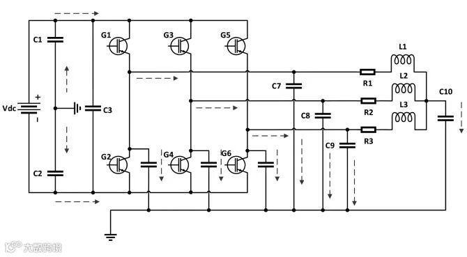
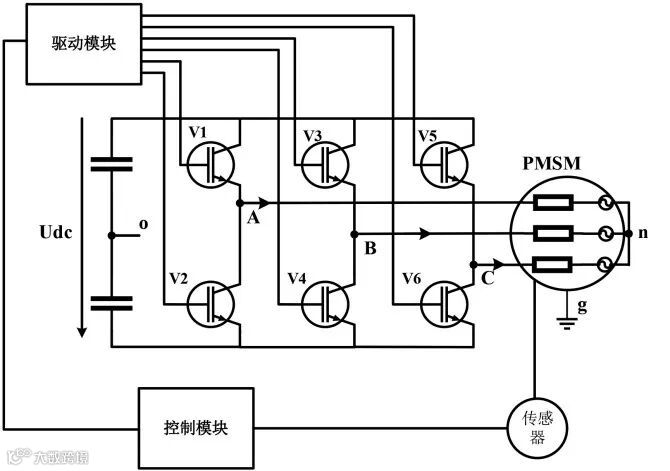
随着电动汽车技术的发展,其电压平台正逐步从400V(伏特,电压单位)升级至800V,在这一进程中,电驱动系统的优化尤为关键。这种优化主要涉及采用碳化硅(SiC)开关器件,这些器件在开关频率和损耗特性上相较传统的绝缘栅双极晶体管(IGBT)表现出显著的优势。如图1所示,电驱动系统主要依赖开关器件将直流电压整流成电机所需的交流电压,并且SiC开关器件已广泛应用于电机驱动器的逆变器模块中。逆变器中开关器件的快速开关行为会产生快速变化的电压和电流,由于寄生参数的存在,高频电压和电流会通过耦合路径以传导的形式影响到敏感设备[1]。传导干扰会在电机驱动过程中对电机轴承产生过电压[2],既影响电机的使用寿命,也影响车辆对外界环境的辐射发射,对车辆公告测试中的电磁兼容项目产生较大风险。
为了在设计阶段有效排除传导干扰风险,近年来,电驱动系统传导干扰仿真分析一直是电动汽车领域的研究热点。贾晋等人研发了穿墙式电驱系统带载测试装备,并基于某集成电驱系统建立了电驱系统带载仿真平台[3]。张戟等人建立了交流永磁同步电机模型,并将该模型导入Ansys进行有限元的电磁场分析,在联合仿真平台下进行整个驱动系统的联合仿真[4]。Ji Zhao等人设计并搭建了复杂工况下电传动系统高压三相线传导电磁干扰测试平台,研究了电机转矩、转速等因素对高压三相线路传导电磁干扰的影响[5]。现有研究主要采用有限元分析方法对电机进行建模,但是这种方法需要提取电机的多种参数,由于电机结构过于复杂,很难获取所有参数,这就会导致电机模型的不准确性,因此难以保证全频段的模型误差。
1电驱动系统传导干扰路径分析
电机驱动系统中的传导干扰主要分布在150kHz(千赫兹)〜30MHz(兆赫兹),常将其划分为共模干扰和差模干扰两大类。共模干扰主要由系统与地之间的回路产生,特别是IGBT快速开关操作引发的高dv/dt电压变化率对寄生电容的充放电效应,是其主要来源;差模干扰则是系统内部各部分之间的相互干扰,其主要原因是由于IGBT快速开关引起的高di/dt电流变化率对寄生电感充放电所致[6]。
图2 共模干扰耦合路径示意图
在图2中,共模干扰通过IGBT发出,经过IGBT本身、三相线缆以及电机外壳对地的寄生电容,最终传导至大地。在这个过程中,通过直流线缆侧的寄生电容返回。共模干扰的耦合路径主要集中在通过IGBT和线缆传导至电机外壳,再通过大地传回的过程。
图3 差模干扰耦合路径示意图
图3中,差模干扰首先由A、B和C相的IGBT发出,然后通过三相线缆、电机绕组、IGBT内部寄生电容以及直流线缆的传导路径,最终返回到A、B和C相。差模干扰的耦合路径主要涉及通过电机内部元件和线缆传导至直流线缆,然后返回到IGBT和电机绕组之间的路径。
2 电驱动系统传导干扰路径建模
2.1 永磁同步电机高频等效模型
图4 单相绕组等效模型
图5 电机三相等效模型
在电路理论知识中,任何一个复杂的无源线性二端口网络都可以通过三个阻抗来等效其外部特性[7]。为了对电机的内部结构进行简化,将电机的三相绕组、转子和电机外壳视为一个整体,将共模干扰和差模干扰在每相绕组中的传播路径等效为“π” 型网络,如图4所示,整个电机由三个“π”型网络构成,最终电机的三相等效“π”型网络如图5所示。在“π”型网络中,两侧为单相的共模阻抗,共模干扰通过该回路流向大地;在网络中间为差模阻抗,用于模拟绕组自身的阻抗特性,差模干扰通过该回路流向三相公共端再流入系统回路中。
由于单相绕组内部难以直接进行测量,为了获取单相绕组的共模阻抗和差模阻抗,首先进行整体电机的测量,随后通过换算得到所需的单相绕组参数。在进行共模阻抗测量时,需要将电机的三相输入端口短接,然后将其与外壳分别连接至阻抗分析仪。这样可以有效模拟共模干扰通过大地形成回路进行传播的情况。而在进行差模阻抗测量时,需将电机A相和B相短接,然后将其与C相端口分别连接至阻抗分析仪。这样可以模拟差模干扰在系统内部形成的回路中传播的情况。
2.2 IGBT寄生参数模型
图6 IGBT极间电容分布
IGBT是电驱动系统中最大的干扰源。目前,在车载电驱动系统中,IGBT的工作电压等级最高能达到800V,开关频率主要集中在2kHz~20kHz,其快速开关所带来的高dv/dt会带来更加严峻的传导干扰。其自身存在的寄生参数会为传导干扰提供路径,从而传导至系统的其余部分[8]。IGBT的寄生参数主要包括内部的集电极与栅极间电容 、栅极与射极间电容以及集电极与射极间电容 与对散热器的寄生电容 ,如图6所示。目前,在IGBT生产过程中,并不会直接告知极间电容值,而是会在数据手册中标注输入电容 、输出电容和米勒电容 ,并描述上述电容与输入电压的关系[9]。
IGBT内部寄生电容主要为其动态特性中的输入电容 、输出电容和米勒电容 ,具体数值可通过数据手册查询得到,内部寄生参数可通过式(1)计算得到。
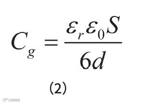
IGBT与散热片之间是通过导热硅脂进行粘贴的,它们之间可以等效为平行板电容器,也就是寄生电容。当IGBT与散热片之间存在快速变化的电流时,电流便会通过寄生电容向大地传播电磁干扰。由于该电容结构与平行板电容结构类似,故可以采用电容定义进行估算,计算公式如式(2)所示。
其中,ε0为空气介电常数,εr为绝缘介质的介电常数,S为平行板面积,d为绝缘介质厚度。本次仿真模型中导热硅脂的介电常数为8.5,IGBT与散热片的接触面积取8034mm2(平方毫米),导热硅脂厚度取0.3mm(毫米),带入式(2)后计算得到寄生电容Cg为334pF。
2.3 输入输出线缆模型
在电机驱动系统中线缆的研究对象包括两条高压直流线缆和三条交流线缆。当衡量输入输出线缆对高频干扰传导路径的影响时,线缆自身的电感性和电阻性以及线缆之间的互感性和互容性都需要考虑进来。由于传导干扰的研究频率最高达到了30MHz,因此线缆不可以视作理想导体。本小节采用Ansys中的Q3D模块对输入输出线缆进行仿真。
高频电流流经线缆时会产生趋肤效应,这种情况下电流只会流过导体表面,因此线缆的电阻会增大。由式(3)可以得出趋肤深度d频率的升高而减小,电阻也会随之增大。式(4)为单位长度下导体电阻 的表达式。
式中d为趋肤深度,f为电流频率,γ为电导率,u为磁导率,R为内导体半径。
在模型中,逆变器输入侧和输出侧均选用了相同材料的屏蔽线缆,该线缆由多层结构组成,主要包括内导体层、内绝缘层、屏蔽层以及外绝缘层。内导体层为铜,内绝缘层和外绝缘层均为PVC材料,屏蔽层为铝。现实中导体的屏蔽层为网状结构,模型中采用实心结构代替。
2.4 线性阻抗稳定网络LISN等效模型
LISN是一种在电磁兼容性测试中广泛使用的设备。其主要功能在于模拟电源线上的实际运行条件,以确保准确测量电子设备在电源线上引入或辐射的电磁干扰[10] 。通过稳定电源线的阻抗,LISN能够消除测试中的不稳定因素,为测试提供可靠的基准。在国际电工委员会(IEC)和其他相关标准的指导下,LISN通过连接到电子设备并提供测试端口,有效地支持电磁兼容性评估,确保试验的可重复性。 LISN是电磁兼容测试中非常重要的设备,在测试中起到分离干扰信号、隔离电源侧干扰的作用,在使用过程中正负极均需要LISN来隔离电网干扰信号,电源正常流经5μH为被测设备供电,通过EMI接受机在50Ω观测窗口处观测电源线上的传导干扰。
3 系统传导干扰仿真与试验验证
3.1 仿真模型
图7 电驱动系统仿真模型
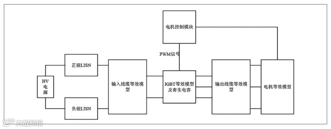
参考GB/T 18655-2010 《车辆、船和内燃机无线电骚扰特性用于保护车载接收机的限值和测试方法》[11]中电机测试台架试验布置示例对各部分进行连接。高压电源通过高压LISN后将纯净的电源输入给电机逆变模块中,将EMI接收机与LISN的50Ω射频输出端口连接,观察高压电源线处的传导干扰频谱。在Simulink中搭建各模块等效电路模型,参考GB/T 18655-2010对各模块进行连接,控制信号通过理想的电机控制模型给出,只需将输出的PWM信号传递给等效模型的IGBT栅极处。最终得到的电推进系统传导干扰仿真模型如图7所示。
在GB/T 18655-2010中对于传导干扰的测试频段规定在150kHz~30MHz,而仿真只能得到干扰的时域波形,因此需要将LISN得到的电压时域波形进行快速傅里叶变换(FFT)转换成频域波形。由于转化为频域后线性坐标无法直观地观察传导干扰随频率的变化趋势,故需要将曲线的横纵坐标均转化为对数的形式。其中,横坐标只需将步长设置成log步长,单位为MHz纵坐标;需要将测得的传导干扰单位伏特(V)转化为 dBμV,具体转换公式如式(5)所示。
在快速傅里叶变换中,频谱宽度与时域数据的采样率有关,一般为采样率的一半。为了满足150kHz~30MHz的频段要求,故将仿真步长设置为0.01us;为了在减少数据量的同时尽量保证数据的完整性,将仿真时间设置为0.1s。在FFT中频点步长为N/fs,其中N为计算点数,fs为采样率,在GB/T 18655中要求接收机的频点步长为5kHz,故选取200us的点数,最终在正极LISN处采集到干扰信号频谱。
3.2 试验验证
参考GB/T 18655搭建实物测试平台,在半电波暗室中采用电压法测量正极处的传导干扰频谱(150kHz~30MHz)。接收机扫描频点步长为5kHz,扫描带宽为9kHz,扫描时间为50ms,检波方式为峰值检波。该测试平台由高压直流电源、低压蓄电池、CAN卡,以及电机控制器、光电转换器、高压LISN和低压LISN组成。
将实物测试中所得到正极传导干扰频谱与仿真结果相比,可以看出仿真结果与实物测试结果有着相同的变化趋势,并且在幅值方面相差不大。除了谐振点处有些许差异,仿真数据中1MHz谐振点相比实物测试结果有些许延后,但总体来看,仿真结果很好地对应了实物测试结果,证明了仿真模型的正确性和合理性。
4 结论
为了在研发阶段能有效评估电动汽车电驱动系统传导干扰排放水平,本文建立了一套系统级传导干扰仿真预测模型,提出了基于等效谐振法的电机高频等效建模方法,并通过数值法和解析法分别建立了直流输入线缆、IGBT、三相输出线缆和高压LISN高频等效模型。仿真结果和实验对比结果表明,两者变化趋势一致,该模型在150kHz~30MHz频率范围内保证了对系统传导干扰的预测和风险评估能力,达到了指导系统及电磁兼容设计的效果。后续将建立IGBT行为模型,进一步提高模型精确度。
[参考文献]
[1] 赵玉虎,明正峰,韩彬彬.功率变换电路电磁兼容建模及抑制方法[J].电气技术, 2022, 23(07): 7-17.
[2] 赵明杰,李国宁,温润,等.基于改进非零矢量脉宽调制的三相逆变器共模电压抑制方法[J].电机与控制应用,2018,45(12):25-30.
[3] 贾晋,龙云,赵鹤鸣,等.电驱系统带载电磁兼容测试与仿真闭环研究[J].安全与电磁兼容,2022(01):49-54.
[4] 张戟,王洪武,蔡浩雄.电动汽车驱动系统EMC仿真研究[J].汽车工程,2014,36(05):580-585.
[5] Zhao J, Li X J, Du X, et al. Research on electromagnetic interference characteristics of vehicle-mounted high-voltage electric drive system[C]//2022 Asia-Pacific International Symposium on Electromagnetic Compatibility (APEMC). IEEE, 2022: 302-305.
[6]王安.电机驱动系统电磁干扰仿真技术研究[D].重庆理工大学,2023.
[7] 李强.对转永磁同步电机驱动器EMI分析与抑制[D].哈尔滨工业大学,2021.
[8] 董雷明.考虑IGBT寄生参数的逆变器传导干扰建模与分析[D].北京交通大学,2023.
[9] 郎君.大功率IGBT模块电磁干扰特性研究[D].中国矿业大学,2020.
[10] 马敏.EMC试验中LISN的原理及其参数校准[J].电子工艺技术,2023,44(04):48-51.
[11] GB/T 18655-2018 保护车载接收机的无线电骚扰特性的限值和测量方法[S]. 2018
内容来源:《消费指南》2025.10 总第303期
END
声明:本文所用视频、图片、文字部分来源于互联网,版权属原作者所有。如涉及到版权问题,请及时和我们联系,经核实后作删除处理。
中国消费品质量安全促进会
ID:中国消费品质量安全
长按识别二维码关注我们
BG消费指南
扫码关注


