
一、门锁系统结构:从隐藏把手到核心组件
-
机械结构:包括点火钥匙、左前门锁芯、四门锁块总成、内外开门拉手、内开锁机构及门锁控制器; -
控制电路:由车身控制模块(BCM)主导,通过继电器驱动门锁电机完成动作(单次解闭锁输出时间约250ms)。
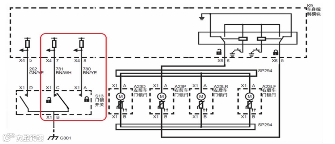
门锁机械结构以及门锁控制电路如下图所示。
门锁机械结构
门锁系统工作电路图
二、隐藏式门把手:主流类型与设计差异
-
旋转式(杠杆式) 需按压一端使另一端翘起,拉动解锁。设计相对简单,典型车型如特斯拉Model 3、长安UNI-T。
▲图 UNI-T使用的旋转式把手
-
平推式 通过遥控或感应解锁后,内部电机驱动把手顶出;锁车时电机收回。适配特斯拉Model S、路虎星脉、比亚迪海豹等
▲图平推式把手
-
微动式 外观保留把手窝,手伸入后按压微动开关解锁。成本较低,抗极端气候能力较强
▲图 微动式把手
三、多场景门锁控制策略:BCM主导的逻辑闭环
1. 远程上锁(RKE)
-
解防状态:若三门及引擎盖全关,执行上锁,转向灯闪烁1次(1s周期:0.5s亮/0.5s灭),喇叭鸣叫10ms;若闪烁期间收到解锁指令,转为解锁闪烁流程。若司机侧门关闭但其他门未关,锁电机动作但转向灯不闪,待全关后重新执行确认动作。 -
设防状态:直接执行闭锁,同步触发确认动作(转向灯闪烁1次+喇叭鸣叫10ms)。
▲图 遥控上锁时序
2. 遥控解锁(RKE)
-
设防状态:收到解锁信号后三门解锁并解防,转向灯闪两下后熄灭(1s周期:0.5s亮/0.5s灭)。 -
解防状态:收到RKE或机械钥匙解锁信号,执行解锁,转向灯闪烁2次。
▲图 遥控解锁时序
3. 自动上锁
▲图 自动上锁时序
4. 自动重上锁
5. 中控开关控制
-
闭锁:解防状态下,三门及引擎盖全关则执行闭锁;若仅司机门未关,锁电机不动作;其他门/引擎盖未关则锁电机动作。已闭锁时重复信号会重新触发闭锁。
-
开锁:解防状态下,收到信号后执行四门解锁;已解锁时重复信号会重新触发解锁。
6. 熄火自动解锁
7. 碰撞强制开锁
▲图 碰撞强制开锁时序
8. 闭锁器保护功能
内容来源:网络
本期编辑:小艾
论文投稿:作为领先的高科技先进制造技术产业服务平台,AMT接受学术论文投稿;稿件的发布完全是公益和免费的;论文投稿邮箱:info@amtbbs.org
版权声明:AMT尊重版权并感谢每一位作者的辛苦付出与创作;除无法溯源的作品,我们均在文末备注了来源;如文章、视频、图片、文字涉及版权,请原创作者第一时间联系我们,我们将根据您提供的证明材料确认版权后立即删除内容或按国家规定标准支付稿酬!







