最近几年,女装出现了一个明显迹象,就是尺寸越做越小。为什么女装会越做越小?我们系统来分解下。
欢迎按格式“姓名+城市+职业”加“woshilengyun”,直接联系冷芸本人。
从消费者视角来看尺寸问题
1、和大家分享两个我个人的观察。
大家是否观察过为什么消费者试穿了某件衣服,但最终没有购买?大多数原因是什么?
我做过小范围调研,大部分原因就是尺寸不合适,或者版型不合适。
做直播或者电商的人肯定很熟悉服装退货率高达80%。其中尺寸也是退货的主要原因之一。
2、不同人群的具体痛点问题
这里我和大家再次分享下我做的消费者调研问题。
我曾访问过400+中国消费者。大家知道消费者在最终决定是否要购买某件衣服时,他们最关注的产品要素(不包括价格)是什么吗?
是衣服能否让他们“显身材”!
所谓的“显身材”定义就是“能够帮助我的身材扬长避短”。比如,对于女性而言,是否能“让我腰细”,“腿长”,或者“帮我遮肉(腰部、胳膊、大腿等)”。
对于男性而言,第一个需求也是遮盖,尤其是遮盖肚腩;其次则是显胸肌。这些当然不仅仅是尺寸问题,还涉及版型问题。但是尺寸问题是最基本的,尤其是对于大码女性。
这里就又涉及到另外一个问题,就是为何现在服装尺寸越来越小了呢?
我在我们冷芸时尚圈做过调研。商家回复是为了节省成本。因为现在材料贵了,但涨价消费者又不买单,所以干脆就每件衣服的材料费能省则省。
另外一个就是和流行趋势有关。
随着潮牌的兴起,oversize的大廓形流行了十多年后,流行周期又回归了短装、紧身版型。这种紧身短装在1990年代末,2000年初也流行过。所以时尚真的是一个螺旋式轮回。像BM风就是典型的这类风格。
除了流行周期外,这类廓形版型的流行,也和社会发展趋势有关。2020年后,一个活动很火——就是音乐节。音乐节火,在我看来同样是经济低迷期的口红效应。可以这么说,音乐节也是带火紧身短装的原因之一。
3、大众对优衣库的评价
说到这里,我就又要高度赞扬下优衣库了。而且我去统计过优衣库的产品评论文本数据,发现大家对他家的评价多是“尺寸多,版型舒适”。 大家可以看下这两篇文章。
品牌与零售商视角
问题是为啥尺寸会出现似乎总是难以满足市场需求的问题呢?要知道,这个并非是什么新问题。
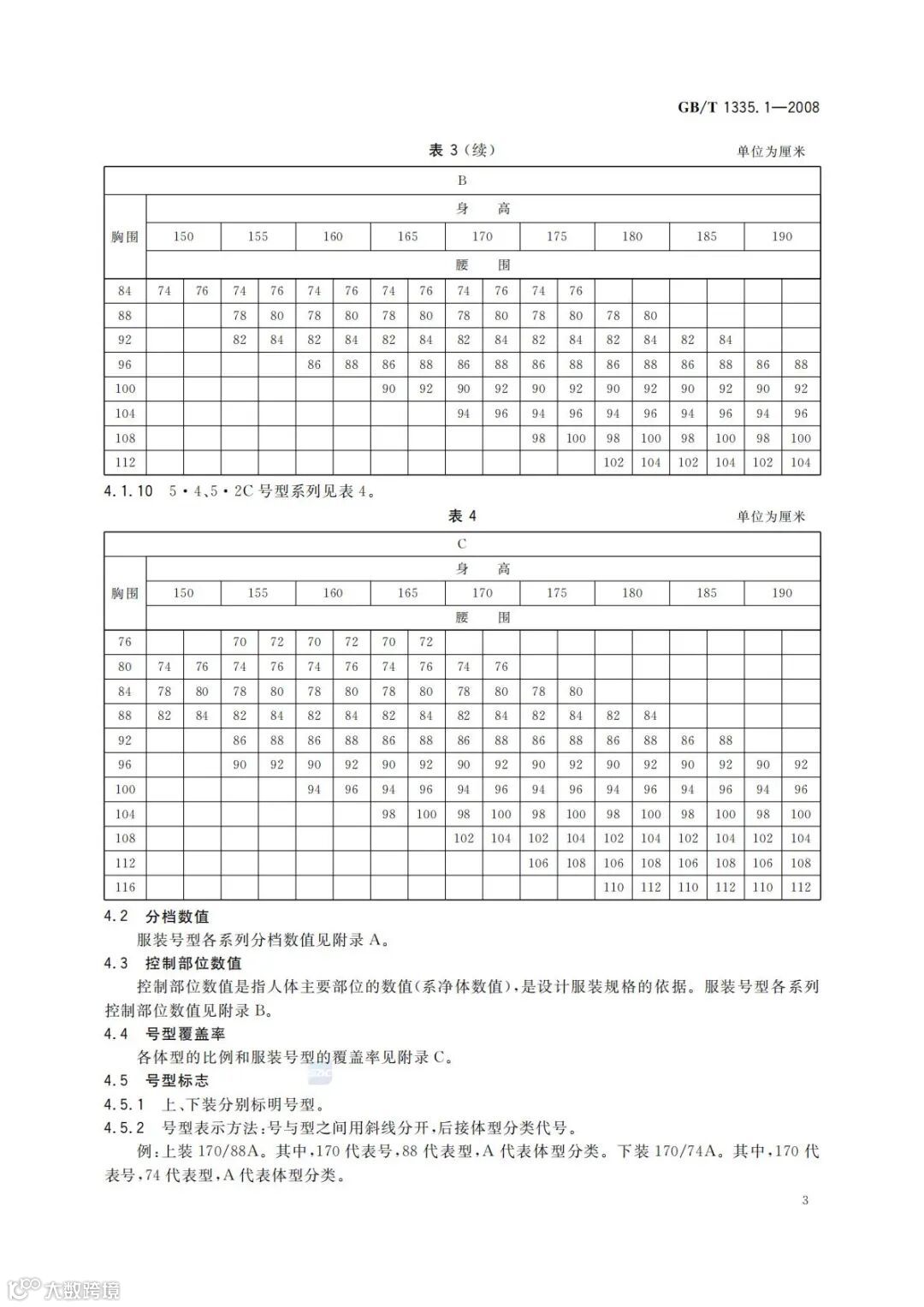
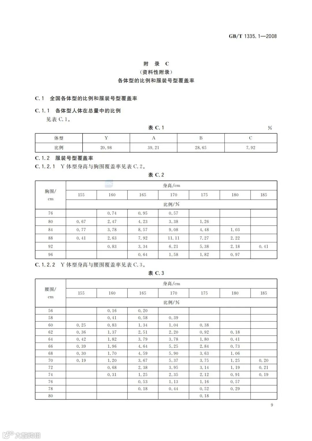
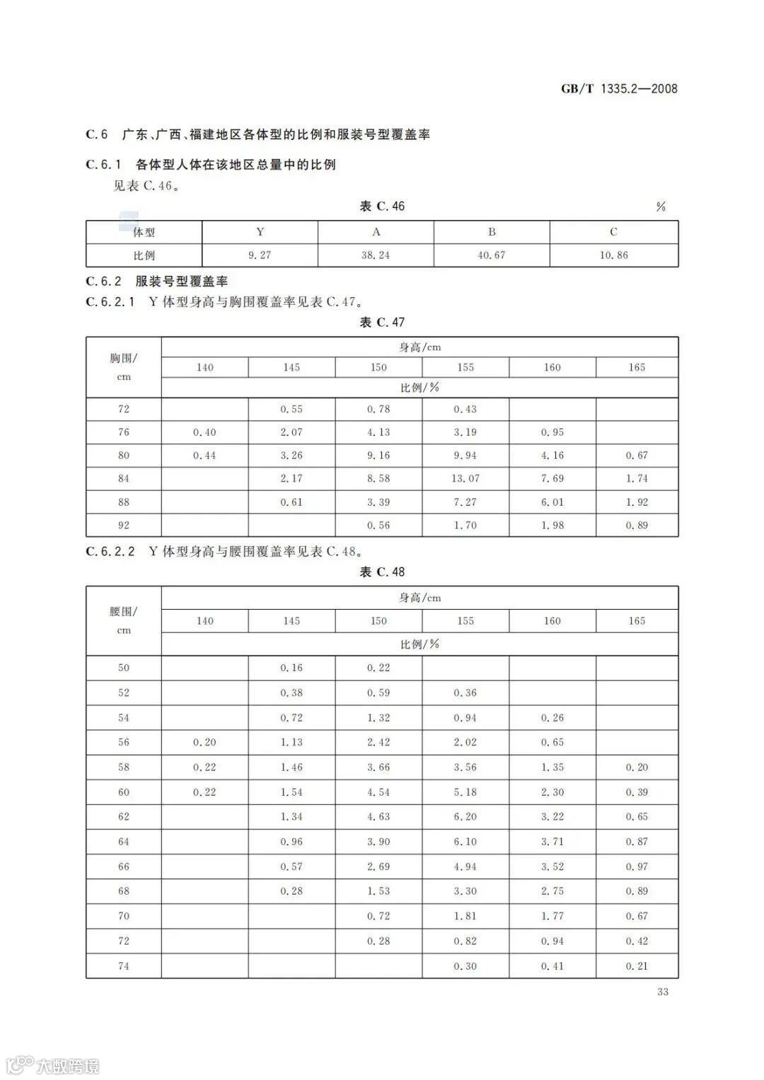
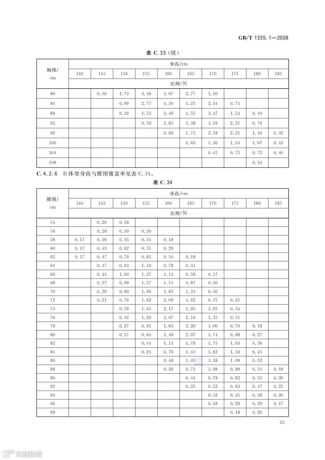
1、 首先还是行业标准的缺失问题。
这是我从国标官网上下载的,关于男装和女装的号型要求。(下图请左右滑动)
大家注意,这个标准是2008年出的。是目前最新的标准。
标准滞后——是我认为当下行业尺码的问题。
大家观察过现在马路上人的体型吗?
我以一个70后的角度来观察,就是现在年轻一代(90-00后),体型健康的人真不多。包括很多中学生和大学生。要么偏瘦(豆芽型),要么就是已经到了不健康的肥胖型体型(区分那些微胖但是健康的体型)。
这个和过度卷成绩,不重视体育有关。这也是为什么国家最近出了几个政策,要强化体育锻炼问题。因为当下青年人的健康问题,若再不干预,真的会导致民族整体身体素质都偏弱的问题。
回到当下的标准问题,就是我们的标准也没有实时跟上这些人体的变化。
为什么呢?
我的推测还是资金问题。毕竟做全国人体体型和尺寸调研是要花巨额资金的。
2、企业层面,缺少人体尺寸库及试衣模特儿的问题。这些我下半部分细说。
3、成本问题:退换货、库存积压
现在商家为了降低库存问题,所以会减少尺码选择。十多年前,服装品牌大多还会做5个尺码,从XS-XL码。现在许多品牌只做3个码。甚至于出现了更多的所谓“均码”。 其实背后都是担心库存问题。因为断码是库存的来源之一。
但这种做法在我看来,是本末倒置的做法。库存问题解决应该靠更加精准的预测,和柔性供应链,而不是依赖于减少尺寸选择。减少尺寸选择反而丢了更多的顾客。

所以企业应该怎么解决尺寸问题呢?
短期解决方案:
1、首先第一个问题是要解决试衣模特儿问题。
我们很少讨论试衣模特儿导致的版型和尺寸问题。今天我就来细说下这个。
各位公司使用试衣模特吗?
试衣模特都怎么找来的呢?
你们对试衣模特的具体要求是什么?
从我入行开始(1996年),就有试衣模特儿这个职业。
但我发现,30年过去了,这个职业几乎毫无进展。具体表现如下:
大部分企业并不重视这个岗位,不重视的表现就是这个岗位找人找得很随意。
很多企业就是找个瘦些、身体体型能穿中码的女生即可。很多情况下,前台就兼任了这个工作(招聘的时候写好体型要求)。有的企业则是找外面的兼职试衣模特儿。
现在听说不少服装企业要求服装设计师自己做试衣模特。这个要求也有其合理之处,就是设计师自己试穿,能更好地体验产品。但这个招聘也很不合理,毕竟大部分设计师并没有模特那样的身体条件。可以要求设计师穿自己设计的衣服,但不应该以模特儿条件要求设计师试穿。
试衣模特几乎都不太专业
比较尴尬的是,大多数的试衣模特并没有经过专业模特训练。他们只是正好能穿上样衣尺码。这就使得很多模特自己也不太有“职业修养”这个概念。比如试穿的时候,披着长发,戴着帽子,穿着深色内衣就来了。且站姿也不对,身体经常东倒西歪,长发挡着了产品细节,种种细节,就让人感觉他们对自己的职业毫无尊重。
在我看来,尺寸和版型的问题,在这个时候就已经出现了。毕竟,他们试穿的结果就直接影响了最终的尺寸和版型表现。
选择试衣模特不够多元
(1)现在大部分企业都只有一类标准人台,以及一类试衣模特体型,这个方法现在也很难适应现在消费者群体人体的变化需求。
(2)优秀企业(尤其是外贸企业)已经配备了不同体型的人台,且使用不同体型的试衣模特,以使得自己的产品能够满足更广泛群体的需求。
(3)毫无疑问,这也会增加企业运营成本,以及更加考验技术团队(版师、设计师)的功力。但这就是现实的市场需要——市场要求会越来越多且多元化,相应地企业对人才的要求也会提高。
所以要解决尺寸问题,第一点就是解决上述试衣模特问题:
(1)招聘专业的试衣模特(可以从平面模特中选择)。
(2)如果找不到,不妨自己企业培养。(可以通过模特经济公司招募。他们一些淘汰或者老化的模特,适应不了平面或者T台要求,但或许可以适应企业要求)。
重视这个岗位,并设定岗位的职业标准。比如:
(1)身高、人体尺寸及身体比例要求(根据顾客市场需求,而不是千篇一律地瘦即可);
(2)培养模特的职业修养。比如站姿(自然站立,不要东倒西歪)、着装要求(比如长发要扎起或者盘起以免影响观察服装细节;要穿肉色内衣,以防止影响观察服装等)。
(3)建立试衣标准和流程。
2、商品调拨。
店铺出现断码后,立刻进行调拨,将断码衣服调拨到畅销店铺,尽早凑成整码。这个道理看似很容易,但背后考验的是人、物流和信息系统的专业度——是否能及时发现断码问题并及时做应对。
3、做好订货的尺码分配。
目前订货的尺码分配都是让助手按照历史数据来分配的。这个原则上也是最简单和便捷的做法。
中长期方案
1、解决供应链问题
ZARA和优衣库之所以能够提供多尺码选择,并不仅仅因为他们是贩量式品牌,更因为他们有强大的供应链支持(虽然他们的供应链模型完全不一样。ZARA不向工厂追单,主要靠更强大的预测系统;优衣库主要靠追单用柔性供应链为市场做快反)。
理论上,如果供应链能够做到相对精准预测,或者快反,尺寸导致的库存问题就会得到极大的改善。
2、借助高科技
3D设计
以下是我之前写《时尚商业概论》一书时,采访的凌迪科技的片段。这里分享给大家。3D设计对于尺寸的解决方案,是减少试样对人的过度依赖(如前所述),以及提高整体设计试样的效率。
案例:3D服装设计
采访对象:陈鑫平
浙江凌迪数字科技有限公司(凌迪科技)COO。 凌迪科技主要为服装企业提供3D设计工具、协同工作系统和供应链交付等产品和服务。其产品Style3D目前是国内用户最多的本土3D服装设计软件。
3D设计是产品数字化的另外一种载体。
我们用的CAD、以及为衣服拍摄一组照片,都可以说是在将产品“数字化”,但是,这些“数字化”产品对整个供应链效率的提高还是较为有限的。 比如,CAD裁片只是在工厂端某个部门可以看到,这个裁片文件无法被设计师、买手看到,或者给了他们,他们也不一定能看懂。
给服装拍摄的图片,与生产端也没任何关系。换句话说,之前的“数字化”只是满足了个别部门的需求,但这个数字化并没有打通生产端与营销端的通路。两者之间是被割裂的。
而3D服装设计做了几件事:
首先,它打通了产品开发、生产制造与营销端的信息路径,让彼此的沟通更加高效。
其次,它将相关部门的工作全部可视化了,一切都可以在线阅览。
最后,因为前两者,跨部门工作的协调效率更高了。大家可以同时在线去创作、修改、审阅。比如,以前的工作程序基本是单纯线性的:先做商品企划、再做设计、随后买手订货、下单生产、发货到总仓上市等等。现在所有的数据(信息、图片、资料等)都是在线的。 企业可以开发的同时也同步上新。整个工作逻辑从“线性”逻辑(某个时刻只能做一件事)变成“并行”逻辑(同时可以几件事并行运行)。
因此,它可以帮助企业大大缩短整个产品开发周期,让新产品能以最快的时间上市。
最后,传统时代几次反复修改样衣的过程,到了3D设计,只要在线虚拟试衣,最后打样一次即可。 所以它也很大程度地节约了材料使用与开发所需要的人力成本。一定意义上也算对环保有一定的贡献。
人体3D扫描仪
不知道有多少人见过人体扫描仪?
人体扫描仪就是通过仪器快速扫描人体获得人体多维度数据的设备。
我见过不同种类的人体扫描仪。
我最早听到这个词是2003年在英国留学的时候。那个时候就听说有品牌(据说是李维斯,但未经本人核实)在店铺终端安装了人体扫描仪。那个时候的人体扫描仪好像现在的“快照拍摄”设备。人走进这个空间,站立在当中,大概几秒钟,这个设备就能测量出人体多维度数据。
但是这个设备有一个弊端,这个弊端据说到现在还在,就是被测量者要尽可能穿最少的衣服,最好是内衣进行扫描。因为衣物会干扰测量精准度。
而大多数消费者都觉得这个步骤很麻烦。
现在还有一种就是你可以穿着衣服测量,然后衣服厚度由操作者人工操作,在设备后台上减去。
这也是为什么定制领域,大家还在用测量师来测量尺寸。
所以一个好的技术诞生,其实是个漫长的过程。
虚拟试衣与AI尺寸推荐
给大家看我上次去杭州一家科技公司拍摄的视频。虚拟试衣目前实物状况(视频来自视频号时尚与美学商业的冷芸博士)
虚拟试衣这个设备其实从我第一次听说到现在至少也有10年的时间了。但也是一直没有普及。没有普及主要还是精准度和灵活度问题。
现在电商也有试衣软件。人工输入自己的人体尺寸,APP会按照这个尺寸虚拟一个人体,然后让这个虚拟人体试穿。
我也看过这些小APP,这些模拟都不够真实——只能看个表象,无法体现一个人穿上后的体感。
在这方面,我认为解决方案还是在我前面说的3D设计软件的普及。这个软件的试样,会显示人体哪个部位可能太紧,不够舒适的问题。
虚拟试穿最大的技术难度还是在面料上。因为同样的人体,对不同面料做的服装尺寸适应度是不一样的。
但不管怎么样,我认为高科技都是未来的解决方案。技术只是需要更多的时间去攻克一个个难点。
大数据建模:用户体型分群,精准推荐
更加长远的就是建立人体数据库。目前能做到这点的,主要是定制公司。
很多品牌可能还没注意到定制公司未来的前景——在我看来,定制公司才是未来最有前景的——长远来说,随着技术的发展,人人定制是大势所趋。这么一来,尺寸也就不是问题了。
为什么说未来的个性化定制是大势所趋呢?需求肯定在那里(条件允许,谁不想要独一无二的衣服),主要是技术上如何实现?
首先是面料定制——请大家看这个NAO视频。NAO是一种可以在虚拟软件中先织布并看效果,随后可以通过机器打样布,再做大货织造。(视频来自视频号青甲科技)
其次是服装定制。山东酷特已经做到了批量定制。人体测量师上门测量获得尺寸,衣服送到流水线进行批量定制。
这里我要解释下“批量定制”的概念,其流水线和传统流水线不一样。
传统流水线时是一条流水线做同一款衣服,有的工位专门负责做领子,有的工位专门负责缝制袖子,有的负责做口袋。
批量定制流水线,每个工位依然在负责某个部位的缝制,但是他们缝制的是不同产品的部位。
这个技术的实现背后靠几点:首先是RFID,会显示这块裁片属于哪款产品?其次是每台工位前都有个pad或者手机,演示这里要怎么缝合?人照着做即可。最后,现在的衣服缝制模具也很多,不熟练的工人用模具缝合也很方便,这样便于高效地达到生产标准。
最后缝制流水线(目前还主要依赖人类)长期来说也不需要用人了。大家看看这个机器工人在缝制衣服的视频。(视频来自视频号时尚与美学商业的冷芸博士)
所以,尺码问题,不仅仅是个大小问题。其背后是生态性问题。
———————————————————
冷芸博士
独立学者、商业培训导师、时尚评论人与专栏作家。美国富布莱特奖获奖者。北京服装学院客座教授。
知乎时尚话题优秀答主。领英2020年行家。全网40万加关注者,他们多为时尚及奢侈品产业从业者。
冷芸拥有香港大学博士学位。伦敦时装学院时装营销与管理硕士学位。
冷芸2013-14年获得由美国国务院颁发的富布莱特(Fulbright)学者奖。 同年冷芸在纽约帕森斯(Parsons)设计学院做访问学者。其研究领域主要为中西时装体系对比,包括从教育到商业体系的比对。
其近期活动包括:
2025年7月9日,中国服装协会服装科技创新大会演讲嘉宾;
2025年5月9日,Link Fashion创新论坛联席主席;
2024年4月10日,深圳PV展“向善商业”圆桌主持人;
2024年3月29日,市界与财经天下周刊“让女性不设限”演讲嘉宾;
2024年3月27日,上海时装周Biodex可持续时尚发展论坛主持人;
2023年12月4日,虎嗅FM创新节演讲嘉宾;
其他冷芸参加的活动还包括:
2022央视上海总台“让世界看见中国美”时尚大奖评委;2019秋冬深圳时装周“时尚大奖”评委;2018-21年“中华杯”服装设计大赛评委;2018年哈佛中心“女性论坛”特邀嘉宾;2018年第20届IFFTI特邀演讲嘉宾。
其合作撰稿媒体与知识付费平台包括《Vogue服饰与美容》、《费加罗》、《BoF时装商业评论》、《周末画报》、《三联生活周刊》、 知乎等。
其培训与咨询对象则包括唯品会、赫基、三福百货、韩都衣舍、历峰集团、斐乐等,以及其他中小企业。其培训课程与咨询范围包括买手与商品(含商品企划与设计企划),商品数据分析,新媒体运营,时尚写作,美学消费与营销,中小企业经营与管理,消费者洞察与研究等,且所有课程均有融入如何利用AI提高工作效率。
冷芸时尚圈亦有自己的讲师团队。讲课主题几乎涵盖时尚与奢侈品相关的所有课程。包括但不仅限于服装产品知识,球鞋设计与开发、服装生产供应链管理,奢侈品零售运营,服装营销与品牌建设,时尚产品跨境运营等。
冷芸也经常接受财经与时尚类媒体的采访。曾对时尚商业的观点曾被虎嗅、南方周末、中国经营报、Vogue Business及36氪等主流媒体采纳。
冷芸自1996年开始在鞋服业工作,至今近30年。曾任职于耐克、百丽及利丰集团。
冷芸主要出版作品有:《中国时尚:对话中国服装设计师》、《时装买手实用手册》(第3版,10印)、《资深买手宝典手册》(第2版中文版即将出版;英文版将于2026年在欧美上市)、《人生不急 职场不慌》以及《时尚商业概论:从传统到数智化》(获得中国纺织工业联合会颁发的优秀图书三等奖)。
冷芸还是《ROUTLEDGE中国研究百科全书》(英文)经济与商业板块的编辑。冷芸也是《亚洲设计百科全书》(英文)中,“中国服装设计师”与“中国设计教育”词条作者;以及《设计教育:理论与实践》(英文)一书中,中国设计教育一文的作者。冷芸的论文也多次发表在时尚与设计相关的顶级英文期刊上,包括但不仅限于Fashion Theory,Design Issue,The Journal of Design History等。


