储能变流器(PCS)产业链深度解析
技术演进、市场格局与核心企业增长动力

图:电子电力技术发展史来源:搜狐
图:2021年全球分立IGBT市场竞争格局来源:华金证券
图:2021年全球模组IGBT市场竞争格局来源:华金证券
图:中国储能PCS提供商2022年全球出货量(单位:GW)来源:东吴证券
图:中国储能PCS提供商2022年境内出货量(单位:GW)来源:东吴证券
图:2023H1国内企业储能系统出货排名(单位:GWh)来源:知乎
图:wind机构一致预期增长和景气度情况来源:并购优塾、wind
图:电化学储能系统构成来源:平安证券
图:储能系统价值量分布来源:开源证券
图:储能变流器材料成本构成来源:国信证券
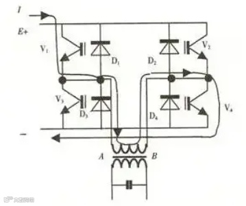
图:电路原理来源:知乎
图:输出波形来源:知乎
图:储能变流器分类来源:头豹研究院
图:公司主要产品及用途来源:东吴证券
图:收入结构(单位:亿元)来源:并购优塾
图:不同业务对营收拉动效应来源:wind
图:科华数据业务概况来源:德邦研究所
图:收入结构(单位:亿元)来源:并购优塾
图:不同业务对营收拉动效应来源:wind
图:收入结构(单位:亿元)来源:并购优塾
图:不同业务对营收拉动效应来源:wind
图:归母净利润增速(单位:%)来源:并购优塾
图:近几个季度归母净利润情况来源:并购优塾
储能行业景气度向好,龙头企业业绩驱动与增长空间分析
新能源业务驱动营收增长,储能产业链迎来高景气周期
图:近几个季度归母净利润情况来源:并购优塾
图:近几个季度归母净利润情况来源:并购优塾
图:净现比来源:并购优塾
图:现金流VS CAPEX来源:并购优塾
图:毛利率(单位:%)来源:并购优塾
图:净利率(单位:%)来源:并购优塾
图:杜邦分析拆解来源:并购优塾
图:产业链价值分配来源:并购优塾
图:光伏月度装机数据来源:甬兴证券
图:碳酸锂价格走势来源:国金证券
图:磷酸铁锂电芯价格走势来源:国金证券
图:储能系统月度中标量(单位:MWh)来源:国金证券
图:储能系统加权平均中标价格(单位:元/Wh)来源:国金证券
图:2023年1-10月国内新型储能新增装机规模来源:国金证券

