01 建筑强电系统主要分为三部分:
● 高压配电系统
● 低压配电系统
● 建筑防雷与接地系统
1.高压系统的概念
高压 就是电压等级为1000V及以上的电压即为高压。
高压主要分为三类:
发电电压:6KV、10kv、15kv等
输送电压:35kv、110kv、220kv、380kv、500kv等
区域电压:6kv、10kv等
电力系统的概念是:由发电、输电、变电、配电、用电的设备及相应的辅助系统组成的电能生产、输送、分配、使用的统一整体。(树上鸟教育电气设计在线视频教学课程)

02 高低压配电房建筑方面的要求:
1、高压配电室宜设不能开启的自然采光窗,窗台距室外地坪不宜低于1.8m;低压配电室可设能开启的自然采光窗。配电室临街的一面不宜开窗。
2、变压器室、配电室、电容器室的门应向外开启。相邻配电室之间有门时,此门应能双向开启。
3、配电所各房间经常开启的门、窗,不宜直通相邻的酸、碱、蒸汽、粉尘和噪声严重的场所。
4、变压器室、配电室、电容器室等应设置防止雨、雪和蛇、鼠类小动物从采光窗、通风窗、门、电缆沟等进入室内的设施。
5、长度大于7m的配电室应设两个出口,并宜布置在配电室的两端。长度大于60m时,宜增加一个出口。当变电所采用双层布置时,位于楼上的配电室应至少设一个通向室外的平台或通道的出口。
6、控制墙体的裂缝,配电室外墙本身存在大量的窗洞、门洞、脚手架洞、预留管线洞、窗楞洞等薄弱部位,外墙防渗特别注意这些薄弱点。
7、加强墙面排水,常见的做法是对外墙面采取憎水处理措施。例如采用有机硅乳液对外墙面进行处理,使外墙不能被水湿润,以防止由于毛细作用引起的渗漏
8.配电房属E类火灾场,可配置A/B类型干粉灭火器,如MF/ABC3(2A/34B)。
9.配电房常用工具:高压验电器,万用表,钳子,安全帽,警示牌,螺丝刀,
板子绝缘操作棒,手电,接地线,绝缘手套。

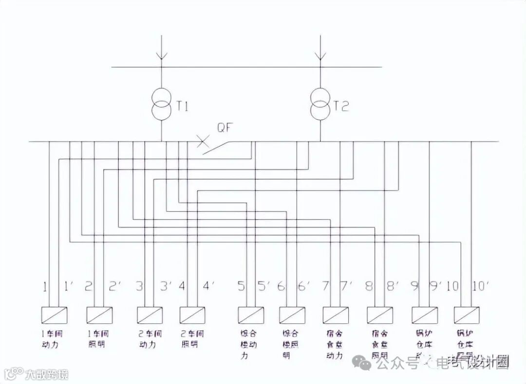
03 10kV双回路供电:
高压电之所以使用双回路,是因为双回路供电就是用两个不同的变电站(所)供电。以防停电引起不必要的损失。双回路供电是指二个变电所或一个变电所二个仓位出来的同等电压的二条线路。
当一条线路有故障停电时,另一条线路可以马上切换投入使用,方便快捷。也就是说一级负荷需要两路或更多路供电。二级负荷需要两路供电。三级负荷则可以用一路供电。

04 高供高计和高供低计的含义解析:
(1)高供高计是指高压供电同时在高压装置PT(电压互感器),CT(电流互感器)进行计量,计量的电流,电压采样在高压侧,一般需要高压开关柜。
一般使用三相三线电表计量。
(2)高供低计是指高压供电,在低压侧装置CT进行计量,一般使用三相四线电表计量.
(3)在系统上,一般高供高压的计量系统需要安装高压计量柜,其中整个高压高供系统中的低压柜也需要安装计量柜,因为高压高供不能满足电价分类的要求,比如不同地方、设备的用电。故而需要在低压侧分别装不同类型的负荷表.
(4)一般计量方式有高供高计,高供低计,低供低计,这此方式只能选择一种,但没有谁规定只能有一套计量系统.例如一个单位有两条10KV进线,无论两条进线之间加不加联络柜,都会在高压室的两条进线处分别加装计量装置,这样一个单位就会有两个计量柜。

05 配电房接地网:
电房门、变压器基础、低压柜基础和高压柜基础也应与与接地网可靠连接,施工完后应在晴天测量接地电阻,其电阻不应大于4欧姆,若超过此值,需增设接地极,接地带,使阻值达到小于或等于4欧姆为止。

06 双电源系统中:



07 10kV高压配电系统微机继电保护系统的原理:
1.高压电力系统继电保护技术的原理是电气测量器件对被保护对象实时检测其有关电气量(电流、电压、功率、频率等)的大小、性质、输出的逻辑状态、顺序或它们的组合。
还有检测其他的物理量(如变压器油箱内故障时伴随产生的大量瓦斯和油流速度的增大或油压强度的增高等)作为继电保护装置的输入信号,通过数学或逻辑运算与给定的整定值进行比较。
然后给出一组逻辑信号来判断相应的保护是否应该启动,并将有关命令传给执行机构,由执行机构完成保护的工作任务(跳闸或发出报警信号等)。

2.微机继电保护系统的硬件组成:
(1)模拟量输入系统(数据采集系统):包括电压形成、模拟量信号的滤波、采样保持、多路转换(MPX)以及模拟转换等主要环节,最后完成将模拟量输入准确地转换为数字量。
(2)CPU主系统:微处理器、只读存储器(ROM)或闪存内存单元、随机存取存储器(RAM)、定时器、并行以及串行接口等。微处理器通过执行编制好的程序,完成各种继电保护测量、逻辑和控制功能。
(3)开关量(数字量)输入/输出系统:并行接口(PIA或PIO)、光电隔离器件及有触点的中间继电器等组成,完成保护的出口跳闸、信号、外部接点输入及人机对话等功能。
3.高压电力系统微机继电保护系统的作用是专业对电力系统的正常运行工况进行监测显示,对异常工况进行及时的故障报警、故障诊断或快速切断异常线路(或设备等)的电力保护系统,进而为用户的正常生产、生活用电提供保证。

4.高压电力系统的微机继电保护系统特点是:
(1)可靠性:继电保护装置有非常好的可靠性,不误动不拒动等。
(2)选择性:正确选择故障部位,保护动作执行时仅将故障部位从电力系统中切除,保证无故障部分继续正常安全运行。
(3)速动性:快速反应及时切除故障。
(4)灵敏性:灵敏性是指电气设备或线路在被保护范围内发生短路故障或不正常运行情况时,保护装置的反应能力。
即不论异常点的位置和异常的类型如何,以及异常点是否有过渡元器件,都能正确反应动作。

