【事故教训】:检修人员误碰导致机组跳闸
发电生产技术园地

某电厂1号机组主变差动故障分析报告
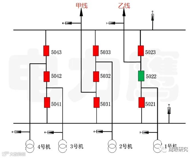
事件前,1、2、3、4号机组运行,500kVXX甲线、XX乙线运行;500kV 5021、5023、5031、5032、5033、5041、5042、5043断路器运行;5022停运;500kV I、II组母线运行。
图1 XX电厂1号机组跳闸前运行示意图

图2 XX电厂1号机组跳闸后运行示意图
5月12日 09:12,电厂500kV 5022断路器A相CT拆除工作中,因拆除线时未做好现场安措,将CT二次电缆接线接地,造成1号发变组B柜保护装置RCS-985A主变工频变化量差动动作,5021开关跳闸,1号发变组解列。
保护型号:断路器(RCS-921A)、发变组保护(RCS-985A)
电厂5月12日9:00时检修人员开始现场拆除5022断路器(5022断路器转检修状态)A相CT工作。XX电厂运行值班员监盘,网络监控系统9:12,1号发变组跳闸(5021断路器跳闸),立即检查1号发变组动作情况:1号发变组B屏主变差动保护动作。立即停止现场所有工作。
09:12--10:00,对1号发变组一次回路、5021、5022、开关进行检查,排查故障点,09:20 确定为5022开关CT检修工作中,工作人员在拆除A相CT二次回路端子时,造成二次回路误接地,导致主变工频突变量差动保护动作,1号机组跳闸。
09:12 5022开关CT检修工作中,检修工作人员在拆除A相CT二次回路端子工作时,端子拆除未做好相关安全措施。在拆完送至测控装置、计量电流回路后,在拆除1号发变组B屏主变差动的电流回路时,扳手由于尺寸较大将CT二次接线柱与外壳短接接地,导致1号主变差流回路形成两点接地,1号发变组B屏主变工频变化量差动保护动作,最终1号机组跳闸。

1. 保护动作情况
(一)事件原因(包括直接原因、间接原因、管理原因等)
(1) 5022开关A相CT拆除检修工作,安全措施未正确落实到位,在5022开关CT端子箱电流回路未安全隔离。在CT本体端子盒拆线工作中误将扳手开口部分将CT二次接线柱与外壳短接接地,导致1号主变差流回路形成两点接地,1号发变组B屏主变工频变化量差动保护动作,最终1号机组跳闸。
(2)从发变组动作录波图中看到,在事件中,05-12 09:12:59时刻,1号发变组B屏A/C相主变差流、二支路A/C相电流突变。
(3)一、二次设备检查均无异常,由此证实了本次事件5022断路器CT A相二次电缆拆线工作中,将送至1号发变组B屏电流保护量(二支路A/C相校正电流及主变差流波形变化)有间歇性接地,最终二分支A相电流(5022 )突变1号主变工频变化量差动保护动作,1号机组事故跳闸。
1、未严格按照调度规程要求,在涉网设备电流二次回路上开展工作前未向中调上报检修工作申请,擅自开展工作;
2、工作票仅从环境污染,人身伤害中停电范围、高空坠落等方面进行危险点分析,未对二次回路开展工作进行危险点分析;
3、对XX电网公司电力调度控制中心《关于强化保护及安自现场管控防范“人为责任”风险的通知》的发文未认真学习和制定切实可行的防范措施;
4、未在5022断路器端子箱进行安全隔离措施,就在电流互感器本体开展拆除二次电缆的工作;
5、现场作业检修工具扳手,尺寸较大不适合在二次回路上使用,且未做绝缘处理,容易碰到外壳。
6、监护人员为非继电保护专业人员,不具备监护工作能力,未能发现5022短路器端子箱未执行安全隔离措施。工作安排不合理
1、安排电气专业人员、值班员进行调度规程再次学习,并进行考试;
2、集团公司下发了《关于印发〈危险点分析及预控措施〉的通知》,补充完善二次回路工作中危险点分析相关内容;。
3、对上级下发的规定、反措文件组织电气专业人员及值班员进行学习,并做好学习记录,同时根据文件内容制定相应的防范措施;责任部门:检修维护部、运行发电部。完成时间:长期。
5、对电气作业人员工器具进行全面检查,确保已采取绝缘处理,杜绝工器具在检修过程中误碰带电设备;
6、安排监护人需合理安排,继电保护工作必须安排专业的继电保护人员进行监护。

爱学习,爱生活,学习之路共精彩!