
一、简介
1.1 目的
1.2 范围
二、客户端角色描述

三、产品概述
3.1 总体功能架构图

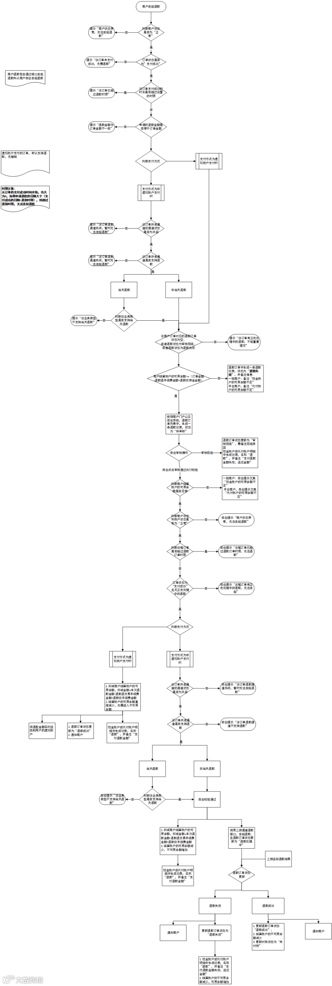
3.2 系统流程图

四、 功能需求说明
4.1 商户端






4.2 平台端


-
是否支持撤销:默认为“否”,该字段目前仅用于记录,不参与判断; -
是否支持退款:默认为“是且支持当日退”,未勾选“支持当日退”时,表示该业务类型不可在当日退款,如厦门民生的B2B;

-
操作中去掉“退款”按钮,退款操作只能由商户从前端发起,后台不能操作; -
原订单状态中去掉退款相关的状态,在列表中新增字段记录“退款状态”,状态包含退款成功、退款失败、退款处理中、待审核和审核拒绝;未支付成功的订单或未申请退款的订单,退款状态为空




-
“是否支持退款”选择“是”时,可按照“退款是否退手续费”继续细分查询 -
“是否支持退款”选择“否”时,选择“退款是否退手续费”中的任意一项都不用筛选 -
“是否支持退款”为“请选择”时,可按照“退款是否退手续费”中的选项进行筛选
4.2.6 退款复核管理



-
若原支付方式为虚拟账户支付,点击通过后,退款成功,退款金额实时返回到用户的支付账户; -
若原支付方式为银行卡、扫码等支付方式,点击通过时,判断上游通道是否支持退款且通道是否为开启,若通道支持退款且通道开启,将退款请求上送到上游通道,退款订单状态置为“退款处理中”; -
若原支付方式为银行卡、扫码等支付方式,点击通过时,判断上游通道是否支持退款且通道是否为开启,若通道不支持退款或上游通道关闭,提示文案“上游通道不支持退款或通道已关闭,请核对通道状态”;

-
搜索条件和列表字段,详见页面设计 -
对账成功历史管理菜单下,分拆为2个子菜单“收款对账”和“退款对账”





