
编者按
以工艺改进、降本增效为核心,针对螺栓、螺母类紧固件产品开展冷镦成形技术优化研究,归纳出燕尾螺母、空心螺栓、轴肩式双头螺栓及刮屑槽螺栓的冷镦一次成形方案。实施后显著提升生产效率,降低制造成本,保障产品质量稳定。
序言
紧固件作为现代制造业中关键的连接元件,广泛应用于汽车、航空航天、建筑和电子等领域。冷镦成形作为一种室温下通过模具对金属进行塑性变形的加工工艺,具备材料利用率高、生产效率高、尺寸精度好和表面质量优等优势,已成为紧固件制造的主流技术。随着多工位冷镦设备智能化水平的提升,传统需后续机加工完成的复杂结构件(如燕尾螺母、空心螺栓等)已可通过模具创新实现集成化冷镦一次成形,推动工艺高效整合与降本增效。
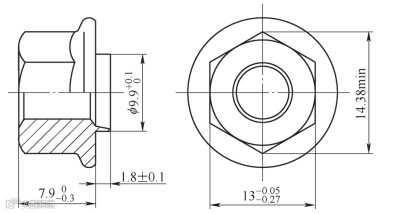
燕尾螺母成形
燕尾螺母结构如图1所示,其燕尾部分壁薄,成形难度大。传统工艺为:冷镦→机械加工燕尾→攻螺纹。优化后采用二模冷镦六角、三模浮动挤压燕尾(见图2),实现冷镦一次成形,新工艺简化为:冷镦→攻螺纹。主要技术难点如下:
- 三模浮动模合金易破损,需精确控制冲棒位置,通过动态平衡调试确保受力均匀。
- 存在薄壁断裂风险,因模具“憋油憋气”现象影响同轴度控制,需优化排气结构并合理设计燕尾壁极限尺寸,在不断裂前提下尽可能减薄,便于后续铆合。
- 易出现表面折叠缺陷,尤其在法兰成形后延伸至支承面。解决方案为增大二模过渡圆角,并优化毛坯体积分配比例,避免折叠产生。
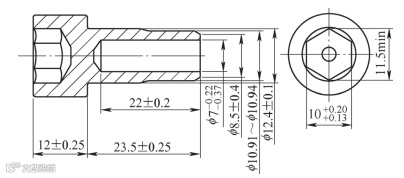
空心螺栓成形
空心螺栓结构如图3所示,具有深孔、窄径、薄壁特点,传统工艺为:冷镦→钻孔→滚螺纹。通过引入反挤压成形工艺(见图4),实现冷镦一次成形,新工艺为:冷镦→滚螺纹。关键技术要点包括:
- 计算变形率:孔径6.63mm,外径10.91mm,变形率= (6.63² / 10.91²) × 100% ≈ 36.9%,处于反挤压适宜范围(25%~75%)。
- 深径比验证:内孔深度为孔径3倍,满足≤3.5的要求。
- 底部厚度控制:孔底至内六角底部厚度为壁厚1.2倍,符合1~1.5倍成形区间。
成形工艺设计为:一模倒角预成形,二模初挤,三模反挤压成形,四模、五模内六角精整。实际调机中,模具材料匹配性、加工精度、线材可塑性、表面处理质量及润滑条件均直接影响成形效果。
轴肩式双头螺栓成形
轴肩式双头螺栓结构如图5所示,常规采用五工位冷镦,但因束丝坯比过大难以一次成形,工艺流程为:冷镦→机加工丝坯→搓螺纹。现采用多次正挤压工艺(见图6),实现冷镦一次成形,新流程为:冷镦→搓螺纹。核心在于合理布局多次正挤压过程:
- 根据产品总体积与头部体积确定料长;
- 结合料径与料长计算镦锻比和挤压比,确定束杆次数;
- 控制每次束杆率≤30%,通过多道次逐步成形,确保最终尺寸达标。
刮屑槽螺栓成形
刮屑槽螺栓结构如图7所示,用于排屑防堵,避免螺纹烂牙或毛刺。传统工艺为:冷镦→铣槽→搓螺纹。因槽深且尾部易产生毛刺,冷镦一次成形难度高。现采用三模主模与异形通棒配合方式(见图8),实现冷镦一次成形,新工艺为:冷镦→搓螺纹。关键突破点为解决尾部毛刺问题:
- 设计主模与通棒间的合理配合间隙;
- 采用锥形过渡结构优化材料流动;
- 修模处理凹模刃口,有效降低毛刺发生率。
结束语
本文围绕燕尾螺母、空心螺栓、轴肩式双头螺栓及刮屑槽螺栓四类典型紧固件,系统探讨了冷镦模具结构改进与工艺参数优化方案。通过实际生产验证,成功实现冷镦一次成形,显著提升生产效率,大幅降低制造成本,减少材料损耗,为企业提供可靠的技术支撑,具备良好的行业推广价值。
专家点评
文章以典型紧固件为例,通过冷镦模具结构创新与工艺参数优化,实现多工序高效整合的一次成形方案,为同类产品提供了切实可行的技术路径。
聚焦工艺改进与降本增效主题,围绕冷镦成形技术对关键环节进行系统优化,成果显著,具有广泛的推广应用前景。
本文发表于《金属加工(冷加工)》2025年第8期41~43页,作者:舟山市7412工厂 林志峰,蒋杨英,原标题:《通过冷镦模具改进实现紧固件工艺优化》。
☞来源:金属加工 ☞责任编辑:王倩 ☞校对:勾鑫彤 ☞审核人:李一帆

