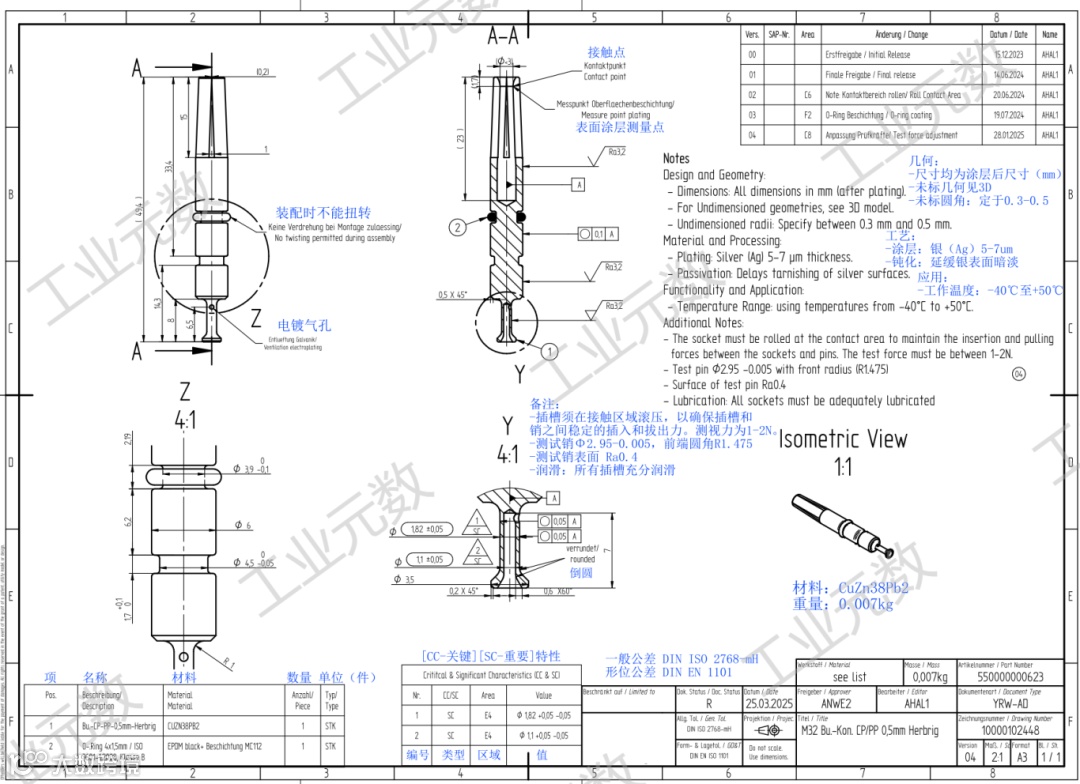
插销
工艺:机加工、表面处理
材质:DC03
数量:14000000件/年
需求:表面处理,涂层:银(Ag)5-7um;钝化:延缓银表面暗淡。报价请按图纸要求含税运包装FOB上海进仓费。
截止时间:2025.9.22
收货地:上海市
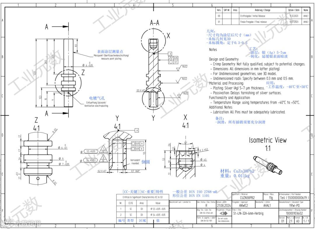
插针
工艺:机加工、表面处理
材料:DC03
数量:890000件/年
需求:表面处理,涂层:银(Ag)5-7um;钝化:延缓银表面暗淡。报价请按图纸要求含税运包装FOB上海进仓费。
截止时间:2025.9.22
收货地:上海
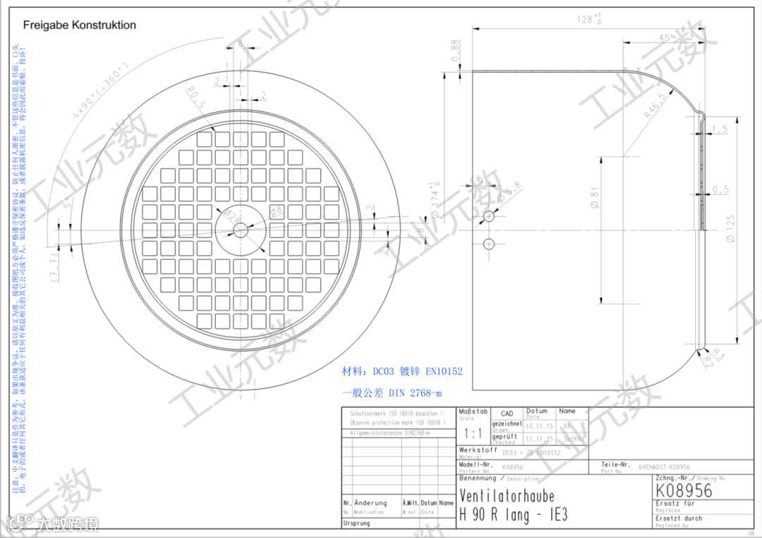
风扇罩1
工艺:冲压、钣金
材料:DC03
数量:8000件/年
需求:表面处理镀锌,报价需含税运包装FOB上海进仓费。
截止时间:2025.9.23
收货地:上海
插针
工艺:机加工、表面处理
材料:DC03
数量:12000000件/年
需求:表面处理,涂层:银(Ag)5-7um;钝化:延缓银表面暗淡。报价请按图纸要求含税运包装FOB上海进仓费。
截止时间:2025.9.22
排气第一吊钩
工艺:机加工
材料:20#
数量:15000件
需求:请按图纸要求报含税运最优价格。
截止时间:2025.9.23
收货地:九江市
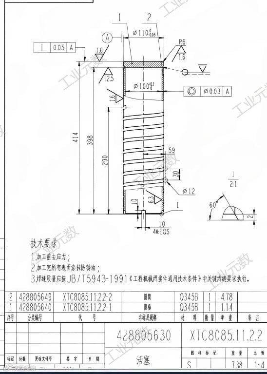
活塞
工艺:机加工
材料:Q345B
数量:100件
需求:请按图纸要求报含税运最优价格。
截止时间:2025.9.22
收货地:盐城
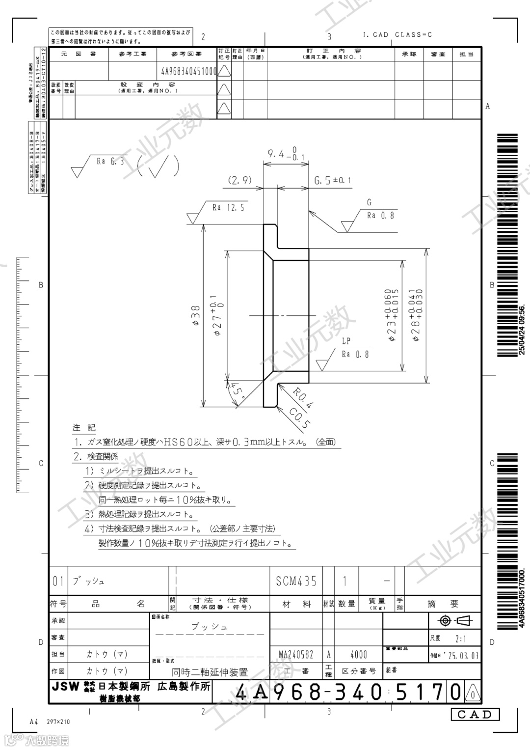
衬套
工艺:粉末冶金、机加工
材料:SCM435
数量:4000pcs
需求:请按图纸要求报含税运最优价格。
截止时间:2025.9.19
收货地:杭州
滚子1
工艺:锻造、机加工
材料:SCM435
数量:4000pcs
需求:请按图纸要求报含税运最优价格。
截止时间:2025.9.19
收货地:杭州
双头螺柱
工艺:机加工
材料:42CrMo
数量:1848件
需求:请按图纸要求报含税运最优价格。
截止时间:2025.9.25
收货地:哈尔滨
轴套
工艺:粉末冶金
材料:QT-600-3
数量:16000件
需求:重量71磅,需报模具费(覆膜砂或消失模),报价含毛坯价格和加工费,按图纸要求报含税运最优价格。
截止时间:2025.9.24
收货地:盐城
齿轴
工艺:机加工
材料:45钢
数量:50000件
需求:工期半个月一次,按图纸要求报含税运最优价格。
截止时间:2025.9.24
收货地:贵州
上杆
工艺:机加工
材料:45#镀铬
数量:200件
需求:请按图纸要求报含税运最优价格。
截止时间:2025.9.24
收货地:长沙
通气防止器
工艺:铸造、机加工、表面处理
材料:2.0401
数量:4500个/年
需求:按图纸要求报含税运包装FOB上海进仓费。
截止时间:2025.9.26
收货地:上海港口
滚轮
工艺:机加工
材料:45#/GCr15
数量:500个
需求:请按图纸要求报含税运最优价格。
截止时间:2025.9.26
收货地:长沙
调节轮
工艺:机加工、表面处理
材料:铝7075
数量:250件
需求:请按图纸要求报含税运最优价格,并备注工期。
截止时间:2025.9.26
收货地:陕西

