点击关注▲ “邦纳”,开启智造之旅

邦纳新推出MBE&MBR系列 经济型两件式测量光幕,拥有两路开关量输出,RS485通讯,连续发送测量数据,T型螺母安装方式,可以广泛应用在橡胶轮胎行业和物流行业。
MBE&MBR经济型光幕的特点
两件式光幕,用于轮廓测量、位置测量和尺寸测量等
对射距离2米,光轴间距19.1mm
光幕高度:150mm,300mm,450mm,600mm……1210mm
两路开光量输出,可以设置为PNP或者NPN
RS485通讯,波特率9600~38400,连续发送测量数据
光幕在每次上电的前5秒左右,可以连接GUI软件以设置参数,包括波特率,两路开关量(PNP或者NPN),扫描方式,串口发送的数据等。
T型螺母安装,同时保留标准两件式Mini-Array的端部安装孔。
行业应用:物流,橡胶轮胎,电子,太阳能,喷涂等
光幕的型号

▲点击查看大图
附件选型
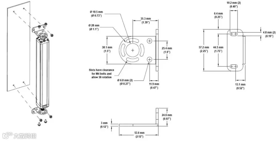
端部安装支架 MAB-MBK-EB
减震支架:MSVM-1,MAVM-1

▲点击查看大图
行业应用
橡胶轮胎行业:用于检测胶条的下垂度
物流行业:交叉带分拣机的上包台,测量包裹的位置,用于纠偏
点击底部阅读原文,联系邦纳工程师!
END
近期精彩内容
闪耀登场!邦纳创新产品及解决方案亮相2021 Productronica China
观看产品视频
进入邦纳微信公众号,点击下方菜单“精彩邦纳”——“产品视频”
订阅电子刊
进入邦纳微信公众号,点击下方菜单“精彩邦纳”——“订阅电子期刊”



