基础系统介绍
轻钢结构房屋自重轻,仅为砖混结构房屋的五分之一左右,钢筋混凝土结构房屋的八分之一,因此可大大降低基础建造成本,轻钢结构房屋基础一般采用条形基础即可。
基础的作用
1. 基础能够提高房屋的整体性(圈梁需整体闭合),防止房屋不均匀沉降造成的开裂,有利于提高抗震性能。
2. 条形基础把墙或柱的荷载传递至地基,使之满足地基承载力和变形的要求。
基础的分类
基础类型有:条形基础、板式基础、独立基础等。
轻钢房屋主要以条形基础为主。
条形基础的优点
1. 抗震性能好:可以很好的提高基础整体性,受力性能好,有利于抗震。
2. 节约成本:轻钢别墅自重轻,仅为砖混结构房屋的五分之一左右,可以大大降低基础建造成本(相对于传统房屋,所需人力、材料都可以降低很多)。
3. 取材方便:条形基础所使用的红砖、水泥、钢筋、砂石都是最普遍的建筑用材,价格便宜,取材方便。
基础系统施工流程
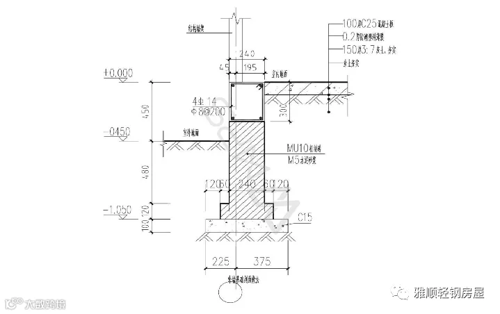
条形基础断面图
基础的施工流程由九步骤合成
01
基坑放线挖槽
02
垫层浇筑
03
红砖砌筑
04
水电管道预埋
05
钢筋施工
06
模板安装
07
混凝土浇筑
08
基础回填土
09
室内地面浇筑
咨询电话
电话|0769-8851 4001
地址|广东省东莞市望牛墩镇横沥村石横路5号A厂房
扫码关注我们

