大数跨境

EPC系列:EPC2525 PC44/PC95/PC96 铁氧体磁芯

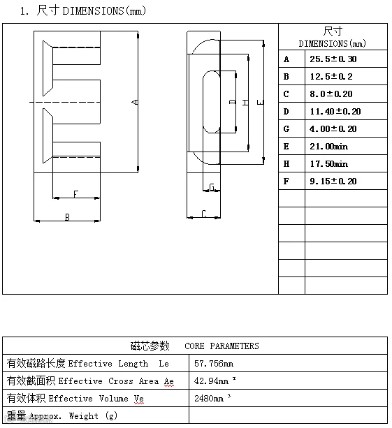
EPC系列:EPC2525 PC44/PC95/PC96 铁氧体磁芯 恒胜兴磁业
2023-07-12
1
导读:特点:引线空间大,绕制接线方便。适用范围广、工作频率高、工作电压范围宽、输出功率大、热稳定性能好。

特点:具有热阻小、衰耗小、功率大、工作频率宽、重量轻、结构合理、易表面贴装、屏蔽效果好等优点,但散热性能稍差。

用途:广泛应用于体积小而功率大且有屏蔽和电磁兼容要求的变压器,如精密仪程控交换机模块电源、导航设备等。

更多型号,可点击网站查询:

https://szshxcc.1688.com/


【声明】内容源于网络
0
0
恒胜兴磁业
深圳市恒胜兴磁业有限公司是一家集设计研发,制造,销售于一体的磁性材料公司,主要销售高频变压器行业所使用的PQ/ATQ/ER/EQ/POT/EE/EF/EFD/RM/EP/UF等系列电木骨架,软磁铁氧体磁芯,锰锌铁氧体,滤波用的配件材料.
内容 0
粉丝 0
恒胜兴磁业 深圳市恒胜兴磁业有限公司是一家集设计研发,制造,销售于一体的磁性材料公司,主要销售高频变压器行业所使用的PQ/ATQ/ER/EQ/POT/EE/EF/EFD/RM/EP/UF等系列电木骨架,软磁铁氧体磁芯,锰锌铁氧体,滤波用的配件材料.
总阅读0
粉丝0
内容0