


特点: 耦合位置好,中柱为圆形,便于绕线且绕线面积增大,可设计功率大而漏感小的变压器。
用途: 开关电源变压器,脉冲变压器,电子镇流器等。



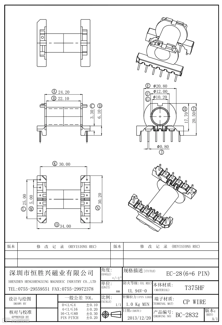
ER2834立式6+6尺寸图

ER2834卧式6+6尺寸图





更多型号,可点击网站查询:
https://szshxcc.1688.com/

恒胜兴磁业


特点: 耦合位置好,中柱为圆形,便于绕线且绕线面积增大,可设计功率大而漏感小的变压器。
用途: 开关电源变压器,脉冲变压器,电子镇流器等。



ER2834立式6+6尺寸图

ER2834卧式6+6尺寸图





更多型号,可点击网站查询:
https://szshxcc.1688.com/
