碳化硅(SiC)的禁带宽度约为3.3eV,显著大于硅(Si)的1.1eV。禁带宽度大的材料,需更多能量才能将电子从价带激发至导带,这使得 SiC 能在更高电压下工作而不发生击穿或产生漏电流,有效避免高电压条件下的电击穿与热失控。
依托这一内在特性,SiC 器件可设计得更薄、掺杂浓度更高,且导通电阻更低;即便在高频开关工况下,仍能保持较低的寄生电感与电容。随着高频开关、电源紧凑化设计需求日益增长,采用 SiC 替代Si MOSFET的趋势持续加强。
芯干线公司自主设计研发了 SiC MOSFET 及 SiC 功率模块,其功率模块集成半桥转换器、全桥转换器、六单元封装等多种拓扑结构,可适配太阳能逆变器、电动汽车逆变器、工业电机驱动、不间断电源(UPS)等多类应用场景。
由于 SiC 材料允许采用更薄、掺杂更重的漂移层且不牺牲击穿电压,芯干线 SiC 模块具备更低导通电阻,十分适合高电压、高效率应用场景。消费者可从这些功率模块中获得双重收益:技术层面实现节能与静音运行,经济层面降低能源成本与制造成本。
不过,高频运行的 SiC 器件给电路板设计带来挑战 —— 寄生元件可能导致器件误触发,栅极驱动电路与主功率电路也难以完全解耦。选择 SiC 器件栅极驱动器时,需详细计算器件与驱动器的电流、电压匹配关系。而芯干线 SiC 功率模块直接提供解决方案,省去了器件选型、驱动器匹配及二者间走线设计等环节,大幅简化开发流程。
芯干线 SiC 功率模块采用独特的紧凑优化封装设计,这对充分发挥 SiC 高速开关、耐高温、低损耗的特性至关重要。
模块使用陶瓷直接键合铜(DBC)基板,构建无底板结构;其中,氮化铝(AlN)陶瓷绝缘层的 DBC 基板,能在高功率应用中为模块提供高效散热。封装创新不仅大幅减轻模块重量与体积、提升热性能,还简化了装配流程:PCB 连接采用无焊引脚,降低器件热应力;嵌入式铜互连结构则提升了电流承载能力与机械可靠性。
与传统环氧树脂封装不同,芯干线选用高温树脂,确保模块在工业环境中稳定运行。其专有三相 SiC 功率模块还集成二极管整流桥与三相 SiC MOSFET 桥,并内置 NTC 热敏电阻用于温度监控,保障运行安全高效。
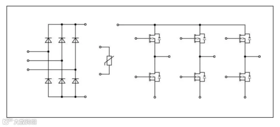
芯干线新一代SiC功率模块 XS140SPR120N1S 极具代表性(如下图),该模块集成二极管整流桥,反向耐压达 1600V,正向压降为 1.2V,结壳热阻低至 0.751 K/W;每颗 SiC MOSFET 的阻断电压为 1200V,驱动电压范围 - 4V 至 18V,适配常规 MOSFET 栅极驱动器,导通电阻仅 140mΩ,寄生电容极低(输入电容 620pF),结壳热阻 2.18 K/W,在 1200V、15A 规格的 SiC MOSFET 中处于较低水平。反向导通方面,模块反向恢复电荷仅 29nC,反向恢复时间仅 20ns。


此外,XS140SPR120N1S 采用双面散热与垂直集成结构,利于功率变换器热管理;SiC MOSFET的开尔文源极连接(Kelvin Source)为栅极驱动与功率路径提供独立通道,有效降低噪声。
这一特色设计实现了栅极驱动电路与主电路的解耦,为控制回路提供独立路径,减弱源极寄生电感影响 —— 传统 SiC MOSFET 仅单源极引脚,主电路 di/dt 为正时,电感电压正向拉低实际栅源电压,增加开通损耗;di/dt 为负时,电感电压反向升高实际栅源电压,增加关断损耗,而开尔文引脚可避免主电路 di/dt 大幅变化对栅极正常工作的干扰。
模块内置 NTC 热敏电阻在室温下额定电阻为 5kΩ,功耗仅 20mW,杂散电感低至 30nH;低电感结合低电感引脚设计,助力实现高速开关,避免较大寄生电感引发的电磁干扰(EMI)与电压过冲。
同时,改进的导热性能有助于降低 SiC 芯片结温,模块整体在低电容下实现高速开关,凭借紧凑低电感设计,具备低开关损耗与高系统效率。
该模块采用芯干线专Easy1B 封装,尺寸为 62.4mm×33.8mm×16.4mm。芯干线 SiC 功率模块为系统设计提供模块化、可扩展方案,确保恶劣工况下电力变换器的可靠性与长寿命。其设计核心围绕高功率密度与多功能性、紧凑性与装配便利性、可扩展性与坚固性,以满足苛刻的工业应用需求;独特封装方式则赋予模块强效热管理能力与出色的功率处理性能。
SiC 功率模块的主要优点包括更高的能源转换效率、优异的高温高压耐受性、高频开关特性及显著的系统集成优化效果,使其成为新能源汽车、可再生能源、工业电力系统的理想选择。
关于芯干线
芯干线科技是一家由功率半导体资深海归博士、电源行业市场精英和一群有创业梦想的年轻专业人士所创建宽禁带功率器件原厂。2022年被评为规模以上企业,2023年国家级科技型中小企业、国家级高新技术企业,通过了ISO9001生产质量管理体系认证。在2024年通过了IATF16949汽车级零部件生产质量管理体系认证。
公司自成立以来,深耕于功率半导体Si MOS & IGBT、GaN HEMT、SiC MOS & SBD、IGBT 和 SiC Module等功率器件及模块的研发和销售。产品被广泛应用于消费、光伏、储能、汽车、Ai服务器、工业自动化等能源电力转换与应用领域。
公司总部位于南京,分公司遍布深圳、苏州、江苏等国内多地,并延伸至北美与台湾地区,业务版图不断拓展中。
01
联系电话
南京总部:025-51180705
深圳分公司:0755-36991759
02
电子邮箱
Email: xinkansen@x-ipm.com
03
公司官网
网址:https://x-ipm.com

