瑞意进取 芯怀天下
X-IPM Technology
瑞萨RA-T系列MCU是为电机和数字电源应用而优化的规格和产品系列,产品具有最佳结构(ARM Cortex-M内核, PWM定时器,A/D转换器,比较器),丰富的通信功能,利于系统控制拓展,有助于实时应用的高速内存和外围功能保持高度兼容性。产品的电机控制加速器单元支持加速电流矢量控制、滤波操作并可以减少CPU负载以实现更多附加功能。
同时瑞萨提供给客户电机和数字电源各类解决方案,为客户带来缩短开发周期和加速产品上市时间的优势。其中瑞萨RA6T2群组是第二款针对电机和逆变器控制解决方案的产品。RA6T2将Arm Cortex®-M33与用于电机控制的硬件加速器以及用于实现240MHz高速实时性能的高速闪存相结合。它还可以实现下一代高速、高响应电机算法,并提高其他通信处理等并行处理性能。RA6T2总共有20种不同的型号,使用5种不同的封装类型。支持灵活配置软件包(FSP)和Arm合作伙伴生态系统,确保通过易用解决方案来实现高效精准的电机和数字电源控制。
1、高速数据运算:主控制器Renesas的RA6T2BD3C为高性能数字电源专用控制器,主核工作频率为240MHz,ARM33核,并且具有浮点运算单元;
2、高分辨率PWM驱动:高达10个通道的通用PWM定时器,可以产生足够多的驱动来完成复杂的3相正弦波控制,能够以合适的开关频率提高产品的功率密度;
3、多达29个模拟转换输入通道,并且2个独立的AD转换器,转换速度可达6M以上,可以减少相位延迟,提高产品的稳定性;
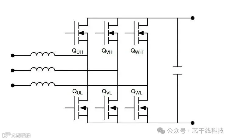
4、三相图腾柱PFC拓扑:三相交流220V与母线电压大约700V,可以实现双向 AC-DC变换运行,并且使用空间矢量脉宽调制SVPWM技术;
5、利用RA6T2的AD采样确定3相电压的正负半周切换,使用软件锁相环去锁相采样电压与真实的电网电压同相且同频率,实现高功率因数的整流功能,软件过零检测电路用于检测电网电压状态。

1 、交流输入整流功能
3相输入相电压220V,频率45Hz到60Hz.输出电压700V额定电压。输出功率5KW.80K的开关频率,PF值0.99,THD5%.最高效率97%。
2 、离线逆变器功能
直流电压700V,输出3相相位相差120度的380V离线逆变器,输出功率5KW,开关频率80K.输出频率50Hz,THD5%,最高效率不低于97%。
“三相5KW无桥PFC原理图.pdf”文件有详述。
文件免费对外开放,如需查看、下载,文章最后有下载指引。
该方案的输出电压700V为设计目标,因此控制电路有两个目标。第一,要求将输出电压稳定在700V。第二,实现电网侧的电压和电流同相位。
利用锁相环得到三相电压实时的一个角度,如图1所示。

图1 PLL
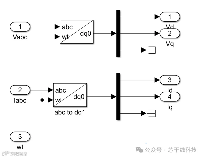
将得到的角度参与到三相电压和电流的DQ坐标变换,得到Vd,Vq和Id,Iq。如图2所示。

图2 电压电流坐标变换
得到所有需要的参数之后,下阶段是控制输出电压稳定在700V。其系统结构控制框图如图3所示。

图3 前馈解耦PI控制系统框图
如图4所示为电压电流双环控制的一个仿真图,和图3原理一样。将给定700V电压与采集到的输出实时电压做差,经过PI计算得到的数值作为电流内环的给定值,再经过图3所示得控制原理得到Ud,Uq。Ud,Uq经过反变换得到α和β参与到SVPWM的控制中之后即可得到调节输出700V的所需的开关管占空比。

图4 双环控制框图
图5为电压调节过程整体图。

图5 电压调节整体图
图6为电压电流相位同步的过程

图6 三相电压与电流波形
图7为电压上升到700V的过程,可以看出此时PWM需要的脉宽较大,来维持电压上升的一个过程。

图7 PWM脉冲和输出电压上升波形
图8为输出电压稳定在700V的过程,看出此时PWM的脉宽减小,不要再增大脉宽增加输出电压。

图8 PWM脉冲和输出电压稳定波形
1、工业水泵与风机有源滤波器

2、充电与换电站三相双向PCS

3、三相UPS电路框图

4、充电站超级电容组充电拓扑

PS:文件“三相5KW无桥PFC原理图.pdf”和“使用瑞萨单片机做主控的相关代码.zip”,对外开放,如需下载,请进入南京芯干线科技有限公司 (www.x-ipm.com)官网,打开相关技术文章即可下载。

